簡介
誕生歷史
“讀卡器”顧名思義這是一種讀取數據的設備,但其不單單可以支持數據的讀取同樣支持數據的寫入。其初期的設計思路主要是為了彌補數位相機數據輸出的缺陷而產生的。由於早期USB接口並不普及,因此數位相機的輸出口都是同電腦的串口連線的,由於串口的數據傳輸速度很低,如果把這些數據拷貝到硬碟上,那就要花費大量的等待時間了。因此,讀卡器就應運而生了。
發展
隨著MP3、PDA等數碼產品的發展,有力的推動了讀卡器的發展。MP3標配的32M或者64M快閃記憶體明顯的已經不能滿足我們的需要了,因此添置128M的快閃記憶體成了我們的標準配置,但我們如果要把MP3歌曲拷貝到快閃記憶體上的話,只有通過MP3播放器來進行,而這個時候我們就需要專用的連線、驅動和軟體才能完成,這樣MP3播放器的可以便攜攜性就差很多,而如果這個時候我們使用讀卡器的話,完全不需要MP3播放器的干預,直接就可以把MP3歌曲存放到快閃記憶體上,這樣MP3就變得使用更方便了。
IC讀寫器另外IC卡讀卡器也可以是我們平時套用到的智慧卡的讀寫機具。比如我們用的預付費電卡、煤氣表卡、水錶卡、乘車的公交卡等。市面上可以見到讀卡器都是被整合在自助一體付費機里,或連線在銀行櫃檯服務員的電腦里。有接觸類和非接觸類之分,用於讀取不同的接觸類卡片和非接觸類卡片。IC卡讀寫器主要套用於為智慧卡進行餘額查詢和充值的讀寫數據工作。
原理
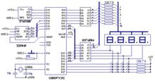
IC卡讀寫器封裝引腳圖讀寫器由單片機、鍵盤、顯示、監控電路等部分組成。IC卡採用X76F100Y。X76F100為128×8位的保密串列FLASH E2PROM,其中讀密碼和寫密碼分別為64位。把晶片封裝在一個卡片上,將卡片插入IC卡讀寫器的卡座中,讀寫器就可以對它進行讀寫,實現加密、查詢、存款、取款等功能。IC卡座有8個引腳,當X76F100Y插入時,正好同這幾個引腳相連。另外還有兩個固定端,其中一個固定端同卡座上一個彈簧片相連,兩個觸點和簧片就相當於一個常閉開關。當卡未插入時,簧片閉合,P3.2腳保持低電平;當卡插入時,簧片被頂開,P3.2腳變為高電平。當單片機檢測到P3.2腳變高,通過P1.3 使X76F100的RST引腳變高,使其復位。
單片機
單片機採用GMS97C52。它有8K位元組的ROM,256個位元組的RAM以及32個I/O口,P1口與串列器件X25045和X76F100連線,P0、P2口用於鍵盤和顯示,P3口中P3.2用於檢測IC卡是否插入,其餘7個口,可作其它功能擴充。
鍵盤電路
為了方便,鍵盤接口電路用I/O口實現,它為4×4結構,16個鍵。其中數字鍵11個,功能鍵4個,回車鍵1個。數字鍵:0、1、2、3、4、5、6、7、8、9、←(退格)。功能鍵:查詢?、存儲+、取款-、改密碼* 。查詢:用戶通過讀密碼可以查詢卡中所存的款額。 存款+ :用戶通過寫密碼可以將款存入卡中。取款-:用戶通過寫密碼可以從卡中取款。 改密碼*:分為修改讀密碼和寫密碼。為方便起見,令讀密碼和寫密碼一致,按此鍵將同時修改讀密碼和寫密碼。回車鍵:8位密碼或存取款數輸入完確認,以及新密碼輸入完確認。
顯示電路
顯示部份採用LED顯示器,也用I/O口實現。用於顯示系統狀態、輸入的密碼或所要存取的款額以及出錯信息等。由於GMS97C52的驅動電流有限,在P0、P2口加反向器SN74F04,增加驅動能力。它的吸入電流為64mA,輸出電流為15mA,可以保證位選所需的吸入電流。
監控電路
監控電路采包括看門狗定時器、電壓監控電路和E2PROM存貯器。其功能是:上掉電時對GMS97C52產生RESET信號;看門狗對系統進行監控,防止當機。
技術指標
通訊接口: 標準RS232
卡座壽命: 10萬次
主控制器: 8位51系列單片機
電磁輻射: 抗干擾 CE89/336
插卡自檢: 判斷卡的正反向和卡片類型
通訊速率: 自動選擇波特率(57600bp和9600bps)
讀寫卡型: SIEMENS:SLE4404/4406/4432/4442/4428
ATMELl:AT24C01/24C02/24C16/24C64/AT45D041 AT93C46/88S102/88SC1608
CPU卡: T=0、T=1
支持符合ISO7816-3,4標準和EMV標準的CPU卡(T=0、T=1)、SAM卡、邏輯加密卡和存儲器卡;支持CPU卡和SAM卡的雙向論證
開發環境:16位操作平台的支持DOS環境下的Turbo C 、FoxPro
開發環境:32位操作平台的win95/98/2000環境下的VB、VC++、powerbuilder、delphi、VFP
分類
按接口
讀卡器從接口上來看主要有:並口讀卡器、串口讀卡器材、USB讀卡器、PCMICA卡讀卡器和IEEE 1394讀卡器。前兩種讀卡器由於接口速度慢或者安裝不方便已經基本被淘汰了。USB讀卡器是目前市場上最流行的讀卡器,PCMICA卡讀卡器最主要的被套用在筆記本電腦上,而IEEE 1394讀卡器由於支持的接口還沒有流行,套用還不太廣泛。
按協定
讀卡器從讀卡協定上劃分可以分為兩種,一種是485讀卡器,一種是韋根讀卡器。韋根26和34協定,這兩種協定是常規協定。
按讀卡類型
讀卡器從讀卡類型上分為IC讀卡器與ID讀卡器,IC卡讀卡器是一種非接觸IC卡讀寫設備,它通過USB接口實現與PC機的連線,單獨5V電源供電或鍵盤口取電,其支持訪問射頻卡的全部功能。該系列設備套用於門禁、考勤、會議簽到、高速公路、旅遊、停車場、公交收費、商場消費、會員系統以及各種套用系統的發卡系統。
ID卡讀卡器是用來讀ID卡的,讀卡器支持即插即用、在使用過程可以隨意拔插,不用外加電源,用戶不用載入任何驅動程式,windows系統直接將其當成HID類設備鍵盤。計算機USB口接入讀卡器後,讀卡器“滴”一聲開始自檢及初始化,再“滴”一聲初始化成功,進入等待刷卡狀態。
ID卡讀卡器套用於資料錄入、信息查詢、網咖登記、圖書借閱、會議簽到、出入控制等場合。
市場上主要的快閃記憶體或者多媒體卡主要為:SM卡、CF卡、MicroDrive、MemoryStick、MMC卡和SD卡。 按照讀取的快閃記憶體種類來分,讀卡器又被分為單功能讀卡器、多功能讀卡器。單功能讀卡器一般只能讀取一種類型的快閃記憶體卡,如CF讀卡器只能讀取CF快閃記憶體卡,SM讀卡器只能讀取SM快閃記憶體卡,這類讀卡器的價格較低,只要100元;而多功能讀卡器則是對各種快閃記憶體卡通吃,無論是SM卡、CF卡還是MemoryStick都可以輕鬆讀取,不過這類產品的價格稍稍高一點,根據讀取快閃記憶體卡的種類多少,價格在200-500之間不等。
數據交換方式
按照IC卡與讀寫設備的數據交換方式,IC卡可分為接觸型IC卡和非接觸型IC卡。
接觸型IC卡就是在使用時,通過有形的電極觸點將卡的積體電路與外部接口設備直接接觸連線來進行數據交換的IC卡。非接觸型IC卡是通過無線電波或電磁場感應的方式,將卡中積體電路內的數據與外部設備接口設備通信,卡片不用直接接觸接口設備的電極就可以進行數據讀寫。
常見問題
1 、卡片晶片朝上朝下問題
卡片在讀卡器中晶片朝上或朝下的問題,是根據讀卡器的型號的不同而有區別的。我的RDM-EB,卡片晶片向下;RDM-ET,晶片向上;S3系列產品,卡片晶片朝上。
2、 自動測卡問題
RDM演示程式中的自動測卡功能僅供參考,不是判斷卡型的唯一標準,因為在測卡時讀的是特徵位元組,而卡的特徵位元組有可能因卡的生產商不同而有所不同,當測卡不準時,請手動選卡型號。
3 、驗證密碼問題
接觸式讀卡器在驗證密碼時,如果在前一次核對密碼正確後而沒下電的情況下,無論輸入任何密碼它都認為是正確的,只有下電後才能判斷密碼的正確與否。
4、 MF-50U
在使用MF-50U讀卡器時,不能先接讀卡器,而是應該先安裝USB驅動,然後再接上USB讀卡器,這時系統會自動設定默認連線埠。
5、M F-50
在MF演示程式中,使用自動測試功能後,如果再繼續其它操作得先對卡下電(即把卡片從感應區移開);如果要對射頻卡讀卡器改變波特率繼續工作,應該對讀卡器先斷電,然後波特率才能夠修改成功,因為讀卡器只有在剛通電的情況下,才處於自動偵測波特率的狀態。
6、IC_InitType
此函式不是測卡函式,它沒有測卡功能,它的作用是告訴讀卡器將要操作的卡型號而已。
7、 初始化串口錯誤
串口資源已經被占用,(包括初始化串口後非正常退出而未關閉串口,然後再去初始化串口); 計算機與讀寫器通訊的波特率與讀寫器默認波特率不一致;計算機與讀寫器通訊的串口與讀寫器默認串口不一致;設備連線不正確,接觸不良。
8、 DES算法加減密
在VB中,部分數據在使用DES算法加密減密後與原文有所不同,解決辦法為:可將密文定義為全局變數,直接傳遞給解密函式解密;或者將加密後的密文以BYTE表示,用傳地址方式傳遞。
9、 擦除
10、ic卡只有在數據成功擦除後,才能夠正確地寫入新的數據;對102卡寫數據時起始地址必須為偶數,數據長度也必須為偶數。
注意事項
插拔式卡座
1、對於插拔式卡座,要注意防止插卡過於用力,過於用力會損傷卡座的到位開關,而且對卡也有一定的傷害。
2、注意保持卡片的清潔,如果卡的晶片不潔,不僅卡片無法正常工作,而且也會對卡座的接觸點造成污染。
3、卡到位後再操作這點非常重要,在不穩定的情況下讀寫器對卡進行上電操作,有可能會對卡造成損害。
4、插拔式卡座中的卡在操作完成後,應用程式應該首先發命令讓讀寫器對卡片進行下電操作,下電完成後將卡拔出。在沒有下電的情況下將卡拔出有可能對卡造成損害。
推推式卡座
1、推推式卡座採用推入卡片,取出時再推入卡片會彈出卡片。這種結構減少了卡片和觸電之間的摩擦,對保護卡片有一定的優勢。但如果不正確使用也會損傷卡片。
2、最常見的錯誤情況是取出卡片的時候不是再次推入讓卡片自動彈出,而且直接把卡片拔出,這種情況會嚴重的損害卡片,而且也會嚴重損害卡座。
3、注意保持卡片的清潔,任何結構的卡座最終都是要和卡的晶片觸電緊密接觸,所以如果卡的晶片不潔,會對任何種類的卡座的觸點造成污染。
使用環境和方法
持卡人的妥善保管及正確的使用是延長IC卡的使用壽命及可靠性的最經濟有效的手段。妥善保管,不隨意彎曲,不隨意用手接觸觸點,不隨意接近強靜電環境,注意保持卡表面清潔等,將有助於提高IC卡的使用可靠性,延長使用壽命。
清潔卡的使用
清潔卡是在讀寫器使用一段時間後,卡座的觸點受到了污染後採用的一種清潔措施。清潔卡的使用方法是:在斷電的情況下將清潔卡插入讀寫器,來回插入後將卡座的觸電清潔。
清潔卡是以聚酯、聚乙烯、聚丙烯或硬質紙張為原料製成清潔卡基體,清潔卡基體的表面熱合或粘合一層無紡布、含磨料(氧化鋁或碳化矽)無紡布、細砂紙、細砂布或具有清潔能力的紡織物等清潔材料層,按上述結構製作而成的一定規格的清潔卡,插入卡機中,插拔幾次清潔卡,即可將卡機觸點表面清洗乾淨,極為方便,而且效果明顯,可有效地確保卡機長期正常運行。
組成部分
讀寫器及射頻標籤讀寫設備是射頻識別系統的兩個重要組成部分(標籤與讀寫器)之一。射頻標籤讀寫設備根據具體實現功能的特點也有一些其他較為流行的別稱,如:閱讀器(Reader),查詢器(Interrogator),通信器(Communicator),掃描器(Scanner),讀寫器(Reader and Writer),編程器(Programmer),讀出裝置(Reading Device),攜帶型讀出器(Portable Readout Device),AEI設備( Automatic Equipment Identification Device)等。 通常情況下,射頻標籤讀寫設備應根據射頻標籤的讀寫要求以及套用需求情況來設計。隨著射頻識別技術的發展,射頻標籤讀寫設備也形成了一些典型的系統實現模式。 從最基本的原理角度出度,射頻標籤讀寫設備一般均遵循如圖所示的基本模式。
通訊方式
通過空間信道實現讀寫器向射頻標籤傳送命令
讀寫設備與射頻標籤之間必然通過空間信道實現讀寫器向射頻標籤傳送命令,射頻標籤接收讀寫器的命令後做出必要的回響,由此實現射頻識別。此外,在射頻識別套用系統中,一般情況下,通過讀寫器實現的對射頻標籤數據的無接觸收集或由讀寫器向射頻標籤中寫入的標籤信息均要回送的套用系統中或來自套用系統,這就形成了射頻標籤讀寫設備與套用系統程式之間的接口API(Application Program Interface)。
一般情況下,要求讀寫器能夠接收來自套用系統的命令,並且根據套用系統的命令或約定的協定作出相應的回響(回送收集到的標籤數據等)。
射頻模組(射頻通道)與基帶模組
讀寫器本身從電路實現角度來說,又可劃分為兩大部分,即:射頻模組(射頻通道)與基帶模組。
射頻模組實現的任務主要有兩項,第一項是實現將讀寫器欲發往射頻標籤的命令調製(裝載)到射頻信號(也稱為讀寫器/射頻標籤的射頻工作頻率)上,經由發射天線傳送出去。傳送出去的射頻信號(可能包含有傳向標籤的命令信息)經過空間傳送(照射)到射頻標籤上,射頻標籤對照射的其上的射頻信號作出回響,形成返回讀寫器天線的反射回波信號。
射頻模組的第二項任務即是實現將射頻標籤反回到讀寫器的回波信號進行必要的加工處理,並從中解調(卸載)提取出射頻標籤回送的數據。 基帶模組實現的任務也包含兩項,第一項是將讀寫器智慧型單元(通常為計算機單元CPU或MPU)發出的命令加工(編碼)實現為便於調製(裝載)到射頻信號上的編碼調製信號。第二項任務即是實現對經過射頻模組解調處理的標籤回送數據信號進行必要的處理(包含解碼),並將處理後的結果送入讀寫器智慧型單元。
一般情況下,讀寫器的智慧型單元也劃歸基帶模組部分。智慧型單元從原理上來說,是讀寫器的控制核心,從實現角度來說,通常採用嵌入式MPU,並通過編制相應的MPU控制程式對實現收發信號實現智慧型處理以及與後終應用程式之間的接口API。 射頻模組與基帶模組的接口為調製(裝載)/解調(卸載),在系統實現中,通常射頻模組包括調製/解調部分,並且也包括解調之後對回波小信號的必要加工處理(如放大、整形)等。射頻模組的收發分離是採用單天線系統時射頻模組必須處理好的一個關鍵問題。

