產品簡介
對夾升降式止回閥由閥體、閥瓣、彈簧等組成,水平或垂直安裝於管路系統,防止介質倒流。
﹥ 閥體材料:WCB、304、316
產品概述
旋啟式止回閥適用於石油、化工、製藥、化肥、電力行業等各種工況的管路上,適用介質為水、油品、蒸汽、酸性介質等。
產品特點
升降式止回閥具有結構簡單,動作可靠,維修方便等優點。
當閥後介質壓力作用在閥瓣上的力加上閥瓣自身重力大於閥前壓力作用在閥瓣上的力時,閥門關閉,阻止介質倒流。
主要性能規範
| 試驗壓力 | 公稱壓力( MPa ) | ||||
| 1.6 | 2.5 | 4.0 | 6.4 | 10.0 | |
| 殼體試驗 | 2.4 | 3.8 | 6.0 | 9.6 | 15.0 |
| 密封試驗 | 1.8 | 2.8 | 4.4 | 7.1 | 11.0 |
| 閥體材料 | WCB(C) | CF8(P) | CF 8M (R) | WC6 | WC9 |
| 工作溫度 | ≤ 425 | ≤ 100 | ≤ 100 | ≤ 550 | ≤ 550 |
| 適用介質 | 水、蒸汽、油品 | 硝酸類 | 醋酸類 | 水、蒸汽 | 水、蒸汽 |
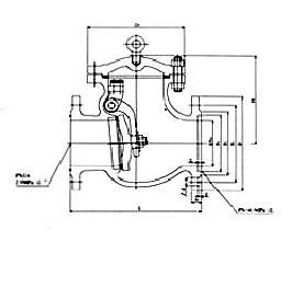
相關尺寸
| 公稱通徑 | PN1.6/2.5MPa | PN4.0MPa | PN6.4/10.0MPa | |||||
| L | H | L | H | L | H | |||
| 系列 1 | 系列 2 | 系列 1 | 系列 2 | |||||
| DN40 | 200 | 200 | 130 | 200 | 200 | 130 | 260 | 160 |
| DN50 | 230 | 230 | 135 | 230 | 230 | 135 | 300 | 170 |
| DN65 | 290 | 290 | 145 | 290 | 290 | 145 | 340 | 180 |
| DN80 | 310 | 310 | 175 | 310 | 310 | 175 | 380 | 245 |
| DN100 | 350 | 350 | 200 | 350 | 350 | 200 | 430 | 290 |
| DN125 | 400 | 400 | 255 | 400 | 400 | 255 | 500 | 320 |
| DN150 | 480 | 480 | 320 | 480 | 480 | 320 | 550 | 360 |
| DN200 | 495 | 550 | 380 | 533 | 550 | 380 | 650 | 430 |
| DN250 | 622 | 650 | 440 | 622 | 650 | 440 | 775 | 505 |
| DN300 | 698 | 750 | 480 | 711 | 750 | 520 | 900 | 555 |
| DN350 | 787 | 850 | 530 | 838 | 850 | 540 | 1025 | 595 |
| DN400 | 864 | 950 | 560 | 864 | 950 | 590 | 1150 | 680 |
| DN450 | 978 | 1050 | 620 | 978 | 1050 | 650 | 1275 | 780 |
| DN500 | 978 | 1150 | 655 | 978 | 1150 | 720 | 1400 | 970 |
H44旋啟式尺寸圖