電力電晶體簡介
GTR是一種電流控制的雙極雙結大功率、高反壓電力電子器件,具有自關斷能力,產生於上個世紀70年代,其額定值已達1800V/800A/2kHz、1400v/600A/5kHz、600V/3A/100kHz。它既具備電晶體飽和壓降低、開關時間短和安全工作區寬等固有特性,又增大了功率容量,因此,由它所組成的電路靈活、成熟、開關損耗小、開關時間短,在電源、電機控制、通用逆變器等中等容量、中等頻率的電路中套用廣泛。GTR的缺點是驅動電流較大、耐浪涌電流能力差、易受二次擊穿而損壞。在開關電源和UPS內,GTR正逐步被功率MOSFET和IGBT所代替。它的符號如圖1,和普通的NPN電晶體一樣。
電力電晶體的結構
電力電晶體(Giant Transistor)簡稱GTR又稱BJT(Bipolar Junction Transistor),GTR和BJT這兩個名稱是等效的,結構和工作原理都和小功率電晶體非常相似。GTR由三層半導體、兩個PN結組成。和小功率三極體一樣,有PNP和NPN兩種類型,GTR通常多用NPN結構。
電力電晶體工作原理
在電力電子技術中,GTR主要工作在開關狀態。GTR通常工作在正偏(Ib>0)時大電流導通;反偏(Ib<0=時處於截止狀態。因此,給GTR的基極施加幅度足夠大的脈衝驅動信號,它將工作於導通和截止的開關狀態。
電力電晶體特點
l 輸出電壓
可以採用脈寬調製方式,故輸出電壓為幅值等於直流電壓的強脈衝序列。
2 載波頻率
由於電力電晶體的開通和關斷時間較長,故允許的載波頻率較低,大部分變頻器的上限載波頻率約為1.2~1.5kHz左右。
3 電流波形
因為載波頻率較低,故電流的高次諧波成分較大。這些高次諧波電流將在矽鋼片中形成渦流,並使矽鋼片相互間因產生電磁力而振動,並產生噪音。又因為載波頻率處於人耳對聲音較為敏感的區域,故電動機的電磁噪音較強。
4 輸出轉矩
因為電流中高次諧波的成分較大,故在50Hz時,電動機軸上的輸出轉矩與工頻運行時相比,略有減小。
電力電晶體的基本特性
(1)靜態特性
共發射極接法時可分為三個工作區:
① 截止區。在截止區內,iB≤0,uBE≤0,uBC<0,集電極只有漏電流流過。
② 放大區。iB >0,uBE>0,uBC<0,iC =βiB。
③ 飽和區。iB >Ics/β,uBE>0,uBC>0,iCS是集電極飽和電流,其值由外電路決定。
結論:兩個PN結都為正向偏置是飽和的特徵。飽和時,集電極、發射極間的管壓降uCE很小,相當於開關接通,這時儘管電流很大,但損耗並不大。GTR剛進入飽和時為臨界飽和,如iB繼續增加,則為過飽和,用作開關時,應工作在深度飽和狀態,這有利於降低uCE和減小導通時的損耗。
(2)動態特性
圖4-8 GTR共發射極接法的輸出特性(見題圖)
GTR[電力電晶體(GTR)]圖4-9 GTR開關特性
GTR在關斷時漏電流很小,導通時飽和壓降很小。因此,GTR在導通和關斷狀態下損耗都很小,但在關斷和導通的轉換過程中,電流和電壓都較大,所以開關過程中損耗也較大。當開關頻率較高時,開關損耗是總損耗的主要部分。因此,縮短開通和關斷時間對降低損耗、提高效率和提高運行可靠性很有意義。
電力電晶體的主要參數
(1)最高工作電壓
(2)集電極最大允許電流ICM
(3)集電極最大允許耗散功率PCM
(4)最高工作結溫TJM
二次擊穿和安全工作區
(1)二次擊穿
二次擊穿是影響GTR安全可靠工作的一個重要因素。當GTR的集電極電壓升高至擊穿電壓時,集電極電流迅速增大,這種首先出現的擊穿是雪崩擊穿,被稱為一次擊穿。出現一次擊穿後,只要Ic不超過與最大運行耗散功率相對應的限度,GTR一般不會損壞,工作特性也不會有什麼變化。但是實際套用中常常發現一次擊穿發生時如不有效地限制電流,Ic增大到某個臨界點時會突然急劇上升,同時伴隨著電壓的突然下降,這種現象稱為二次擊穿。防止二次擊穿的辦法是:①應使實際使用的工作電壓比反向擊穿電壓低得多。②必須有電壓電流緩衝保護措施。
(2)安全工作區
GTR[電力電晶體(GTR)]以直流極限參數ICM、PCM、UCEM構成的工作區為一次擊穿工作區,以USB (二次擊穿電壓)與ISB (二次擊穿電流)組成的PSB (二次擊穿功率)是一個不等功率曲線。為了防止二次擊穿,要選用足夠大功率的GTR,實際使用的最高電壓通常比GTR的極限電壓低很多。
圖4-10 GTR安全工作區
GTR[電力電晶體(GTR)]圖4-11 GTR基極驅動電流波形
驅動與保護
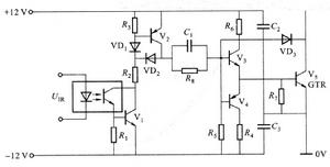
1.GTR基極驅動電路
(1)對基極驅動電路的要求
①實現主電路與控制電路間的電隔離。
②導通時,基極正向驅動電流應有足夠陡的前沿,並有一定幅度的強制電流,以加速開通過程,減小開通損耗。
③GTR導通期,基極電流都應使GTR處在臨界飽和狀態,這樣既可降低導通飽和壓降,又可縮短關斷時間。
④在使GTR關斷時,應向基極提供足夠大的反向基極電流,以加快關斷速度,減小關斷損耗。
⑤應有較強的抗干擾能力,並有一定的保護功能。
(2)基極驅動電路
GTR[電力電晶體(GTR)]圖4-12 實用的GTR驅動電路
2.集成化驅動
集成化驅動電路克服了一般電路元件多、電路複雜、穩定性差和使用不便的缺點,還增加了保護功能。
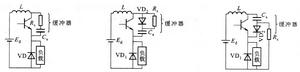
3.GTR的保護電路
開關頻率較高,採用快熔保護是無效的。一般採用緩衝電路。主要有RC緩衝電路、充放電型R、C、VD緩衝電路和阻止放電型R、C、VD緩衝電路三種形式,如圖4-13所示。
GTR[電力電晶體(GTR)]a) b) c)
圖4-13 GTR的緩衝電路
圖4-13a所示RC緩衝電路只適用於小容量的GTR(電流10 A以下)。圖4-13b所示充放電型R、C、VD緩衝電路用於大容量的GTR。圖4-13c所示阻止放電型R、C、VD緩衝電路,較常用於大容量GTR和高頻開關電路,其最大優點是緩衝產生的損耗小。
電力電晶體電路分析
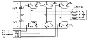
GTR[電力電晶體(GTR)]圖6-21所示為三相橋式PWM逆變電路,功率開關器件為GTR,負載為電感性。從電路結構上看,三相橋式PWM變頻電路只能選用雙極性控制方式,其工作原理如下:
三相調製信號urU、urV和urW為相位依次相差120°的正弦波,而三相載波信號是公用一個正負方向變化的三角形波uc,如圖6-23所示。U、V和W相自關斷開關器件的控制方法相同,現以U相為例:在urU>uc的各區間,給上橋臂電力電晶體V1以導通驅動信號,而給下橋臂V4以關斷信號,於是U相輸出電壓相對直流電源Ud中性點N’為uUN’ =Ud/2。在urU<uc的各區間,給V1以關斷信號,V4為導通信號,輸出電壓uUN’ =-Ud/2。電路中VD1~VD6二極體是為電感性負載換流過程提供續流迴路,其它兩相的控制原理與U相相同。三相橋式PWM變頻電路的三相輸出的PWM波形分別為uUN'、uVN'和uWN'。
![GTR[電力電晶體(GTR)] GTR[電力電晶體(GTR)]](/img/1/1ed/nBnauM3X0QDM3QjN4cDO3kzM3UTM0kTNzYDOzQTNwAzMwIzL3gzL0QzLt92YucmbvRWdo5Cd0FmLwE2LvoDc0RHa.jpg)
