FAG QJ328-N2-MPA軸承是一款FAG品牌軸承,型號為QJ328-N2-MPA。
型號:QJ328-N2-MPA
品牌:FAG
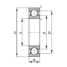
系列:四點接觸球軸承
內徑:140mm
外徑:300mm
厚度:62mm