基本介紹
DPX單段細碎機DPX單段細碎機又被稱為“三合一”細碎機,與普通單段錘式破碎機相比,DPX單段細碎機產品粒度更小(80%<5mm)、設備投資低於同規模傳統工藝裝備35~50%,長期運行管理費用低於同規模傳統工藝裝備系統30%左右。
泥工藝生料製備系統中,石灰石原料通常採用兩級破碎設備,產品粒度一般為20mm,為了充分提高粉磨系統生產效率,降低粉磨電耗,採用“多破少磨”工藝技術,變兩級破碎為三級破碎,使產品粒度達到8mm以下,是非常有效的手段。然而,在具體技術改造中,遇到了流程複雜、工藝布置困難、投資過大等問題;而且,因細碎機增加較大電機,致使降低粉末電耗的目的大打折扣。而DPX系列單段細碎機,正好解決了上述諸多問題。
工作原理
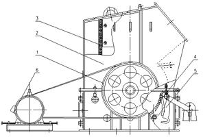
DPX單段細碎機工作原理原礦通過給料設備餵入DPX單段細碎機的進料口後,堆放在破碎機機體內特設的中間托架上,破碎機錘頭在中間托架的間隙中運行,將大塊物料連續擊碎而墜落,墜落的小塊經高速運轉的錘頭進一步打擊而細碎,最後經弧形篦板均整合格後卸出。
性能特點
DPX單段細碎機1、進料粒度大、破碎比大、產量大
2、工藝布置簡單、維修簡便
3、耐磨件損耗小、投資成本低
4、卸料篦板可在機外調節,出料靈活
5、設備節能,比常規三級破碎節電40%以上
技術參數
| 型號 | 轉子尺寸(mm*mm) | 處理能力(t/h) | 錘頭數量 | 入料口尺寸 (mm*mm) | 入料粒度 (mm) | 出料粒度 (mm) | 功率 (kw) |
| DPX-15Ⅲ | 800* 650 | 10-20 | 12 | 570*630 | ≤500 | Davg. ≤5 | 35-55 |
| DPX-35Ⅲ | 1000* 1030 | 30-40 | 24 | 1050*760 | ≤ 700 | Davg. ≤5 | 55-75 |
| DPX-65Ⅲ | 1200* 1290 | 55-75 | 24 | 1320*760 | ≤800 | Davg. ≤5 | 90-132 |
| DPX-90Ⅲ | 1400* 1300 | 80-100 | 30 | 1330*960 | ≤900 | Davg. ≤5 | 132-160 |
| DPX-125Ⅲ | 1400* 1700 | 110-130 | 35 | 1790*960 | ≤1000 | Davg. ≤8 | 200-240 |
| DPX-150Ⅲ | 1600* 1560 | 140-160 | 30 | 1900*960 | ≤1100 | Davg. ≤8 | 240-280 |
| DPX-180Ⅲ | 1600* 2020 | 160-200 | 40 | 2050*1200 | ≤1100 | Davg. ≤10 | 280-355 |
| DPX-250Ⅲ | 1800* 2000 | 230-280 | 40 | 2150*1400 | ≤1300 | Davg. ≤10 | 440-550 |
| DPX-300Ⅲ | 2000* 2200 | 280-350 | 50 | 2440*1600 | ≤1300 | Davg. ≤10 | 440-550 |

