主要特性
1)8路輸入通道,8位A/D轉換器,即解析度為8位。
2)具有轉換起停控制端。
3)轉換時間為100μs(時鐘為640KHz時),130μs(時鐘為500KHz時)。
4)單個+5V電源供電。
5)模擬輸入電壓範圍0~+5V,不需零點和滿刻度校準。
6)工作溫度範圍為-40~+85攝氏度。
7)低功耗,約15mW。
內部結構
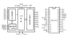
ADC0809是CMOS單片型逐次逼近式A/D轉換器,內部結構如圖所示,它由8路模擬開關、地址鎖存與解碼器、比較器、8位開關樹型A/D轉換器、逐次逼近暫存器、邏輯控制和定時電路組成。
外部特性(引腳功能)
ADC0809晶片有28條引腳,採用雙列直插式封裝,如圖所示。
下面說明各引腳功能:
•IN0~IN7:8路模擬量輸入端。
•2-1~2-8:8位數字量輸出端。
•ADDA、ADDB、ADDC:3位地址輸入線,用於選通8路模擬輸入中的一路。
•ALE:地址鎖存允許信號,輸入端,產生一個正脈衝以鎖存地址。
•START: A/D轉換啟動脈衝輸入端,輸入一個正脈衝(至少100ns寬)使其啟動(脈衝上升沿使0809復位,下降沿啟動A/D轉換)。
•EOC: A/D轉換結束信號,輸出端,當A/D轉換結束時,此端輸出一個高電平(轉換期間一直為低電平)。
•OE:數據輸出允許信號,輸入端,高電平有效。當A/D轉換結束時,此端輸入一個高電平,才能打開輸出三態門,輸出數字量。
•CLK:時鐘脈衝輸入端。要求時鐘頻率不高於640KHz。
•REF(+)、REF(-):基準電壓。
•Vcc:電源,單一+5V。
•GND:地。
工作過程
首先輸入3位地址,並使ALE=1,將地址存入地址鎖存器中。此地址經解碼選通8路模擬輸入之一到比較器。START上升沿將逐次逼近暫存器復位。下降沿啟動 A/D轉換,之後EOC輸出信號變低,指示轉換正在進行。直到A/D轉換完成,EOC變為高電平,指示A/D轉換結束,結果數據已存入鎖存器,這個信號可用作中斷申請。當OE輸入高電平 時,輸出三態門打開,轉換結果的數字量輸出到數據匯流排上。
轉換數據的傳送 A/D轉換後得到的數據應及時傳送給單片機進行處理。數據傳送的關鍵問題是如何確認A/D轉換的完成,因為只有確認完成後,才能進行傳送。為此可採用下述三種方式。
(1)定時傳送方式
對於一種A/D轉換器來說,轉換時間作為一項技術指標是已知的和固定的。例如ADC0809轉換時間為128μs,相當於6MHz的MCS-51單片機共64個機器周期。可據此設計一個延時子程式,A/D轉換啟動後即調用此子程式,延遲時間一到,轉換肯定已經完成了,接著就可進行數據傳送。
(2)查詢方式
A/D轉換晶片有表明轉換完成的狀態信號,例如ADC0809的EOC端。因此可以用查詢方式,測試EOC的狀態,即可確認轉換是否完成,並接著進行數據傳送。
(3)中斷方式
把表明轉換完成的狀態信號(EOC)作為中斷請求信號,以中斷方式進行數據傳送。
不管使用上述哪種方式,只要一旦確定轉換完成,即可通過指令進行數據傳送。首先送出口地址並以信號有效時,OE信號即有效,把轉換數據送上數據匯流排,供單片機接受。
常見用途
ADC0809與MCS-51單片機的連線主要涉及兩個問題。一是8路模擬信號通道的選擇,二是A/D轉換完成後轉換數據的傳送。轉換數據的傳送有定時傳送方式、查詢方式、中斷方式這三種方式。A、B、C的值與被選擇的通道之間的關係
通道選擇
