8155
描 述:2048-Bit Static MOS RAM with I/O Ports and Timer
中文描述:2048位靜態記憶體與I/O連線埠和定時器
8155各引腳功能說明如下:
RST:復位信號輸入端,高電平有效。復位後,3個I/O口均為輸入方式。
AD0~AD7:三態的地址/數據匯流排。與單片機的低8位地址/數據匯流排(P0口)相連。單片機與8155之間的地址、數據、命令與狀態信息都是通過這個匯流排口傳送的。
RD:讀選通信號,控制對8155的讀操作,低電平有效。
WR:寫選通信號,控制對8155的寫操作,低電平有效。
CE:片選信號線,低電平有效。
IO/M :8155的RAM存儲器或I/O口選擇線。當IO/M =0時,則選擇8155的片內RAM,AD0~AD7上地址為8155中RAM單元的地址(00H~FFH);當IO/M =1時,選擇 8155的I/O口,AD0~AD7上的地址為8155 I/O口的地址。
ALE:地址鎖存信號。8155內部設有地址鎖存器,在ALE的下降沿將單片機P0口輸出的低8位地址信息及 ,IO/ 的狀態都鎖存到8155內部鎖存器。因此,P0口輸出的低8位地址信號不需外接鎖存器。
PA0~PA7:8位通用I/O口,其輸入、輸出的流向可由程式控制。
PB0~PB7:8位通用I/O口,功能同A口。
PC0~PC5:有兩個作用,既可作為通用的I/O口,也可作為PA口和PB口的控制信號線,這些可通過程式控制。
TIMER IN:定時/計數器脈衝輸入端。
TIMER OUT:定時/計數器輸出端。
VCC:+5V電源。
2、8155的地址編碼及工作方式
在單片機套用系統中,8155是按外部數據存儲器統一編址的,為16位地址,其高8位由片選線 提供, CE=0,選中該片。
當 CE=0,IO/M =0時,選中8155片內RAM,這時8155隻能作片外RAM使用,其RAM的低8位編址為00H~FFH;當 CE=0,IO/M =1時,選中8155的I/O口,其連線埠地址的低8位由AD7~AD0確定,如表6-6所示。這時,A、B、C口的口地址低8位分別為01H、02H、03H(設地址無關位為0)。
表6-6 8155晶片的I/O口地址
| A7 | A6 | A5 | A4 | A3 | A2 | A1 | A0 | 選擇I/O口 |
| × × × × × × | × × × × × × | × × × × × × | × × × × × × | × × × × × × | 0 0 0 0 1 1 | 0 0 1 1 0 0 | 0 1 0 1 0 1 | 命令/狀態暫存器 A口 B口 C口 定時器低8位 定時器高6位及方式 |
8155的A口、B口可工作於基本I/O方式或選通I/O方式。C口可工作於基本I/O方式,也可作為A口、B口在選通工作方式時的狀態控制信號線。當C口作為狀態控制信號時,其每位線的作用如下:
PC0:AINTR(A口中斷請求線)
PC1:ABF(A口緩衝器滿信號)
PC2: (A口選通信號)
PC3:BINTR(B口中斷請求線)
PC4:BBF(B口緩衝器滿信號)
PC5: (B口選通信號)
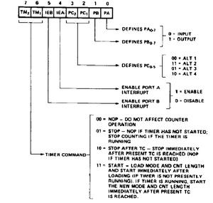
8155的I/O工作方式選擇是通過對8155內部命令暫存器設定控制字實現的。命令暫存器只能寫入,不能讀出,命令暫存器的格式如圖6-16所示。
在ALT1~ALT4的不同方式下,A口、B口及C口的各位工作方式如下:
ALT1:A口,B口為基本輸入/輸出,C口為輸入方式。
ALT2:A口,B口為基本輸入/輸出,C口為輸出方式。
ALT3:A口為選通輸入/輸出,B口為基本輸入/輸出。PC0為AINTR,PC1為ABF,PC2為 ,PC3~PC5為輸出。
ALT4:A口、B口為選通輸入/輸出。PC0為AINTR,PC1為ABF,PC2為 ,PC3為BINTR,PC4為BBF,PC5為 。

8155內還有一個狀態暫存器,用於鎖存輸入/輸出口和定時/計數器的當前狀態,供CPU查詢用。狀態暫存器的連線埠地址與命令暫存器相同,低8位也是00H,狀態暫存器的內容只能讀出不能寫入。所以可以認為8155的I/O口地址00H是命令/狀態暫存器,對其寫入時作為命令暫存器;而對其讀出時,則作為狀態暫存器。
狀態暫存器的格式如圖6-17所示。

3、8155的定時/計數器
8155內部的定時/計數器實際上是一個14位的減法計數器,它對TIMER IN端輸入脈衝進行減1計數,當計數結束(即減1計數“回0”)時,由TIMER OUT端輸出方波或脈衝。當TIMER IN接外部脈衝時,為計數方式;接系統時鐘時,可作為定時方式。
定時/計數器由兩個8位暫存器構成,其中的低14位組成計數器,剩下的兩個高位(M2,M1)用於定義輸出方式。其格式如下:
