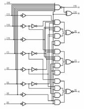
晶片管腳
管腳圖0-7 編碼輸入端(低電平有效)
EI 選通輸入端(低電平有效)
A0、A1、A2 三位二進制編碼輸出信號即編碼 輸 出 端(低電平有效)
GS 片優先編碼輸出端即寬展端(低電平有效)
EO 選通輸出端,即使能輸出端
功能表
| 輸入 | 輸出 | ||||||||||||
| EI | 0 | 1 | 2 | 3 | 4 | 5 | 6 | 7 | A2 | A1 | A0 | GS | EO |
| 1 | X | X | X | X | X | X | X | X | 1 | 1 | 1 | 1 | 1 |
| 0 | 1 | 1 | 1 | 1 | 1 | 1 | 1 | 1 | 1 | 1 | 1 | 1 | 0 |
| 0 | X | X | X | X | X | X | X | 0 | 0 | 0 | 0 | 0 | 1 |
| 0 | X | X | X | X | X | X | 0 | 1 | 0 | 0 | 1 | 0 | 1 |
| 0 | X | X | X | X | X | 0 | 1 | 1 | 0 | 1 | 0 | 0 | 1 |
| 0 | X | X | X | X | 0 | 1 | 1 | 1 | 0 | 1 | 1 | 0 | 1 |
| 0 | X | X | X | 0 | 1 | 1 | 1 | 1 | 1 | 0 | 0 | 0 | 1 |
| 0 | X | X | 0 | 1 | 1 | 1 | 1 | 1 | 1 | 0 | 1 | 0 | 1 |
| 0 | X | 0 | 1 | 1 | 1 | 1 | 1 | 1 | 1 | 1 | 0 | 0 | 1 |
| 0 | 0 | 1 | 1 | 1 | 1 | 1 | 1 | 1 | 1 | 1 | 1 | 0 | 1 |
實物圖1-高電平0-低電平 X-任意
邏輯及工作極限
邏輯圖電源電壓:min 4.75V type 5.0V max 5.25V
輸入電壓:min 2V
發射極間電壓:±5.5V
工作環境溫度 :0~70℃
貯存溫度:-65~150℃

