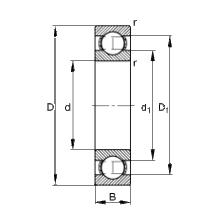
軸承尺寸
型號:6002
系列:深溝球軸承
內徑:15mm
外徑:32mm
厚度:9mm
樣本圖
6002軸承
6002軸承
6002軸承屬於深溝球軸承系列,內徑是15mm,外徑是32mm,厚度是9mm。
型號:6002
系列:深溝球軸承
內徑:15mm
外徑:32mm
厚度:9mm
6002軸承
6002軸承NSK 6002軸承是NSK品牌下的一款軸承,屬於深溝球軸承系列。
mm外徑:32 mm動載:5600 mm靜載:2850
6002軸承參數 6002軸承的用途 6002軸承的樣本圖= =
NACHI 6002軸承用途FAG 6002軸承樣本圖片
FAG 6002軸承用途 FAG 6002軸承樣本圖片"單列
ZZ軸承新型號:6002 ZZ舊型號:6002 6002
6002 ZZ軸承參數 6002 ZZ軸承的用途 6002 ZZ軸承的樣本圖7217ADF軸承 7218ADF軸承 7219ADF軸承
FAG 6002軸承尺寸參數 FAG 6002軸承的用途 6002軸承的銷售網路6001軸承 6002軸承 6010軸承
NSK 深溝球軸承 相關型號 NSK 6206ZZ軸承 實圖展示