作用
高爐爐缸部分設有出鐵口和出渣口,用以按時放鐵和放渣。開堵出鐵口和出渣口是高爐爐前一項重要的生產操作,過去都用人力完成,但由於鐵水和渣水溫度高,出量大,且在出鐵出渣結束時,往往從渣口鐵口噴出液態的渣鐵,這樣,不但工作條件十分惡劣,而且極易造成人身事故和設備事故,故近代高爐的這些操作都用專門的機械去完成。目前用於以上操作的爐前機械有:開鐵口機,堵鐵口機和堵渣口機,對它們的共同要求是:
1、能遠距離控制;2、運動軌跡準確;3、結構牢固和工作可靠。
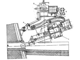
高爐泥炮種類雖多,但其基本結構組成都是:
炮身:包括填泥,吐泥的泥缸及其推泥機構。
迴轉機構:它的作用是把炮身從出鐵從一側移至出鐵溝上方,並對準出鐵口。
送進機構:它的作用是把炮嘴從出鐵溝處送入出鐵口的泥套內。
鎖緊機構:它的作用是把炮嘴壓緊在出鐵IZl泥套上,承受堵口時的反推力。
一般,泥炮可分三種類型:汽動泥炮、電動泥炮和液壓泥炮。目前我國主要採用電動泥炮和液壓泥炮。
改進
液壓泥炮是堵鐵口的專用設備,是高爐的重要組成部分。液壓泥炮是由電動泥炮發展而來的,它保留 了泥炮的動作順序和總體結構。由於液壓泥炮具有打泥推力大、打泥緻密能適應高爐高壓操作、壓緊力穩定、 結構緊湊、 便於操作等特點,目前高爐泥炮已全 部採用液壓泥炮。在生產過程中,液壓泥炮發生故障會產生高爐慢風、 休風現象,影響高爐的連續生產,甚至影響生命財產安全。
液壓泥炮的工作原理
下圖所示為現有的一種典型泥炮液壓系統,主要由 1個液壓缸控制迴路和1個安全控制迴路組成。
泥炮液壓系統液壓缸控制迴路004控制泥炮正常堵塞出鐵口,即換向閥 7.1和 7.2分別控制旋轉油缸13.1的壓緊腔和泥油缸 13.2的無桿腔進油,完成泥炮的工作。旋轉油缸13.1的壓緊腔和打泥油缸13.2的無桿腔均通過單向閥保壓。無其它保壓形式。
液壓泥炮存在的問題
此泥炮液壓系統的安全控制迴路的作用是控制液壓油進入液壓缸控制迴路,即必須首先對安全控制迴路進行操作後才能對液壓缸控制迴路進行操作,否則對液壓缸控制迴路進行的任何操作都不起作用。這樣,此液壓系統避免了誤操作。但是,若迴路001中液控單向閥4的控制油口卡死。液控單向閥4不能打開,將使液壓缸控制迴路不能建立起壓力,影響泥炮正常工作,從而影響高爐的正常生產。而且此液壓控 制系統中旋轉油缸13.1串油或單向閥9.1卡死時,致使高爐出鐵口不能被安全堵塞,影響高爐正常生 產,並給人身和財產安全帶來嚴重威脅。
改進措施
改進後的液壓系統原理圖如下圖所示。
改進後的液壓系統1、旋轉液壓缸13.1串油或單向閥 9.1卡死
增加保壓迴路002,保壓迴路002由小功率定量泵單獨供油,且在保壓迴路中選用具有卸荷功能的換向閥5,這樣在泥炮打泥時保壓迴路為旋轉液壓缸保壓,即使旋轉液壓缸13.1串油或單向閥 9.1卡死,仍能使泥炮嘴緊壓在泥套上, 完成本次周期,消除了安全隱患,保證了高爐的連續生產。在泥炮打泥完成後,定量泵可以通過換向閥 5直接卸荷,減少了系統發熱,提高了元件的使用壽命。
2、液控單向閥卡死
在液控單向閥前後各設1個常開球閥1.9和球閥1.10,且在液控單向閥的進、出油口之間並聯常閉球閥,這樣在液控單向閥出現問題時,可以通過關閉球閥1.9 和球閥 1.10、打開球閥 1.11來使本次操作順利完成,保證了高爐的連續生產。
設計要求
1、有足夠的一次吐泥量除填充被鐵、渣水沖大了的鐵口通道外,還必須保證有足夠的炮泥擠入鐵口內。在爐內壓力的作用下,這崆炮泥擴張成蘑菇狀貼於爐缸內壁上,起修補爐襯的作用。
2、有一定的吐泥速度吐泥過快,使炮泥擠入爐內焦炭中,形不成蘑菇狀補層,失去修補前牆的作用。吐泥過慢,容易使炮泥在進入鐵口通道過程中失去塑性,增加堵泥阻力,爐缸前牆也得不到修補。
3、有足夠的吐泥壓力 為克服鐵口通道的摩擦阻力、炮泥內摩擦阻力、爐內焦炭阻力等,要求炮嘴出口泥壓力為(30~40)×10 Pa。
4、操作安全可靠,可以遠距離控制 由於高爐大型化並採用了高壓操作,出鐵後爐內噴出大量的渣鐵水,所以要求堵口機一次堵口成功,並能遠距離控制堵口機各個機構的運轉。
5、炮嘴運動軌跡準確經調試後,炮嘴一次對準出鐵口。

