水壓液動旁路保護裝置
圖1 水壓液動旁路保護系統如圖1(1—凝結水總閥;2—濾網;3、5—截止閥;4—電磁閥;6—電磁閥旁路閥;7—節流孔板;8—水動活塞;9—入口聯成閥;10—高壓加熱器;11—出口止回閥;12—控制閥;13—注水放水閥;15—排水閥)所示為國產高壓加熱器水壓液動旁路保護系統。該系統由人口聯成閥、出口止回閥以及控制這些閥門動作的高壓水管路系統組成。進口閥與旁通閥共用一個閥瓣,稱為聯成閥,其結構如圖2所示。止回閥位於加熱器出水管口,其結構如圖3所示。聯成閥與止回閥通過加熱器外部的一根旁通管相連。正常運行時,聯成閥在最高極限位置,此時旁通閥門全關,進口閥全開,給水由入口連線管進入加熱器內的管束中,經管壁外的加熱蒸汽加熱後頂開止回閥流出。
聯成閥採用低壓凝結水控制的外置活塞式結構,由於三台高壓加熱器共用一個旁路(稱大旁路),當任意一台高壓加熱器故障引起汽側水位升高並超過水位上限時,水位計上電接點接通,開啟電磁閥,由凝結水泵來的凝結水經濾網、電磁閥進入聯成閥活塞上部,活塞在壓力水的作用下,克服下部的彈簧力,強行關閉進口聯成閥,中斷加熱器進水,同時旁通閥打開,出口止回閥由於下部失去水壓而落下,給水直接由旁通管送至鍋爐。同時,相應高壓加熱器抽汽管道上的進汽閥和止回閥連鎖關閉,該高壓加熱器解列。當電磁閥失靈時,應手動開啟電磁閥旁通閥使保護裝置動作。
投入高壓加熱器時,可開啟聯成閥活塞上部的放水閥,使活塞上部泄壓,活塞在其下部彈簧力的作用下向上移動,開啟進口閥同時關閉旁路閥,給水進入加熱器。
旁路系統投入運行的操作方法是:①首先開啟加熱器注水閥,向加熱器內注水,消除加熱器進口閥和出口止回閥前後的壓力差。②開啟凝結水總閥,關閉電磁閥的旁路閥,使凝結水經節流孔板(兩個)進入水動活塞的上部。為了防止水動活塞鏽蝕而引起加熱器進口聯成閥失靈,在水動活塞上設有通水孔,一部分凝結水經通水孔流入活塞下部,由排水閥排出。③開啟水動活塞上部的放水閥,將水動活塞上部的凝結水壓力泄掉,水動活塞在其下部彈簧力的作用下,帶動進口聯成閥向上開啟,旁通閥關閉。在加熱器進口聯成閥開啟,旁通閥關閉的同時,出口止回閥在給水壓力的作用下也自動開啟。④加熱器給水系統投入運行後,及時關閉注水閥和凝結水放水閥。⑤在正常運行中凝結水經節流孔板進入水動活塞的上部,保持活塞上部經常充滿一定壓力的壓力水,以保證水動活塞在事故時能及時準確地動作。
電氣旁路保護裝置
圖2 電氣旁路保護系統電氣旁路保護系統如圖2(1—進水閥;2—出水閥;3—旁路閥;4—啟動注水閥;5—水位計;6—事故疏水閥;7—繼電器;8—信號燈)所示。600MW機組多採用這種系統。該裝置由高壓加熱器的進出水閥、旁路閥、事故疏水閥、繼電器和信號燈等組成。加熱器進出水閥、旁路閥都是電動的,由三台加熱器的水位計通過繼電器控制。當任一台高壓加熱器發生故障,加熱器水側水位升高至極限位置時,水位計發出高水位信號送到繼電器,繼電器動作發出電信號,接通加熱器進水閥、出水閥和旁路閥的電氣線路,這時加熱器進水閥、出水閥自動關閉,旁通閥開啟,給水由旁通管直供鍋爐,同時事故疏水閥打開進行疏水,信號燈發出聲光信號報警,高壓加熱器抽汽管上的進汽閥和止回閥也自動關閉,三台加熱器同時解列。
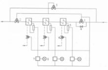
圖3 600MW機組高壓加熱器的保護旁路當全部高壓加熱器採用大旁路時,只要任何一台高壓加熱器故障,保護裝置動作,所有的高壓加熱器都要停運,會使鍋爐給水溫度明顯下降。儘管如此,由於高壓加熱器製造質量的提高,目前大容量機組中採用大旁路的較多,也有的機組每台高壓加熱器單獨設定一套旁路(小旁路)保護裝置,機組的熱經濟提高,但會增加一定的投資。還有的採用混合旁路,既有大旁路又有小旁路。如圖3所示某電廠600MW機組高壓加熱器的保護旁路即是混合旁路。1號高壓加熱器採用小旁路保護,2號和3號共用一套旁路保護裝置(大旁路),兼顧了機組的安全性和經濟性。
高壓加熱器自動保護裝置必要性
在高壓加熱器中給水壓力與加熱蒸汽壓力相差很大,由於製造工藝、檢修質量或運行過程中操作不當,常引起加熱器給水泄漏、管束破裂事故。為了在高壓加熱器發生故障時,不致中斷鍋爐給水或高壓水從抽汽管倒流入汽輪機,造成汽輪機水擊事故,在高壓加熱器上設有自動旁路保護裝置。其作用是當高壓加熱器發生故障或管子破裂時,能迅速地切斷進入加熱器管束的給水,同時又能由旁路向鍋爐供水。
