電焊機
普通電焊機簡介電焊機就是一個特殊的變壓器。所不同的是變壓器接負載時電壓下降小,電焊機接負載時電壓下降大.這主要是通過調解磁通和串聯電感的電感量來實現的,普通電焊機的工作原理和變壓器相似,是一個降壓變壓器。在次級線圈的兩端是被焊接工件和焊條,引燃電弧,在電弧的高溫中將工件的縫隙和焊條熔接。 電焊變壓器有自身的特點,就是具有電壓急劇下降的特性。在焊條引燃後電壓下降;在焊條被粘連短路時,電壓也是急劇下降。這種現象產生的原因,是電焊變壓器的鐵芯特性產生的。 電焊機的工作電壓的調節,除了一次的220/380電壓變換,二次線圈也有抽頭變換電壓,同時還有用鐵芯來調節的,可調鐵芯的進入多少,就分流磁路,進入越多,焊接電壓越低。 雖然電路是閉合的,可正是因為電路是閉合的才使得在整個閉合電路和電流處處相等;但各處的電阻可是不一樣的,特別是在不固定接觸處的電阻最大,這個電阻在物理中叫接觸電阻。根據電流的熱效應定律(也叫焦爾定律),Q=I2Rt可知,電流相等,則電阻越大的部位發熱越高,電焊在焊接時焊條的觸頭也被接的金屬體的接觸處的接觸電阻最大,則在這個部位產生的電熱自然也就最多,焊條又是熔點較低的合金,自然的容易熔化了,熔化後的合金焊條芯沾合在被焊物體上後經過冷卻,就把焊接對象粘合在一塊了。此時,由於焊條提起的瞬間上述間隙極小,焊條和焊件之間的電壓又較高(60--70v),再加上述預熱使焊條端點和焊件被焊處容易發射電子,結果間隙處的空氣被擊穿而導電,同時產生耀眼的火花,這就是弧光放電。弧光放電處的溫度能達到2000K以上,焊條和焊件被溶化,從而實現了焊接。弧光放電開始後,焊條端點和焊件的電壓降(簡稱電弧電壓)為約為30V,電弧形成的負載是電阻性負載。

和變壓器相似,是一個降壓變壓器。在次級線圈的兩端是被焊接工件和焊條,引燃電弧,在電弧的高溫中產生熱源將工件的縫隙和焊條熔接。
電焊變壓器有自身的特點,就是具有電壓急劇下降的特性。在焊條引燃後電壓下降;在焊條被粘連短路時,電壓也是急劇下降。這種現象產生的原因,是電焊變壓器的鐵芯特性產生的。
電焊機的工作電壓的調節,除了一次的220/380電壓變換,二次線圈也有抽頭變換電壓,同時還有用鐵芯來調節的,可調鐵芯的進入多少,就分流磁路,進入越多,焊接電壓越低。
電焊原理其實就是:由我們常用的220V電壓或者380V的工業用電通過電焊機里的減壓器降低了電壓,增強了電流,利用電能產生的巨大熱量融化鋼鐵,焊條的融入使鋼鐵之間的融合性更高,還有,電焊條的外層的藥皮起了非常大的作用,不信你把藥粉敲了看能焊接不:)
手工電弧焊使用的電焊條,由藥皮和焊芯兩部分組成。焊接時,電焊條作為一個電極,一方面起傳導電流和引燃電弧的作用,使電焊條與基本金屬間產生持續的、穩定的電弧,以提供熔化焊所必需的熱量。另一方面,電焊條又作為填充金屬加到焊縫中去,成為焊縫金屬的主要成分。因此,電焊條的組成物與電焊條質量,將直接影響焊縫金屬的化學成分、機械性能和物理性質。另外,焊條對於焊接過程的穩定性、焊縫的外表質量、焊接生產率等也有很大的影響。
焊芯是焊條的金屬芯。為了保證焊縫的質量,對焊芯中各種金屬元素的含量,都有嚴格的規定。特別是對有害雜質(如硫、磷等)有嚴格的限制,焊芯金屬的質量應優於母材。
沒有藥皮的光桿焊條是不能進行電弧焊接的。這是因為電弧穩定性很差,飛濺很大,焊縫成形不好。經過長期實踐,逐漸發現在焊芯外面塗上某些礦物原料(即焊條藥皮),焊條性能得到很大改善。
有以下幾種作用:
(1)確保電弧穩定燃燒,使焊接過程正常進行;
(2)利用藥皮反應後產生的氣體,保護電弧和熔池,防止空氣中的有害氣體(如氮、氧等)侵入熔池,如這些氣體侵入會造成焊材產生裂紋和氣孔等,使焊接達不到理想效果。
(3)藥皮熔化後形成熔渣,覆蓋在焊縫表面上保護焊縫金屬,使焊縫金屬緩慢冷卻,有助於氣體逸出,
防止氣孔產生,改善焊縫的組織和性能;
(4)藥皮熔化後會進行各種冶金反應,如脫氧、去硫、去磷等,從而提高焊縫質量,減少合金元素燒損;
(5)通過藥皮將所需要的合金元素摻加到焊縫金屬中去,改進和控制焊縫金屬的化學成分,以獲得所希望的性能;
(6)藥皮在焊接時形成套管,增加電弧吹力,集中電弧熱量,促進熔滴過渡到熔池,有利於完成焊接過程
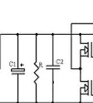
電焊機主迴路
簡介一、主迴路指焊機中提供功率電源的電路部分。
二、主迴路原理圖
1、K——電源開關
用以接通(或切斷)與市電(220V、50赫茲)的聯繫
2、 RT——起動電阻
因焊機啟動時要給後面的濾波電解電容充電。為避免過大的開機浪涌電流損壞開關及觸發空開跳閘,在開機時接入啟動電阻,用以限制浪涌電流。正常工作後,啟動電阻被繼電器短路。實際電路中,為避免因開機浪涌電流衝擊肇成啟動電阻損壞,起動電阻採用了熱敏電阻(PTC和NTC),它們具有良好的耐衝擊性。
3、 J1——繼電器
開關接通之後,電流通過啟動電阻給濾波電解電容充電,當電容電壓達到一定值時,輔助電源開始工作提供24V電,使繼電器吸合,將啟動電阻短路。
4、 DB——矽橋
此矽橋用於一次整流,將市電220V、50赫茲交流電整流後輸出308V的直流電。
5、 C1——電解濾波電容
整流後輸出的308V的直流電為脈動直流,此電容起濾平作用
6、 R——放電電阻
在關機以後,濾波電容中存有很高電壓,為了安全,用此電阻將存電放掉。
7、 C2——高頻濾波電容
在高頻逆變中,需要給開關管提供高頻電流,而電解濾波電容因本身電感及引線電感的原因,不能提供高頻電流,因此需要高頻電容提供。
8、 Q——開關管
開關管Q1、Q2、Q3、Q4組成全橋逆變器,在驅動信號作用下,將308V直流轉變成100KHz(10萬赫茲)交流電的。
9、 C3——隔直電容
為避免直流電流流過變壓器肇成變壓器飽而接入此電容。
10、T1——主變壓器
變壓器的作用是將308V的高壓變換成適合電弧焊接所需要的幾十伏的低壓。
11、D——快速恢復二極體
D5、D6的作用是二次整流,即將100KHz的高頻交流電流再次轉變成直流電流。
12、L1——電抗器
電抗器具有平波續流作用,可使輸出電流變得連續穩定,保證焊接質量。
13、RF——分流器
分流器是用錳銅製成的大功率小阻值的電阻,用於檢測輸出電流的大小,提供反饋信號。

t1時段 K1、K4導通, K2、K3關斷
電流方向: 正極 K1 T C1 K4 地
t2時段 K1、K4、K2、K3關斷
無電流
t3時段 K1、K4關斷, K2、K3導通
電流方向: 正極 K2 C1 T K3 地
t4時段 K1、K4、K2、K3關斷
無電流
從上述分析看,在t1與t3時段里,流過變壓器T的電流方向正好相反,也就是將直流電變成了交流電。五、主迴路中點波形圖
電焊機的工作原理
電流電壓經三相主變壓器降壓,由可控矽元件進行整流,並利用改變可控矽觸發角相位來控制輸出電流的大小。從整流器直流輸出端的分流器上取出電流信號,作為電流負反饋信號,隨著直流輸出電流增加,負反饋也增加,可控矽導通角減小,輸出電流電壓降低,從而獲得下降的外特性。推力電路是當輸出端電壓低於15V時,使輸出電流增加,特別是短路時,形成外拖的外特性,使焊條不易粘住。引弧電路是每次起弧時,短時間增加給定電壓,使引弧電流較大,易於起弧。
從以上敘述可以知道,電焊起弧的時候電路是處於短路狀態,電壓急劇下降,電流需要很大;起弧後要穩弧,這時候焊條和容池的溶液還是短路過渡狀態,電壓還是下降,電流還是大;過渡完畢後處於正常焊接狀態,電壓回升,電流下降。
起弧電流是電焊機工作在焊接起弧時能夠輸出的最大電流。
推力電流是電焊機焊接時鐵水在短路過渡時,焊機另外疊加一電流,使鐵水穩定過渡,不易粘條。
焊接電流是電焊機正常焊接的時候提供的工作電流。(可以在控制臺上調節)

