術語介紹
電流是基本物理量之一,以安培(A)為單位。
形成
當1A恆定電流保持在真空中相距 1米的兩無限長、圓截面可忽略的平行直導線內時,在此兩條導線之間在每米長度上所產生的力為2×10-7牛頓。由於無法實現這一理論定義,實際上採用儘可能接近於定義條件的裝置來復現安培。
如電流天平是利用恆定電流通過兩個標準尺寸的線圈時所產生的力作用於天平一端,而以標準砝碼作用於另一端,求得線圈間作用力的量值,從而復現電流單位。電流頻率範圍寬,除直流外,可分為低頻電流和高頻電流,其間沒有嚴格的頻率界限,大致以1兆赫劃分。
測量直流和低頻電流常用標準電阻降壓法,即測出標準電阻上的電壓值後計算電流值。此法量程大,可從納安到數十安培;精確度高,直流可達百萬分之幾,低頻時可達萬分之幾。
電流測量測量方法
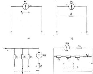
測量高頻電流的主要方法有熱電法、測輻射熱器法。①熱電法:可用於直流、低頻和高頻電流測量(圖1)。測交流電流時,將被測電流信號從左端送入,記下指示器值;再以直流輸入,得到相同示值時的直流電流值即等於所測交流電流值。此直流電流須經校準以保證高精度。熱電法電路的核心是熱電偶,為消除其正反向誤差,測直流時應調換電偶兩端的接線方向,然後取兩次的平均值。這種方法量程範圍寬,約10-3~102安;精確度高,可達±10-5,是用得最多的一種方法。②測輻射熱器法:利用測輻射熱器阻值變化僅與所加的功率大小有關而與頻率無關這一特性,採用測輻射器電橋電路,以直流電流替代高頻電流而測出高頻電壓,然後以電壓和電阻求得電流 (圖2)。為減少駐波影響,應使測輻射熱器的阻值儘可能與傳輸線特性阻抗相等。輸出連線埠一般接有諧振迴路或1/4波長短路線以減少分流影響。這種方法精確度約為±(10-2~10-3),使用頻率可達幾吉赫。
其他方法
電流測量測量高頻電流還有利用測出已知電阻上所加功率而算出電流值的功率法和利用光電轉換後求得電流值的光電法。為擴大電流量程,可用電阻分流器法(適於低頻)、電感和電容分流器法(適於高頻)和互感器法(也稱電流比較儀法,適於低頻和高頻)等。
不足之處
電流測量系統中,由於被測件與測量儀器是串聯接入,負載效應較大,因而增加了測量的困難。

