簡介
電流傳輸器是四端(可能五端)集成器件,它是最早被提出的電流模式萬用功能塊。
電流傳輸器是一種功能很強的標準部件,將電流傳輸器與其它電子元件組合可以十分簡便地構成各種特定的電路結構,實現多種模擬信號處理功能,在這一點上電流傳輸器與通用電壓模式運算放大器是相似的。
電流傳輸器是一種電流模式電路,模擬電路的設計者們發現電流傳輸器能提供若干優於通用運算放大器的電路性能。模擬技術中的幾種最基本的信號處理功能加、減、比例積分等用電流傳輸器都可以方便地實現。而且,由於電流傳輸器具有電壓輸入端和電流輸入端,因此,利用電流傳輸器既可以方便地實現電壓模式信號處理電路,也可以方便地實現電流模式信號處理電路。電流傳輸器電路,無論信號大小,都能比相應的基於電壓運算放大器的電路提供更大頻寬下的高電壓增益,即更大的增益頻寬積。電流傳輸器為性能較高的複雜電路設計提供了另一種方法,有助於開發一些新的電路。
連線埠特性
第一代電流傳輸器CCI
第一代電流傳輸器符號Smith和Sedra在1968年提出的第一代電流傳輸器是接地的三連線埠網路,即四端器件,其符號表示如圖所示。
符號中的Y和X是輸入端,Z是輸出端,另一端是公共接地端。該器件的基本作用是,如果有一電壓作用於輸入端Y,則在輸入端X呈現一相等的電壓。如果有一輸入電流I流進X端,則有等量的電流流進Y端,同時,電流I將被傳送到輸出端Z。這樣,使得Z端具有高輸出阻抗和電流值為II的恆流源特性。由Y端電壓確定X端電壓與流進X端的電流無關;而由X端電流確定的流經Y端的電流也與作用於Y端的電壓無關。因此,這種器件在X連線埠具有虛短路的輸入特性,在Y連線埠具有虛開路的輸入特性。
第二代電流傳輸器CCII
第二代電流傳輸器符號為增加電流傳輸器的通用性Smith和Sedra在1970年對CCI的特性加以改進,提出了沒有電流流入Y輸入連線埠的第二代電流傳輸器,其符號如圖所示。
CCII的Y連線埠電流為零,X連線埠的電壓跟隨Y連線埠電壓,Z連線埠的電流跟隨X連線埠的電流。CCII與CCI的區別是消除了Y連線埠的電流。由此可見,Y是電壓輸入端,Y連線埠呈現的輸入阻抗為無窮大;X是電流輸入端,而且X連線埠電壓跟隨加於Y連線埠的電壓,因而X連線埠呈現零輸入阻抗;低阻抗X輸入端的電流傳輸到高阻抗的Z輸出端,在Z連線埠產生一個可控輸出電流,該電流僅取決於X端的輸入電流,電流方向可相同也可相反,並以CCII或CCII區分。顯然,傳輸到Z端的電流可以直接由X端注入,也可以由Y端的輸入電壓變換產生。
基本套用
電流傳輸器是通用性很強的標準部件,將它與其它電子元件組合可以構成電流傳輸器的多種套用電路。其中,最基本的套用電路有兩類,一類是有源網路元件模擬電路,另一類是模擬信號處理電路。與基於常規電壓型運算放大器的套用電路比較,電流傳輸器套用電路的主要優點是具有更大的增益頻寬積,即更高增益下的更大頻寬。此外,由於電流傳輸器CCII具有高阻抗(電壓)輸入連線埠和低阻抗(電流)輸入連線埠,所以用電流傳輸器既可以方便地構成電壓模式套用電路,也可以方便地構成電流模式套用電路。第二代電流傳輸器比第一代電流傳輸器更有通用性和靈活性,因此CCII比CCI更有用。
特點
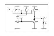
CCII由4個基本電流鏡和電晶體組成,輸入端x,y的電流分別經輸出級電晶體傳輸到z+和z-。
CCII基本電路的輸出阻抗是一個有限值,取決於輸出級mos管的輸出電阻。CCII的基本結構模型在10 mhz頻率範圍內雖然擁有很好的電壓和電流跟隨特性,但作為電流模式電路,其z連線埠的輸出阻抗偏低,只有幾千歐,實際套用中需要外接高阻值電阻完成電流到電壓的轉換。這種現象可以通過改變CCII電路結構提高輸出電阻的方法加以改善。

