產品簡介
電容電流測試儀,是直接從PT的二次側測量配電網的電容電流,與傳統的測試方法相比,該儀器無需和一次側打交道,因而不存在試驗的危險性,只需將測量線接於PT的開口三角端就可以測量出電容電流的數據。
由於從PT開口三角處注入的是微弱的異頻測試信號,不會對繼電保護和PT本身產生任何影響,又避開了50Hz的工頻干擾信號,同時測試儀的輸出端可以耐受100V的交流電壓,若測量時系統有單相接地故障發生,亦不會損壞PT和測試儀,因而無需做特別的安全措施。
用途特點
本儀器適用配網電壓等級:6kV、10kV和35kV中壓配電網中性點不接地系統。
目前,我國配電系統的電源中性點一般是不直接接地的,所以當線路單相接地時流過故障點的電流實際是線路對地電容產生的電容電流。據統計,配電網的故障很大程度是由於線路單相接地時電容過大而無法自行息弧引起的。因此,我國的電力規程規定當:3-10KV不直接連線發電機的系統和35、66KV系統,當單相接地電容電流不超過下列數值時,應採用不接地方式;當超過下列數值又需要在接地故障條件下運行時,應採用消弧線圈接地方式。(1)3-10KV鋼筋混凝土貨金屬桿塔的架空線路構成的系統和所有35、66KV系統,10A;(2)3-10KV非鋼筋混凝土和金屬桿塔的架空線路構成的系統,當電壓為:1)3KV和6KV時,30A;2)10KV時,20A;3)3-10KV電纜線路構成的系統,30A。應裝設消弧線圈以補償電容電流,這就要求對配網的電容電流進行測量以做決定。
另外,配電網的對地電容和PT的參數配合會產生PT鐵磁諧振過電壓,為了驗證該配電系統是否會發生PT諧振及發生什麼性質的諧振,也必須準確測量配電網的對地電容值。傳統的測量配網電容電流的方法有單相金屬接地的直接法、外加電容間接測量法等,這些方法都要接觸到一次設備,因而存在試驗危險、操作繁雜,工作效率低等缺點。
測試儀直接從PT的二次側測量配電網的電容電流,無需做繁雜的安全措施和等待冗長的調度命令,只需將測量線接於PT的開口三角端就可以測量出電容電流的數據。由於從PT開口三角處注入的是微弱的異頻測試信號,所以既不會對繼電保護和PT本身產生任何影響,又避開了50Hz的工頻干擾信號,同時測試儀的輸出端可以耐受100V的交流電壓,若測量時系統有單相接地故障發生,亦不會損壞PT和測試儀,因而無需做特別的安全措施使這項工作變得安全、簡單、快捷,且測試結果準確、穩定、可靠。該測試儀採用大螢幕液晶顯示,中文選單,操作非常簡便,且體積小、重量輕,便於攜帶進行戶外作業,接線簡單,測試速度快,數據準確性高,大大減輕了試驗人員的勞動強度,提高了工作效率。
工作原理
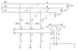
電容電流測試儀是從PT開口三角來測量電容電流的,其測量原理如圖:
從PT開口三角L,N注入一個異頻電流(非50Hz交流電流,為了避開工頻電流的干擾),這樣在PT高壓側就感應到一個按變比減小的電流,此電流為零序電流,其在三相的大小和方向相同,因此他在電源側和負荷側均不能流通,只能通過PT和對地電容形成迴路,這樣就可以根據簡化了的物理模型建立相應的數學運算,通過檢測信號就可以測量出三相對地電容3Co,在根據公式就可以算出系統的電容電流。

