概念
電壓應力就是工作電壓與額定電壓的比值,例4N60的MOS管,它工作時的峰值電壓為500伏,則此MOS管的電壓應力為500/600=0.8333,MOS管的電壓應力一般小於0.9。電解電容的電壓應力一般為80%~90%。
分析
高壓直流輸電晶閘管閥在換相關斷時會發生電壓突變,由於電路雜散電容和電感的存在,該突變電壓會引起電壓振盪,形成暫態電壓過沖,對晶閘管及其他電氣元件造成很大的電壓應力。一般在電路中設計與晶閘管並聯的 RC 阻尼電路,減小電壓應力保護晶閘管。晶閘管閥換相關斷的電壓應力既是型式試驗和出廠試驗的重要考核指標,也是閥電氣特性研究和電氣設計的重要內容,有必要進行詳細分析。
有許多文獻對高壓直流輸電晶閘管閥的關斷電壓應力及其重要性作了闡述,但關於閥關斷電壓應力分析的文獻鮮見報導。研究 對此進行了闡述,但其等效電路過於簡化,未計入閥電抗器的作用,也未考慮晶閘管反向電流和反向恢復電荷的影響等,不能充分反映閥換相關斷的真實情況,因此無法獲得滿意的計算結果。先關文獻對熄弧角γ =90º這種特殊運行工況下的關斷電壓應力作了較為透徹的仿真分析,但未考慮晶閘管反向電流衰減時間常數的影響,關斷閥的表示也過於複雜。研究在文獻電路模型的基礎上作了改進:如最佳化晶閘管關斷機制,用電流源表示;考慮反向電流及其衰減時間常數τ的影響;簡化了關斷閥的電路結構,既保持了精確度,又便於解析分析等;此外,拓展了原等效電路的適用範圍,從γ =90º時閥自身關斷的特定仿真拓展到整流器全工況運行(觸發角α =0º~90º)的閥關斷電壓應力分析,並推導出了閥和晶閘管級關斷電壓的解析方程。分析電路和分析方法同樣適用於逆變運行的換流閥。
關斷引起
圖1 閥自身關斷的分析電路模型閥關斷過程的持續時間只有幾十到幾百μs,繞組電壓可用直流電壓源表示。以閥 V為例,當閥自身關斷時, V和 V 已導通且電抗器飽和,可用短路表示。其他斷態閥 V~V用阻尼電路表示,可忽略閥電抗器,關斷閥 V以閥電抗器、阻尼支路和電流源表示。在關斷過程中,閥電抗器將流過小幅值的反向電流,此時閥電抗器未飽和或飽和程度很低,基本表現為線性電感;而閥電抗器電阻和電容、直流均壓電阻對閥關斷過沖的影響甚微,可以忽略。最終得到分析電路如圖1所示。
圖2 不同觸發延遲角的關斷電壓應力閥自身關斷的電壓應力受多項參數影響,主要有晶閘管觸發延遲角α,閥
內晶閘管的平均存儲電荷 Q,阻尼電容 C,阻尼電阻 R等。改變觸發延遲角α,也就改變了理想躍變電壓 U,從而改變k和I,進一步影響晶閘管
電壓應力由圖2可見:以整流方式運行時,關斷電壓應力開始隨α增大,在α =83°( γ =90°)時達到最大,此後略有減少; 當γ =90°,U=-U= ,Ua =0,閥關斷躍變電壓也達到最大,為繞組線電壓峰值;當變流器啟動或出現暫時過電壓,控制器會自動調整使變流器以近 90°觸發延遲角運行,因此可以認為是暫態下晶閘管閥的最大關斷電壓應力。
他閥關斷引起
圖3 他閥關斷的電壓應力分析電路其他閥在換相關斷時會在斷態閥上引起電壓過沖,形成他閥關斷的電壓應力。如閥 V、V 換相關斷時,會在閥 V 上形成大小一致的反向電壓過沖。以閥 V 關斷為例,分析電路如圖3所示,與閥自身關斷的分析電路模型(圖1(a))在結構上一致,只是部分元件位置發生變化。同樣,相關變數可按圖1(b)疊加原理進行計算,而相應元件參數和變數在圖1(b)中外加括弧以示區別。
他閥關斷引起的電壓過沖同樣受α、Q、C、R 等參數影響。其他參數一定,改變α,反向恢復電壓峰值 U如圖2所示。α較小時,U中 U占很大比例,此後 U隨α增大迅速減少,而 U變化較小, α =10°左右時由他閥關斷引起的反向恢復電壓最大,此時α +μ =30°,繞組 a、b 相間電壓達到線電壓峰值。由於整流器穩態運行時觸發延遲角一般約為 10°~20°,這也可視為整流運行的變流器穩態關斷的電壓應力。
閥及晶閘管
在觸發延遲角較小時,最大關斷電壓由其他閥關斷引起,此後由閥自身關斷決定。這也是以整流方式正常運行(包括穩態運行和 1.0 pu 的暫態運行方式)的晶閘管閥在不同觸發延遲角時承受的最大電壓應力。某些閥由於關
斷過沖較小,也可能在觸發延遲角較小時,閥的最大電壓應力即為閥側繞組線電壓峰值。對於逆變閥,按上述方法可獲得類似的分析電路模型,並求得其關斷電壓應力。
研究結論
1)γ =90°時關斷閥上的電壓過沖,是閥暫態運行的最大關斷電壓應力,也是換流閥在運行中可能承受的最大反向電壓。
2)α +μ =30°和γ +μ =30°時斷態閥上的電壓過沖,分別是閥整流和逆變穩態運行的最大電壓應力,也是閥穩態運行中可能承受的最大反向和正向電壓。
3)電路參數中晶閘管反向恢復電荷和阻尼電路參數對關斷電壓應力的影響最大;其他參數的影響較小。
4)阻尼電容越大,閥的關斷電壓應力越小,對應每一阻尼電容,都有確定的阻尼電阻值使閥關斷電壓過沖最小。
5)閥能承受的最大電壓應力受晶閘管電壓耐受水平制約;而晶閘管承受的電壓應力,既與閥的關斷電壓應力有關,也與晶閘管串聯數、反向恢復電荷差異等有關。
對於大容量的直流輸電晶閘管閥,相關運行試驗難以進行。從電路仿真結果和拉普拉斯解析方程式的計算結果來看,閥關斷電壓應力相差不超過 3%。γ =90°時相差僅為 2%,而採用文獻 方法時偏差為 8.1%,因此解析分析方法是可行的。只要構建的變流器拓撲電路參數能充分反映實際情況,就可按照上述方法進行靈活精確的關斷電壓應力分析,為高壓直流輸電晶閘管閥的設計、試驗及性能評價提供基礎和依據。
變換器
研究背景
Boost 變換器由於拓撲簡單、效率高、驅動易於實現、輸入電流連續等優點而在功率因數校正、新能源發電如光伏發電、燃料電池發電等領域得到了廣泛套用。提高變換器工作頻率是提高其性能的最簡單、最直接的方法,然而,隨著開關頻率的提高,開關損耗急劇增加,導致變換器效率降低,進而限制了工作頻率的進一步提高。軟開關技術是降低開關損耗及電磁干擾,提高變換器可靠性的有效方法,一直是電力電子領域研究的熱點之一。諧振或準諧振變換器能實現零電壓或零電流開關,其最主要的缺點在於開關器件的電流、電壓應力大,而且是變頻控制,限制了其套用範圍。ZVS-PWM和ZCS-PWM變換器的開關電壓、電流應力與諧振類變換器相同。ZVT-PWM變換器與諧振變換器相比,其電壓、電流應力要小得多,具有很好的工程實用價值,但其 ZVT 輔助網路增加了電路的複雜度,輔助開關的驅動必須與主開關同步,而且是硬關斷,會帶來一定的開關損耗和電磁干擾噪聲。
為提高變換器的功率處理能力,交錯並聯技術得到了廣泛套用。研究提出一種低開關電壓應力ZVT Boost變換器,包括兩個基本Boost變換單元,兩變換單元採用交錯控制,其具有以下特點: 1)所有有源開關、二極體實現了或近似實現了零電壓或零電流開通和關斷;2)變換器中有源開關的電壓應力為輸出電壓的一半, 即為基本 Boost 變換器中有源開關電壓應力的一半;3)由於採用交錯控制,輸入電流紋波減小, 紋波頻率加倍,與交錯並聯Boost變換器相同。分析了變換器的工作原理,對變換器的性能進行了詳細分析,給出了實驗結果和結論。
工作原理
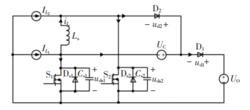
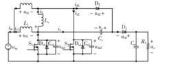
圖4 ZVT 高增益 Boost 變換器
圖5 ZVT 高增益 Boost 變換器的簡化電路所提出的低開關電壓應力ZVT Boost變換器如圖4所示,在分析其工作原理之前作如下假設: 1)電感L、L足夠大且相等,電感電流 i、i紋波可忽略且大小相等,分別用電流源I、I等效,並且I =I= I;2) 電容C、C 足夠大,電容電壓u、u紋波可忽略,分別用電壓源U、U等效;3) 所有開關器件都是理想器件,不考慮寄生參數等的影響;4)有源開關S、S的輸出電容C、C相等,即C=C=C。基於以上假設,ZVT 高增益 Boost 變換器的簡化電路如圖5所示。在後面的分析中,大寫字母表示變數的穩態值,小寫字母表示變數的瞬時值。
研究結論
研究提出一種低開關電壓應力 ZVT Boost 變換器,兩個有源開關實現了零電壓開通,近似實現了零電壓關斷,兩個二極體近似實現了零電壓開通、 零電流關斷。有源開關的電壓應力為輸出電壓的一半,即為基本 Boost 變換器的一半。由於採用了交錯並聯技術,輸入電流紋波得到了減小,紋波頻率為開關頻率的兩倍,有利於減小輸入濾波器的體積。通過調整變換器工作頻率克服輸入電壓及負載變化對輸出的影響,實現輸出穩定。

