簡介
電動噴霧器,由貯液桶經濾網、聯接頭、抽吸器(小型電動泵)、連線管、噴管、噴頭依次聯接連通構成,抽吸是一個小型電動泵,它經電線及開關與電池電聯接,電池盒裝於貯液桶底部,貯液桶可製成帶有沉下的裝電池的凹槽,電動噴霧器的優點是由於取消了抽吸式吸筒,從而有效地消除了農藥外濾傷害操作者的弊病,並且省力,且電動泵壓力比人手動吸筒壓力大,增大了噴灑距離和範圍。霧化效果好,省時、省力、省藥!
目錄
使用範圍
操作使用
使用範圍
廣泛套用於通用工業設備、醫藥設備、化工設備、農業(草坪及花園)、旅遊車輛、專用車輛、船舶、飲料、車輛清洗、地毯清洗、地面清洗、水淨化及水處理設備。
(一) 生產農業使用的電動噴霧器,也可以手壓噴霧器改裝電動噴霧器(在手壓噴霧器上直接安裝微型水泵,再配一塊電瓶或手提燈即可)。
(二)解決車輛、船舶、遊艇、船艇等在使用中的飲食、洗簌、沐浴、廁所、沖洗的用水。
(三)食品、飲料加工及處理等設備,實現流體食品的轉移、分配、灌裝等。
(四)家庭供水。例如,節水衛生間、節水座便器、電動坐便器、水管增壓系統等。
(五)太陽能工業。
(六)水淨化業。例如,淨化設備、水處理設備、飲水機、純水機等。 可為柔巾機、飲水機、可樂機、果汁機、洗碗機、消毒機、太陽能盆景、汽車玻璃沖洗等生產企業配套。
(七)其他需液體轉移、噴射乃至計量的設備和系統。例如,垃圾車、灑水車、地毯清潔設備、地面清洗設備、車輛清洗設備、道路施工設備、洗碗機、醫藥設備、化工設備、防化設備、消毒設備、冷卻系統、增壓系統等。
操作使用
農業機械作為農業生產和發家致富的好幫手
不但要會選購、善維護,正確操作使用、保養、維護機械也十分重要。
按照《農業機械產品修理、更換、退貨責任規定》第二十三條規定,凡是由個人原因造成的機械故障,不能實行三包。為此,廣大機手注意以下四點:
一、認真讀懂機械使用說明書,掌握結構和性能,切忌囫圇吞棗,自以為是,不能充當“百事通”。
二、操作機械要遵循操作規程,維護保養要講究方法,切忌馬馬虎虎,不能瞎擺弄。
三、農業機械功能有限量,載重車速有規定,切忌“小馬拉大車”,貪小失大。
四、堅決不能操作有病機械,一旦發現機械有毛病,要立即停止操作,及時進行維護和保養。
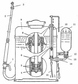
使用技術背負式噴霧器使用方法
背負式噴霧器
1.要正確安裝噴霧器零部件。檢查各連線是否漏氣,使用時,先安裝清水試噴,然後再裝藥劑。
2.正式使用時,要先加藥劑後加水,藥液的液面不能超過安全水位線。噴藥前,先扳動搖桿10餘次,使桶內氣壓上升到工作壓力。扳動搖桿時不能過分用力,以免氣室爆炸。
3.初次裝藥液時,由於氣室及噴桿內含有清水,在噴霧起初的2~3分鐘內所噴出的藥液濃度較低,所以應注意補噴,以免影響病蟲害的防治效果。
4.工作完畢,應及時倒出桶內殘留的藥液,並用清水洗淨倒乾,同時,檢查氣室內有無積水,如有積水,要拆下水接頭放出積水。
5.若短期內不使用噴霧器,應將主要零部件清洗乾淨,擦乾裝好,置於陰涼乾燥處存放。若長期不用,則要將各個金屬零部件塗上黃油,防止生鏽。
在使用中常出現的故障及排除方法
噴霧壓力不足,霧化不良:若因進水球閥被污物擱起,可拆下進水閥,用布清除污物;若因皮碗破損,可更換新皮碗;若因連線部位未裝密封圈,或因密封圈損壞而漏氣,可加裝或更換密封圈。
噴不成霧:若因噴頭體的斜孔被污物堵塞,可疏通斜孔;若因噴孔堵塞可拆開清洗噴孔,但不可使用鐵絲或銅針等硬物捅噴孔,防止孔眼擴大,使噴霧質量變差;若因套管內濾網堵塞或過水閥小球擱起,應清洗濾網及清洗擱起小球的污物。
開關漏水或擰不動:若因開關帽未擰緊,應鏇緊開關帽;若因開關芯上的墊圈磨損,應更換墊圈;開關擰不動,原因是放置較久,或使用過久,開關芯因藥劑的浸蝕而粘結住,應拆下零件在煤油或柴油中清洗;拆下有困難時,可在煤油中浸泡一段時間,再拆卸即可拆下,不可用硬物敲打。
各連線部位漏水:若因接頭鬆動,應鏇緊螺母;若因墊圈未放平或破損,應將墊圈放平,或更換墊圈;若因墊圈乾縮硬化,可在動物油中浸軟後再使用。

