上海迦百農閥門製造有限公司 網址:http://www.shjbn.com/
電動三通調節閥電動三通調節閥類包括調節閥、節流閥和減壓閥,其作用是調節介質的壓力、流量等叄數。 調節閥根據結構分為九個大類: (1)單座調節閥; (2)雙座調節閥; (3)套筒調節閥; (4)角形調節閥; (5)三通調節閥; (6)隔膜閥; (7)蝶閥; (8)球閥; (9)偏心鏇轉閥。前6種為直行程,後三種為角行程。 調節閥、用於調節介質的流量、壓力和液位。根據調節部位信號,自動控制閥門的開度,從而達到介質流量、壓力和液位的調節。調節閥由電動執行機構或氣動執行機構和調節閥兩部分組成。調節並通常分為直通單座式和直通雙座式兩種,後者具有流通能力大、不平衡辦小和操作穩定的特點,所以通常特別適用於大流量、高壓降和泄漏少的場合。 閥門是流體輸送系統中的控制部件,具有截止、調節、導流、防止逆流、穩壓、分流或溢流泄壓等功能。 用於流體控制系統的閥門,從最簡單的截止閥到極為複雜的自控系統中所用的各種閥門,其品種和規格相當繁多。 閥門可用於控制空氣、水、蒸汽、各種腐蝕性介質、泥漿、油品、液態金屬和放射性介質等各種類型流體的流動。閥門的公稱通經從幾mm 的儀錶針型閥到10m 的工業管路用閥。閥門的工作壓力可從1.3×10-3MPa 到1000MPa 的超高壓。工作溫度從-269℃的超低溫到1430℃的高溫。閥門的啟閉可採用多種控制方式,如手動、氣動、電動、液動、電-氣或電-液聯動及電磁驅動等;也可在壓力、溫度或其他形式感測信號的作用下,按預定的要求動作,或者只進行簡單的開啟或關閉。公稱壓力或壓力級:PN1.0-32.0MPa、ANSI CLASS 150-1500LB、JIS10-20K 公稱通徑或口徑:DN10~500、NPS 1/2 ~36" 連線方式:法蘭、對焊、螺紋等適用溫度:-196℃~700℃ 驅動方式:手動、傘齒輪傳動、氣動、電動、液動、氣液聯動、電液聯動閥體材料:WCB、ZG1Cr18Ni9Ti、ZG1Cr18Ni12Mo2Ti、CF8(304)、CF3(304L)、CF8M(316)、CF3M(316L)、Ti。選用不同的材質,可分別適用於水、蒸汽、油品、硝酸、醋酸、氧化性介質、尿素等多種介質。
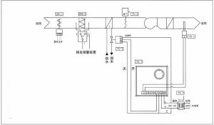
電動三通調節閥的工作原理:
本系統適用於空調系統的新風機組冬、夏季溫度控制。
電動三通調節閥的工作原理圖如右圖所示,由溫度感測器TE-1,比例積分溫度控制器TC一1和電動調節閥TV一1組成送風溫度控制系統,安裝在送風管道的TE一1,把檢測到的溫度信號傳送至TC一1,由TC一1將TE一1的檢測值與設定值不斷比較,同時不斷地輸出信號,控制TV一1的開度連線可調,最終使TE一1測量的環境溫度保持在設定的溫度範圍內。
空氣壓差開關DPS一1是用來檢測過濾網的透氣情況,過濾網越髒,透氣率越低,其兩側的壓力差越大。當壓力差超過DPS一1的設定值時,微動開關運作,發出報警信號。
當盤管後的溫度低於某限值時,低溫保護開關TS一1切斷送風機的電源,從而使新風風閥關閉,防止盤管內的水結冰,漲裂盤管。
SW一1為內置冷/暖運行狀態的轉換。
電動三通調節閥典型套用圖:
電動三通調節閥安裝示意圖
