廣州唯創電子有限公司
錄音晶片的概述錄音晶片:是通過觸發REC錄音鍵隨意錄音保存,並且在錄音完畢後,再觸發PLAY播放鍵播放錄音,並且可以實現重複錄放的一個語音儲存晶片(原理圖在錄音晶片的原理中查看),它包括ADC和DAC兩個過程,都是由晶片本身完成的,包括語音數據的採集、分析、壓縮、存儲、播放等步驟。
ADC=Analog Digital Change 模數轉換
DAC= Digital Analog Change 數模轉換
音質的優劣取決於ADC和DAC位數的多少。例如,wtv-SR模組採用主控晶片外掛SPI- FLASH的硬體架構,在錄音時間及性價比方面有很大的優越性。)
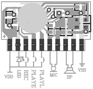
1、原理比較簡單,就是有REC和PLAY通過的兩個按鍵組成,更多功能可以根據具體的案子來定義選擇,比較全面的原理圖如下:
錄音晶片原理圖(a) “錄音晶片”介紹:
(1)語音信號的量化
採樣率(f)、位數(n)、波特率(T)
採樣:將語音模擬信號轉化成數位訊號。
採樣率:每秒採樣的個數(byte)。
波特率:每秒鐘採樣的位數(bit)。波特率直接決定音質。Bps: bit per second
採樣位數指在二進制條件下的位數。一般在沒有特別說明的情況下,聲音的採樣位數指8位,由00H--FFH,靜音定為80H。
(2)採樣率
奈奎斯特抽樣定理(Nyquist Law):要從抽樣信號中無失真地恢復原信號,抽樣頻率應大於2倍信號最高頻率。抽樣頻率小於2倍頻譜最高頻率時,信號的頻譜有混疊。抽樣頻率大於2倍頻譜最高頻率時,信號的頻譜無混疊。
嗓音的頻頻寬度為20~20K HZ左右,普通的聲音大概在3KHZ以下。所以,一般CD取的音質為44.1K和16bit,如果碰到某些特別的聲音,如樂器,音質也有用48K和24bit的情況,但不是主流。
一般在我們處理針對普通語音IC的時候,採樣率最高達到16K就夠了、說話聲一般取8K(如電話音質)、6K左右。低於6K效果比較差。
在套用單片機的過程中,採樣越高,定時器中斷速度越快,會影響到其他信號的監控和檢測,所以要綜合考慮。
(3)語音壓縮技術。
由於語音數據量龐大,對語音數據進行有效壓縮是很必要的,能夠使我們在有限的ROM空間裡錄入更多的語音內容。有以下幾種方式:
語音分段:將語音中可以重複的部分截取出來,通過排列組合將內容完整地回放出來。
語音採樣:一般我們使用的喇叭頻響曲線在中頻部分,較少用到高頻,所以,在喇叭音質可以接受的情況下,適當降低採樣頻率,達到壓縮效果,這種過程是不可逆的,無法恢復原貌,叫有損壓縮。
數學壓縮:主要是針對採樣位數進行壓縮,這種方式也是有損壓縮。例如,我們經常採用的ADPCM壓縮格式,是將語音數據從16bit壓縮到4bit,壓縮率是4倍。MP3是對數據流進行壓縮,涉及到數據預測問題,它的波特率壓縮倍率為10倍左右。
通常,以上幾種壓縮方式都是綜合起來使用的。
(4)常用語音格式
PCM格式: Pulse Code Modulation 脈衝編碼調製,它將聲音模擬信號採樣後得到量化後的語音數據,是最基本最原始的一種語音格式。同它極為類似的還有RAW格式和SND格式。它們都是純語音格式。
WAV格式:Wave Audio Files 是微軟公司開發的一種聲音檔案格式,也叫波形聲音檔案,被Windows平台及其應用程式廣泛支持。WAV格式支持許多壓縮算法,支持多種音頻位數、採樣頻率和聲道,但WAV格式對存儲空間需求太大不便於交流和傳播。WAV檔案裡面存放的每一塊數據都有自己獨立的標識,通過這些標識可以告訴用戶究竟這是什麼數據,這些數據包括採樣頻率和位數,單聲道(mono)還是立體聲(stero)等。
ADPCM格式:是利用對過去的幾個抽樣值來預測當前輸入的樣值,並使其具有自適應的預測功能與實際檢測值進行比較,隨時對測得的差值自動進行量化級差的處理,使之始終保持與信號同步變化。它適用於語音變化率適中的情況,而且聲音回放過程簡短。它的優點是對於人聲的處理比較逼真,一般達到90%以上,已廣泛地套用於電話通信領域。
MP3格式: Moving Picture Experts Group Audio Layer III,簡稱為MP3。它是利用 MPEG Audio Layer 3 的技術,採取了名為“感官編碼技術”的編碼算法:編碼時先對音頻檔案進行頻譜分析,然後用過濾器濾掉噪音電平,接著通過量化的方式將剩下的每一位打散排列,最後形成具有較高壓縮比的mp3檔案,並使壓縮後的檔案在回放時能夠達到較接近原音源的聲音效果。它的實質是vbr(Variant Bitrate 可變波特率)可以根據編碼的內容動態地選擇合適的波特率,因此編碼的結果是在保證了音質的同時又照顧了檔案的大小。
mp3壓縮率10倍甚至12倍。是最初出現的一種高壓縮率的語音格式。
Linear Scale格式:根據聲音的變化率大小,把聲音分成若干段,對每段用線性比例進行壓縮,但是它的比例是可變的。
Logpcm格式:基本上對整個聲音進行線性壓縮,將最後若干位去掉。這種壓縮方式在硬體上很容易實現,但音質比Linear Scale差一些,特別是音量較小聲音比較細膩的情況下效果較差。主要用於pure speech方面。
3、語音ROM空間的表述
語音晶片為表述的形象化,由語音長度來表示
a)普通語音晶片以6K採樣率為語音長度計算標準。
b)錄音IC以4K採樣率為語音長度計算標準。
即:以6k(4k)採樣率晶片可以播放的長度。
4、語音晶片的要素
相同品種的晶片成本與晶片的大小成正比。
a)I/O口的分配和ROM的大小(語音秒數)決定晶片成本。低秒數語音晶片其I/O口較少。
b)音質提高,採樣提高,語音秒數縮短。
音質降低,採樣降低,語音秒數變長
c) 語音秒數的計算方法:M/(n*f)
M---ROM大小(bit) n*f---波特率
5、聲音處理軟體介紹
1)SoundForge
2)cooledit
3)goldwave
4)Calewalk
6、錄音音晶片分類:
錄音模組 錄音晶片
支持MIC和LINE錄音;
最大可支持外掛64M bit SPI-FLASH,錄音時間可達1600秒;
支持通過USB進行上傳和下載語音;
支持播放電腦下載的高音質語音的播放;
最多可錄製252段語音(包含固定語音);
支持掉電保存數據功能;
支持10KHz採樣率錄音戒14K採樣率錄音;
採用獨立的檔案管理系統,錄音無碎片產生,更合理的分配SPI-FLASH空間;
支持按鍵及MCU控制;
8級可控音量;
工作電壓DC3.3V。
語音晶片 語音模組 錄音電路 WTR-S4 系列
採用8 位DSP 核心錄音晶片,16 位ADC 輸入,16 位DAC 輸出;
支持外掛SPI-FLASH 容量範圍為4M Bit 至64M Bit;
支持標準按鍵、按鍵一對一模式和三線串口控制模式;
支持LINE 線路錄音和MIC 現場錄音;
可自行設定採樣率,支持6K 至16K 採樣;
電壓範圍為DC2.7V 至3.6V,自帶低電壓偵測電路;
省電模式僅耗電150uA 以下;
可以廣泛套用在電話錄音、工控、消費、玩具等領域 。錄音晶片的套用
錄音晶片的套用領域非常廣泛,如禮品類的錄音玫瑰,玩具類的錄音玩具熊,通信類的錄音答錄機,以及記者必備的錄音筆等等
這些領域的套用,都是因為錄音晶片有以下不可替代的優勢:
長時間錄音模組 錄音晶片
智慧型可重複錄放音功能,也可以訂做各種功能;
具備根據不同的套用場合設定不同的語音提示功能;
支持直接按鍵控制及單片機串口控制;
錄音時採樣率為8KHz,錄放音音質好;
固定語音支持6KHz~24KHz採樣率;
麥克風現場錄音、直接用音頻線錄製模擬信號聲音,以及用軟體燒寫數字語音等多種音源載入方式;
利用USB連線埠下載語音信息,傳送速度快;
配套功能強大的上位機操作軟體,操作簡單明了;
獨立的固定語音區域及現場錄音區域;
高端智慧型傻瓜軟體支持WAV、MP3、ADPCM下載,支持錄音內容上傳;
採用低功耗工作模式,適合長時間工作;
最長可錄製256段語音,最小段長不受時間限制;
可錄製30分鐘到16小時(視外掛NAND-FLASH而定)的高品質語音;
工作電壓:DC3.3V或DC5V。
描述:由麥克風、模擬音源、上微機軟體錄製語音信息到錄音模組,在控制端發出控制指令(如脈衝、微機數據信息等)到WTV-NAND錄音模組,就能觸發錄音模組播放已錄製的報警語音。
支持16MByte到256MByte的NAND-Flash。
相關詞語描述 ◎ 現場錄音:指通過麥克風從現場錄製到的語音(第一段現場錄音被系統設定為固定語音,方便現場操作)。
◎ 現場放音:播放通過麥克風錄製現場的語音。
◎ 固定錄音:用上微機軟體燒寫到錄音模組的語音,其中包括報警提示語,疏散人群提示語,廣告語,整點報時等等。
套用範圍 錄音模組是集錄音放音於一體的多功能模組,能夠以聲音的形式採集到現場的音頻信息,適用於各種消防警戒現場,以及需要高品質長時間錄放音的場所,如會議記錄,電話錄音,復讀機,學習機等。
在實際套用中,假如覺得錄音模組功能不夠用,可以訂製功能,錄音模組功能定做輕而易舉。如卡片學習機輕鬆實現錄製、播放多張卡片內容等。
如果用於消防現場錄音,能為日後對火災事故做分析提供有力的線索,且可以在火災發生時進行報警,通知有關人員並及時疏散人群,能夠有效的解決當前火災事故報警力度不夠的問題,將災害降低到最低程度。用在會議現場錄音,可以記錄會議里每一句重要的語錄,用在復讀機方面,能完好的將自己的讀聲反覆體現,方便自己找到錯誤並糾正
