鋼珠滾輪衝壓產品
Ball roller stamping products
鋼珠滾輪衝壓產品利用衝壓成形方式製成的低價縱向專用鋼珠滾輪。鋼珠滾輪衝壓產品主要有壓入型和法蘭型2種。
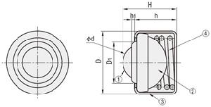
鋼珠滾輪衝壓產品鋼珠滾輪衝壓產品-壓入型詳細參數:
鋼珠滾輪衝壓產品-壓入型| D | D1 | d | H | h | h1 | 耐負載N(kgf) | 彈簧下沉量 |
| 20 | 13 | 11.125 | 17.2 | 13.4 | 2.8 | 49 | 1.8 |
| 25.8 | 17.5 | 15.875 | 23.6 | 17.5 | 3.7 | 78 | 2 |
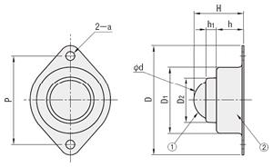
鋼珠滾輪衝壓產品-法蘭型詳細參數:
鋼珠滾輪衝壓產品-法蘭型| 構成零件 | 材質 |
| ①主球 | SWRM12 |
| ②主體 | SPCD |
| D | D1 | D2 | d | H | h | h1 | a | P | 耐負載 N(kgf) |
| 69 | 42 | 29.5 | 25.4 | 31 | 17 | 7.5 | 5.5 | 56 | 294 |
