遊戲機定位器

遊戲機定位器指的是由積體電路電板和用來產生不同訊息的按鈕所組成的,通過編成指令發射傳到積體電路進行解碼,從而就達到了定位機器效果的儀器。

概述

遊戲機定位器接收裝置遊戲機定位器接收裝置
廣義的遊戲機定位器是遊戲機定位器和上分器的總稱。遊戲機定位器,主要是由積體電路電板和用來產生不同訊息的按鈕所組成。飛鷹電子上分器是可以直接干擾遊戲機主機板程式進行上分的設備。遊戲機是靠電腦板晶片存儲的程式代碼工作的,就是遊戲機的研發人員也要通過編程器等專業工具連線遊戲機電腦晶片才能讀出遊戲機的程式代碼,遊戲機的程式代碼讀出後也不意味著就知道遊戲機的程式,因為遊戲機的電腦晶片是智慧型的,隨著外部條件而改變不同的程式。

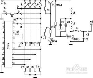
工作原理

遊戲機定位器原理電路示意圖遊戲機定位器原理電路示意圖
工作原理是紅外線發射二極體和發射積體電路,按鍵時發射積體電路會按你的要求編成指令通過二極體發射出去,當遊戲機收到指令後傳到積體電路進行解碼,再去控制相應的器件執行動作,從而就達到了定位的效果。遊戲機定位器是一種無線發射裝置,通過現代的數字編碼技術,將按鍵信息進行編碼,通過紅外線二極體發射光波,光波經接收機的紅外線接收器將收到的紅外信號轉變成電信號,進處理器進行解碼,解調出相應的指令來達到控制機頂盒等設備完成所需的操作要求。飛鷹電子最新上分器主要發出特定頻率的電磁場,靠近機子主機板,讓那上分焊接點短路,自動上分。

注意事項

遊戲機定位器,必須在機子裡事先裝置紅外線接收設備,線路和和接收器等配套的接收設備裝置好,調試成功才可以使用。是不可能在機內無接收設備的情況下自動遙控遊戲機的。許多博彩的遊戲機老闆,通過這一方法來控制遊戲機出獎,從而達到盈利的目的。所以玩家是不可能通過遊戲機定位器控制機器,因為無法在機器內裝置接收設備。只有上分器可以在沒有接收裝置的情況下使用,飛鷹電子提醒不同的上分器器針對的機型也不同,重要的是根據所玩的機型選擇適合的上分器。

相關搜尋

熱門詞條

聯絡我們