簡介
接口適配器作為自動測試系統的重要組成部分,是待測設備與測試儀器之間的橋樑。目前,大部分測量儀器是可以通用的,而接口適配器是專用的,如果1個待測對象對應1個接口適配器,就會使接口適配器種類繁多、測試系統龐大,造成資源浪費。而使用通用接口適配器,用戶可通過測控計算機控制矩陣開關自動切換以適應不同的測試對象,從而實現1個測試系統對應多個測試對象的目的,解決接口適配器重複開發的問題。
常用接口適配器
FC型光適配器
這種連線器最早是由日本NTT研製。FC是FERRULECONNECTOR的縮寫,表明其外部加強方式是採用金屬套,緊固方式為螺絲扣。最早,FC類型的連線器,採用的陶瓷插針的對接端。此類連線器結構簡單,操作方便,製作容易,但光纖端面對微塵較為敏感,且容易產生菲涅爾反射,提高回波損耗性能較為困難。後來,對該類型連線器做了改進,採用對接端面呈球面的插針(PC),而外部結構沒有改變,使得插入損耗和回波損耗性能有了較大幅度的提高。
SC型光纖適配器
這是一種由日本NTT公司開發的光纖連線器。其外殼呈矩形,所採用的插針與耦合套筒的結構尺寸與FC型完全相同,。其中插針的端面多採用PC或APC型研磨方式;緊固方式是採用插拔銷閂式,不需旋轉。此類連線器價格低廉,插拔操作方便,介入損耗波動小,抗壓強度較高,安裝密度高。ST和SC接口是光纖連線器的兩種類型,對於10BASE-F連線來說,連線器通常是ST類型的,對於100BASE-FX來說,連線器大部分情況下為SC類型的。ST連線器的芯外露,SC連線器的芯在接頭裡面。
雙錐型適配器
這類光纖連線器中最有代表性的產品由美國貝爾實驗室開發研製,它由兩個經精密模壓成形的端頭呈截頭圓錐形的圓筒插頭和一個內部裝有雙錐形塑膠套筒的耦合組件組成。
DIN型光纖適配器
這是一種由德國開發的連線器。這種連線器採用的插針和耦合套筒的結構尺寸與FC型相同,端面處理採用PC研磨方式。與FC型連線器相比,其結構要複雜一些,內部金屬結構中有控制壓力的彈簧,可以避免因插接壓力過大而損傷端面。另外,這種連線器的機械精度較高,因而介入損耗值較小。
設計原則
接口適配器是測試設備與待檢測設備之間的信號樞紐,匯聚了大量的待檢測信號,其功能是將待檢測設備各個接口的信號通過不同的調理模組轉接送至測量儀器。一般來說,通用接口適配器設計應遵循以下原則:
1)接口適配器設計應儘可能採用無源器件。有源器件受環境參數的影響更大,會增加測試結果的不確定性因素。
2)設計時應採用模組化、標準化設計,增加接口適配器的可靠性與可維護性。
3)能夠實現待測設備與測試儀器之間的電器隔離,對測試系統具有一定的安全保護作用。
4)接口適配器中應包含必要的校準設計,對適配器所帶來的測量誤差能起到一定校準功能。
綜合網管通用接口適配器
隨著網路規模的擴大和技術的進步,通信網路結構也越來越複雜。目前國內大多數業務提供商分別建立了各自的網路管理系統,這些網管系統之間相互割裂,遺留下管理信息不能互通、網管協定互不兼容等問題。因此需要建立一個能夠在混合網路環境下支持混合網路資源管理、網路運行監控、網路最佳化和業務調度的綜合網路管理系統,從全網的角度提高網路資源綜合利用率,加強全網維護能力。要實現對多專業網路的綜合管理首先需要將各個專業網管系統採集來的數據進行統一整合適配,所以構建一個通用的接口適配器是構建綜合網管系統的基礎。
軟體設計原則
設計一個功能齊全、易於維護、便於“捆綁插拔”的接口適配器,必須有一套具有高度復用性和靈活性的系統設計方法。將設計模式引入到網管項目開發中,可以設計出一套易於維護、復用度高的系統。在接口適配器設計中遵循如下的軟體設計原則:
1)“開-閉”原則。一個軟體實體應對擴展開放,對修改關閉。做到“開-閉”原則的關鍵在於抽象化。給出一個或多個抽象類或接口,規定出所有的具體類必須提供的方法的特徵作為系統設計的抽象層。
2)里氏代換原則。任何基類可以出現的地方,子類一定可以出現。里氏代換原則是對“開-閉”原則的補充,是對實現抽象化的具體步驟的規範。
3)依賴倒轉原則。要依賴於抽象,不要依賴於實現。
4)接口隔離原則。為客戶端提供儘可能小的單獨的接口,而不要提供大的總接口,使一個軟體系統在功能擴展的過程當中,不會將修改的壓力傳遞到其他的對象。
5)軟體可移植性。適配器(Adapter)設計的目標是整個程式幾乎可不做任何修改,就可以在各種平台上運行。
系統實現
1 接口適配業務流程
在大型網管系統中通常有多廠家協定接口,這些協定支持不同的廠商設備,或者它們可以處理由不同廠家對象產生的事件。為了保證網管系統之間的互通和互操作能力,提供協定發現功能模組來標識被管系統所支持的協定以及它們所能處理的操作和事件。一旦用戶得到了協定的信息,就可以自動選擇協定適配模組來適配命令和操作,並可以以統一的格式上報子系統的數據。
協定適配模組能夠被發現,首先必須向平台框架登記。這通過該模組提供的兩個接口方法註冊和撤銷註冊來實現。這兩個操作只作為組件功能的一部分,並不屬於管理接口,從而可使服務與對象信息模型獨立。一旦實現以後,協定發現模組不會因為對象信息模型的不同而發生改變,可用於Adapter平台集中管理系統中的所有協定模組。
2 協定發現功能模組
協定發現模組結構如圖所示,Adapter進程啟動時首先讀取配置檔案config.xml,配置檔案中描述接入平台的網管系統接口適配所採用的技術,利用虛擬工廠模式生成相應的接口適配對象實例,並向註冊中心註冊該實例。如果有新的接口適配接入,Adapter進程可以在運行中reload(Configcfg),FindService可以根據配置檔案到對象池中發現該協定的接口類,生成相應的代理類,通過動態代理類實現協定發現。
協定發現模組控制對象的創建,隔離客戶端與需求創建的對象。當客戶端需要創建某個對象時,它必須先創建一個特定的工廠,然後觸發工廠對應的方法去創建實際的對象。這個模組提供了創建關聯對象與對象組兩個功能,主要用於配置管理的對象工廠的實現。系統的設計目標是跨越多個作業系統平台,系統中有少部分功能需要針對不同作業系統平台作不同地實現。由於Adapter進程一啟動就需要創建實例,然而當運行時,這些對象必須保證是同一個平台的實現,因此採用橋接模式和抽象工廠模式,為每一種平台提供一個工廠以創建所有對象,保證對象間的關聯。
3 接口適配實現技術
在網管系統互操作的雙方接口不一致的情況下,需要識別雙方接口的差異,並針對具體的接口差異來定製接口適配器,最直接的定製方法就是直接編程實現接口之間的轉換過程,包括通信協定、數據語法表示、語義表示各個層面上的轉換。其中,專業網管系統的北向接口由各廠商提供,接口採用的通信協定和信息模型有很大差異。有新的接口接入就需要重新編程實現,重複性比較大,不利於統一管理。
自動測試系統通用接口適配器
總體方案
接口適配器實現框圖所有測試儀器均通過接口適配器與待測設備相連,當待測對象發生改變時,只需根據待測設備連線埠信號特性切換矩陣開關和更換相應的調理模組即可對其進行測試,進而大大提高系統的通用性和可擴展性。接口適配器主要由矩陣開關、數位訊號調理模組和模擬信號調理模組組成。其主要功能是對數字、模擬等各種信號進行調理,使之滿足測試儀器要求,同時也起到保護儀器安全的作用。其實現框圖如圖所示。
內部模組
1)矩陣開關設計
待測連線埠到儀器連線埠的映射過程示意圖矩陣開關是接口適配器的重要組成部分,擔負著控制信號流向的任務,是實現自動測試與提高通用性的關鍵。圖為待測連線埠到儀器連線埠映射過程示意圖,其中A=(a,a,…,a)為待測連線埠,B=(b,b,…,b)為儀器連線埠,L為A,B的映射關係,M為A,C的映射關係,N為C,B的映射關係。從圖中不難看出,矩陣開關設計的關鍵在於映射關係M與映射關係N的確定。如果L已知,只需求得M或N任一映射關係,便可知另一映射關係。
2)模擬信號調理模組設計
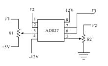
模擬信號調理電路模擬信號調理模組的主要作用是對模擬信號進行適當的調理,使其電壓範圍滿足測量儀器輸入電壓要求。調理電路中採用了運算放大器晶片AD827。該晶片最高頻寬為50MHz,晶片內部集成了2片運放,分別用來進行信號放大平移和衰減。模擬信號調理電路如圖所示。
圖中左半部為第1個環節,輸入為V1,輸出為V2,其作用是對微弱信號進行放大。右半部為第2環節,這個環節是信號衰減環節,其最大增益為1,通過調節電位器,可以將信號最小衰減為0。
3)數字號調理模組設計
數位訊號調理電路數位訊號調理模組採用SN74ABT16245作為驅動晶片,通過開關K和K可控制信號方向,如果T/R和T/R均為高電平,則信號方向為A~A到B~B;如果T/R和T/R均為低電平,則信號方向為B~B到A~A。數位訊號調理電路如圖所示。

