概念
在正常的輸入電壓範圍內,逆變器(負載)電流由市電提供,而不是電池提供。輸入電壓範圍越寬,UPS電池放電的可能性越小,故電池的壽命就相對延長。因為當地的電壓波動情況直接影響UPS的運行,特別是有些地區電網比較惡劣,白天和晚上的電壓相差很大。如果UPS 要24小時工作,在如此大的變化範圍里,UPS能否工作至關重要。如不能工作,只有轉電池,這樣一則電池並沒有用於真正的斷電,二則頻繁轉電池會影響電池的壽命。如果該UPS的轉電池裝置為繼電器,則對繼電器的損壞特別嚴重,大大增加了UPS的故障率。
當UPS電源以市電供電方式工作過程中,如果輸入交流電源的電壓高於輸入電壓上限和低於輸入電壓下限時,UPS將斷開輸入交流電源,而切換到電池供電方式。開機輸入電壓範圍和輸入電壓範圍,反映了UPS電源對電網電壓變化的適應能力,開機輸入電壓範圍和輸入電壓範圍越寬表示機器對電網電壓的波動變化適應能力越強。
一種適用於寬輸入電壓範圍的三連線埠變換器
研究背景
獨立新能源供電系統是可再生能源利用的一種重要方式,由於太陽能、風能等新能源發電設備輸出功率不穩定,系統中必須配備蓄電池等儲能環節來儲存和調節電能,保證負載連續穩定供電。因此,典型的獨立新能源供電系統由發電設備、儲能裝置和負載構成。採用單向變換器和雙向變換器組合能夠有效的實現系統的能量管理與控制,但變換器數量多、體積重量較大,且系統中存在多級功率變換,導致系統效率較低。採用三連線埠變換器(three-port converter,TPC)來實現輸入源、蓄電池和負載的功率控制,具有系統集成度高、效率高、可靠性高、體積成本低等優點,因此獲得了國內外學者的關注。TPC 已被套用於燃料電池發電系統、獨立光伏發電系統、混合動力汽車、航天衛星供電系統等帶有儲能環節的新能源供電系統中。TPC 的拓撲及其控制是研究所關注的兩類關鍵問題,研究主要對TPC拓撲進行研究。
光伏和燃料電池等設備輸出電壓會隨著環境變化而在較寬範圍內變化,因此有必要研究適應輸入源電壓寬範圍變化的 TPC。文獻 提出了一種適用於寬電壓範圍的三全橋隔離式TPC,該變換器將 3 個全橋開關單元通過高頻變壓器耦合,實現連線埠間的功率傳遞,且能實現開關管的軟開關,但該變換器開關器件數量多,驅動控制複雜。
由 Buck 和 Boost 變換器級聯構成的 H 橋升降壓變換器能夠適應寬電壓變化範圍的場合套用,研究考慮從H橋升降壓變換器出發,通過在變換器濾波電感基礎上引入耦合繞組形成變壓器,進一步加入變壓器副邊整流濾波電路與負載相連,構成一種適應寬輸入電壓變化範圍的 H 橋三連線埠變換器(H-bridge three-port converter,HB-TPC),從拓撲結構上看,該變換器與普通全橋變換器器件數量相同,具有拓撲結構簡單、集成度高、控制簡單等優點。
HB-TPC 拓撲與系統分析
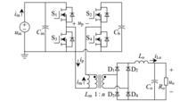
(1)HB-TPC 拓撲生成
圖 1 H 橋三連線埠變換器拓撲生成TPC 需要同時完成輸入源、蓄電池和負載三者之間的功率管理與控制,因此,TPC 中需要同時具備 3 條功率通路:1)輸入源到負載,2)蓄電池到負載,3)輸入源到蓄電池。首先,考慮用 H 橋升降壓變換器構建輸入源和蓄電池之間的功率通路,如圖 1(a)所示;為了構建輸入源和蓄電池到負載的功率通路,考慮將 H 橋升降壓變換器的濾波電感用變壓器替代,同時補充變壓器副邊的整流濾波電路,形成負載輸出連線埠與負載相連,建立主電源和蓄電池到負載的功率通路,從而生成本文所提出的 HB-TPC,如圖 1(b)所示。
圖 1(b)所示的 HB-TPC 中,變壓器原邊激磁電感 Lm同時用作原邊 H 橋升降壓變換器的濾波電感,用於實現輸入源和蓄電池之間的功率變換,即變換器採用了電感–變壓器復用的方式。
(2)系統工作狀態分析
圖 2 輸入源到負載連線埠間等效功率傳輸電路根據 HB-TPC 拓撲生成過程可知,輸入源與蓄電池之間的等效功率傳輸電路為 H 橋升降壓變換器,考慮蓄電池電壓恆定,輸入源的電壓可以大於、小於或等於蓄電池電壓,即允許輸入源電壓在很寬範圍內變化。由圖 1(b)可知,HB-TPC 拓撲結構具有對稱性,輸入源到負載的等效功率傳輸電路與蓄電池到負載的等效功率傳輸電路完全相同,如圖 2所示,該等效電路與全橋變換器具有相似的結構。
根據上述工作狀態的分析可知,在雙輸出和雙輸入狀態下,系統中同時存在兩條功率流,變換器在完成負載端控制的同時,還需要同時對輸入源的功率進行控制,以實現輸入源的最大功率跟蹤控制或蓄電池充電控制,因此,HB-TPC 要滿足系統功率控制的需求,就需要提供兩個獨立控制量,也就是變換器中需存在兩個獨立控制的占空比,分別實現負載端和輸入源端的功率控制。利用變換器中兩個互相獨立橋臂占空比,剛好可以滿足控制需求。
控制和調製策略
根據連線埠電壓關係,調節 d、d 比值可以控制輸入源電壓,調節 d、d 移相角可以控制輸出電壓,在滿足上述輸入輸出電壓關係時,占空比大小有多種可能的取值。由於變壓器激磁電感同時用作濾波電感,實現輸入和蓄電池之間的功率傳輸,故激磁電流存一定的直流偏置,但過大偏磁不利於變壓器的工作效率,因此開關策略應儘量減小激磁電流偏置。
研究結論
提出了一種能夠同時實現輸入源、蓄電池和負載功率管理的 H 橋三連線埠變換器, 理論分析和實驗結果表明,H 橋三連線埠變換器具有以下優點:1)輸入源和蓄電池間的等效變換電路為 H 橋升降壓變換器,輸入源電壓可在寬範圍內變化;2)所用器件數量與全橋變換器相同,拓撲簡潔、集成度高;3)利用變壓器漏感,可實現所有開關管的軟開關,變換效率高;4)變壓器原邊激磁電感同時用作濾波電感,通過最佳化開關管控制時序,可以有效減小變壓器直流偏置電流大小。
寬輸入電壓範圍Buck型變流器小信號環路
研究背景
系統集成是電力電子今後發展的方向,電力電子標準模組的研究是系統集成中一項重要的工作。當形成了一系列標準模組之後,在開發電源系統時只需要將這些標準模組進行合理的拼裝和組合即可。這些標準模組最基本的要求是通用性,即有儘量寬的適應性。
Buck 型變流器是用得非常廣泛的一類變流器,隔離型的 Buck 變流器有全橋、半橋、推挽和正激等。這些拓撲也是系統集成的優選拓撲,對它們的效率、應力、EMI 等方面已經有較多的研究。但是對於寬範圍 Buck 型變流器如何設計小信號環路才更能適合系統集成標準化的要求研究得並不多。
寬輸入電壓範圍對小信號的要求
圖3 不同 Vin 下的博德圖在不同輸入電壓下環路增益的博德圖會有很大的差別,如圖3所示。這樣很難兼顧穩定性和動態。因為穩定需要較大的相位裕量,而動態性能要有較高的頻寬,也就是高的穿越頻率。但是通常穿越頻率和相位裕量不能兼顧。寬輸入電壓範圍時,補償網路就要設計成高壓輸入時還能保證足夠的相位裕量,但是這樣在低壓輸入時穿越頻率就會太低,以致差的動態性能。通常輸入電壓有兩倍或兩倍以上的變化稱為寬範圍。
如果能採用 V對控制環節進行補償,就能抵消 G 中 V 的作用,使得環路增益不會隨 V 的變化而變化。一個比較簡單的方法就是讓V決定PWM 鋸齒波的斜率,這樣就能在 Gp 的表達式里出現 V,並且讓 V在分母,就可以和 G中的V抵消了,這個方法也被稱為前饋。在 PFC 電路中也常常加入前饋電路,而 PFC 電路的前饋電路的目的是為了在輸入電壓突變時改善輸出電壓超調特性,主要用於啟動過程。而本文的前饋電路的目的和原理與傳統概念的前饋完全不同,是為了在不同輸入電壓下有比較接近的博德圖,從而同時得到較好的穩態特性和負載動態特性。研究的輸入電壓是穩態電壓,並不是動態電壓。本文的動態均指負載電流的動態。
研究結論
電壓型 CCM Buck 型變流器的功率級傳遞函式隨輸入電壓的變化而變化。用輸入電壓作為補償量合理地去改變控制環節的傳遞函式能夠起到抵消功率級傳遞函式中 Vin 量的作用,從而環路增益就不會隨輸入電壓改變而改變, 寬輸入電壓範圍套用下,兼顧穩定性和動態的小信號就比較容易設計。Boost 型、 Buck-Boost 型的變流器的補償還有待於進一步地研究。

