簡介
本詞條介紹的是聖斯爾“SSET”越限報警變送器越限報警變送器分為交直流電量越限報警隔離感測器/變送器和高速交流電流越限報警感測器
交直流電量越限報警隔離感測器/變送器
型號: | CE-VJ03 CE-VZ01 | 負載能力: | 電壓輸出≤5mA | |
CE-IJ03 CE-IZ04 | 電流輸出≤300Ω | |||
輸入範圍: | 詳見產品選型表 | 回響時間: | 300 mS | |
輸出類型: | 開關量 | 輔助電源: | +24V | |
精度等級: | 2.0級 | 靜態功耗: | 300 mW |
產品特性表
主型號 | 隔離原理 | 隔離耐壓 | 輸入頻 率範圍 | 回響時間 (mS) | 過(負)載能力 | 功耗(mW) ** | 安裝 方式 |
CE-VJ03 | 電磁 | ≤2500VDC | 25~3kHz | <200 | 電流:20倍額定輸入且小於500A,1秒5次。電電壓:2倍額定輸入,1秒10次。繼電器觸點:≤2A DC/AC | <600 | 導軌/螺孔 |
CE-VZ01 | 三隔離* | DC | <50 | ||||
CE-IJ03 | 電磁 | 25~3kHz | <200 | ||||
CE-IZ04 | 霍爾 | DC | <300 |
產品選型表 (請按"從左到右的原則"選出可選項)
主型號 | 輸出 類型 | 輔助電源 | 穿孔方式 (mm) | 外形 結構 | 等級 指數 | 閾值輸入 | 回差輸入 |
電壓/電流 | % | ||||||
CE-VJ03 | J | 4---24V | M | S3 | 2.0 | 10V,50V,100V,250V,500V,1000V | -5 -10 -15 -30 |
CE-VZ01 | J | 4---24V | M | S3 | 2.0 | 10mV,75mV,100mV,1V,5V,10V,50V,100V,250V,500V,1000V | |
CE-IJ03 | J | 4---24V | B,E | S3 | 2.0 | 1A,5A,10A,30A,50A,75A,100A,150A,200A,250A,300A | |
CE-IZ04 | J | 4---24V | E | S3 | 2.0 | 30A,50A,75A,100A,150A,200A,250A,300A |
選型示例:CE-IJ03-J4ES3-2.0/75A-20
描 述:交流電流越限報警感測器,繼電器觸點輸出,輔助電源+24V,穿孔孔徑Ф20,S3外型,等級指數2.0,閾值75A,回差-20%。
高速交流電流越限報警感測器
本產品為一種穿孔式交流電流越限報警電量感測器。其輸入電流和輸出、輔助電源之間都不共地,輸入信號為交流電流信號,輸出信號為光耦的三極體(OC門)。主要用於交流電流信號的有無快速報警,也可以廣泛用於通迅、電力、鐵路、工業控制監控等領域。型號: | CE-IJ03-K4ES3-2.0 | OC門負載能力: | 20mA/30VDC(需上拉電阻) |
輸入範圍: | 0~0.5A /0~350A AC | 回響時間: | ≤20mS |
輸出類型: | 光耦的三極體(OC門) | 輔助電源: | +24VDC |
精度等級: | 2% | 靜態功耗: | ≤300mW |
產品特性表
主型號 | 隔離原理 | 隔離耐壓 | 回響時間 | 過載能力 | 靜態功耗(mW) | 安裝方式 |
CE-IJ03-K4ES3-2.0 | 電磁 | ≤2500VDC | ≤20mS | ≤400A | ≤300mW | 導軌/螺釘 |
產品選型表 (請按"從左到右的原則"選出可選項)
主型號 | 輸出類型 | 輔助電源 | 穿孔方式 (mm) | 外形 結構 | 等級 指數 | 常用額定值 |
CE-IJ03-K4ES3 | K---光耦的三極體(OC門) | 4---24V | E---ф20 | S3 | 2% | 0~5A~350A |
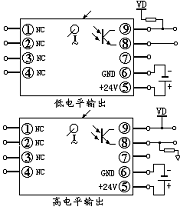
接線參考圖: 產品外形圖:



