變頻器介紹
變頻器是利用電力半導體器件的通斷作用把電壓、頻率固定不變的交流電變成電壓、頻率都可調的交流電源。
現在使用的變頻器主要採用交—直—交方式(VVVF變頻或矢量控制變頻),先把工頻交流電源通過整流器轉換成直流電源,然後再把直流電源轉換成頻率、電壓均可控制的交流電源以供給電動機。
變頻器主要由整流(交流變直流)、濾波、再次整流(直流變交流)、制動單元、驅動單元、檢測單元微處理單元等組成的。國際變頻器巨頭丹佛斯公司最先推出直接控制式的低諧波變頻器。
控制方式
VVC控制
1U/f=C的正弦脈寬調製(SPWM)控制
電壓空間矢量(SVPWM)控制
矢量控制(VC)
直接轉矩控制(DTC)
矩陣式交—交控制方式
變頻器的分類
>VLT? HVAC Drive FC 102
>VLT? Refrigeration Drive FC 103
>VLT? AQUA Drive FC 200
>VLT? 2800 Series
>VLT? AutomationDrive FC 300
>VLT? Advanced Active Filter AAF
>VLT? Decentral FCD 300
>VLT? Decentral Drive FCD 302
>VLT? DriveMotor FCM 300
>VLT? Micro Drive
>VLT? Integrated Servo Drive
>VLT? Compact Starter MCD 200
>VLT? Soft Starter MCD 500
>VLT? OneGearDrive
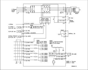
變頻器接線圖
變頻器的接線原理類似:
變頻器接線圖註:1.端子L1/2/3丹380V進線端,接箱內交流接觸器,U/V/W丹出線端接電機;
2.端子PE接地端必須接地;
3.端子12與18丹進控啟動/停止,(端子12與27必須啟接,進控信號必須丹無源+接點);
4.端子60(+)與55(-)接0/2~20mA信號輸入(接DCS接觸量信號輸出);
5.端子42(+)與55(-)接0/2~20mA信號輸入(接DCS接觸量信號輸入);
6.其他設定請參照變頻器說明書,嚴格按照說明書中要求接線及參數設定;
一般來講各個品牌的變頻器接線都比較類似,以丹佛斯FC360為例:
注釋
變頻器接線圖2)端子06僅在J4-J7機箱上提供
3)30-75KW是內置雙直流電抗器FC360所有接線端子。
所示數字即變頻器本機上的端子號。用戶可通過設定軟體參數設定模擬輸入53和54的模式。
FC360具有標配RS485接口。RS485終端集成在變頻器(S801)中。
通過參數5-00,可以將數字輸入在NPN和PNP邏輯之間切換。
維修事項
變頻器接線圖大全正確的接線及參數設定,安裝變頻器之前熟讀手冊,根據使用正確設定參數。
注意轉速與揚程的關係,變頻器運行在5HZ以下,電機發熱。
V/f控制屬於恆轉矩調整。而矢量控制使電機的輸出轉矩和電壓的平方成正比的增加,從而改善電機在低速時的輸出轉矩。
採用工頻/變頻切換方式運行,工頻輸出與變頻輸出的互鎖可靠。
外部控制信號失效的問題。一般情況:信號模式不正確、端子接線錯誤、參數設定不正確或外部信號自身有問題。
過電流跳閘和過載跳閘的區別。過電流主要用於保護變頻器,而過載主要用於保護電動機。因為變頻器的容量有時需要比電動機的容量加大一擋或兩擋,這種情況下,電動機過載時,變頻器不一定過電流。過載保護由變頻器內部的電子熱保護功能進行,在預置電子熱保護時,應該準確地預置“電流取用比”即電動機額定電流和變頻器額定電流之比的百分數。
干擾問題。
(2)良好的接地。
(2)給變頻器輸入加裝EMI濾波器,可以有效抑制變頻器對電網的傳導干擾,加裝輸入交流和直流電抗器,可以提高功率因數,減少諧波污染。

