簡介
變壓器等效電路變壓器的變比K(即電壓比)是在變壓器空載條件下,高壓繞組電壓U1和低壓繞組電壓U2之比。
對於三相變壓器而言,銘牌上的變比通常是指高壓繞組額定線電壓U1N和低壓繞組額定線電壓U2N之比。當需要運用變比做變壓器等值電路的計算時,由於等值電路反映的是變壓器一相繞組的參數情況,則應採用相電壓的比值來計算,使之與各繞組的匝數成正比,更能反映各相的繞組狀況。根據變壓器的工作原理分析可知該比值也就是變壓器各相高壓繞組匝數N1與低壓繞組匝數N2之比:K=U1/U2=N1/N2 。
電壓互感器一次繞組與二次繞組之間的電壓比或電流互感器流過一次繞組與二次繞組電流比。
變比測量
電流互感器
1.採用電流法測量電流互感器的變比
圖1
變比
變比電流法測量電流互感器的變比是一種傳統的試驗方法,現在各發電廠,變電站等基本上都採用該方法。它的試驗接線如圖1所示。由電流表A可以測得標準電流互感器的二次電流i,根據標準電流互感器的變比可以計算出被測電流互感器的一次側電流 ,表A測得的是它的二次側電流i,由I和i即可計算出被測電流互感器的變比 。
在用電流法測試電流互感器的變比試驗中一般採取以下兩個措施:
(1)電流互感器的一次側試驗電流接近其額定電流。
(2)電流互感器的二次側僅串接一塊電流表以使電流互感器近似短路運行。
從理論上來說,用電流法測量電流互感器的變比實際上是模擬它在額定情況下的實際運行,是一種非常理想的試驗方法,測量的精度比較高,在現場試驗中,措施(1)和(2)也還比較容易實現。
2.採用電壓法測量電流互感器的變比
圖3電壓法測量電流互感器的變比是一種新型的試驗方法,它需要的試驗設備比較少,其試驗接線如圖3所示。
由於電流互感器二次繞組的電阻和漏抗值都比較小,一般為1~15,只要控制勵磁電流I在一個合適的範圍內(mA級),U與E之間的差值帶來的誤差就可以忽略不計,用電壓法測量電流互感器的變比就可以取得非常高的精度 。
變壓器
目前常用測量方法有雙電壓表法和變比電橋法。
(1)雙電壓表法
圖1用雙電壓表法測量時,一般在變壓器的一次側施加電源電壓,整個測試過程中應保持試驗電源的穩定性,在變壓器的兩側分別用精度不低於0.5級的電壓表或精度不低於0.2級電壓互感器測取電壓計算變比,並且2塊電壓表應同時讀數,特別是在電壓波動較大的時候,尤其要注意這點。為確保測量的準確度,試驗電源電壓以高於加壓側額定電壓的1/3以上為宜。這種測量變比的方法所採用的試驗設備均為常用測量儀器儀表,較容易取得。
變比對於單相變壓器,可以直接用測試結果得到變比。測量三相變壓器時,可以使用單相電源,也可以用三相電源做為測試電源。如果使用三相電源,應施加對稱的三相試驗電源電壓作用在對應繞組的同極性端,並要求測量時所使用的三相電源電壓必須三相保持對稱、穩定,其三相的不平衡度不應超過2%。若三相電源電壓存在不完全對稱的情況,將導致線電壓與相電壓的關係變化,需要進行轉換時兩者的關係比不再是 ,使得變比計算時出現誤差,影響測試結果的分析判斷。
表1採用三相電源所測量計算出的變比即變壓器的線電壓之比。採用單相電源測量三相變壓器的變比時,測量步驟較多,但測量值能夠直接反映該相的繞組匝數比,從而找到存在繞組缺陷的相別,並且不需要考慮測量值是否受到電源三相電壓不對稱的影響。當使用單相電源分相測量三相變壓器的變比時,在採用三角形連線的繞組中,非測試相繞組必須短接,從而使非被測相繞組中無勵磁電流流過,所測得的變比僅反映加壓相的情況。以Y,yn(同Y,y)接法的變壓器為例,電壓表的接線如圖1所示。
當採用單相電源測量三相變壓器變比,加壓端子為UV時不同接線組別的變壓器變比計算方法如表1所示。
試驗中對測試迴路接線時,應確保電壓表的連線可靠,測試線儘可能短,避免因引線過長而造成測量誤差。
雙電壓表法雖然原理簡單、容易測量,但試驗電壓高、不安全、所用表計精密度要求高,所得結果會受到電壓互感器的誤差、儀表接線電阻的誤差、現場電磁干擾、試驗電壓高低等因素的影響。
(2)變比電橋法
變比電橋是測量變壓器變比的專用電橋,具有簡便、可靠、準確度高、靈敏度高的優點,通常其準確度可達到0.1%以上,並且試驗電壓低、安全,可直接讀取變比誤差。若採用自動變比測量儀,還能在測量變比的同時完成變壓器連線組別的測量,並能夠測量變壓器的繞組極性,實現量程自動切換、自動記錄和計算分析試驗數據等功能。
變比電橋根據測試原理的不同有2種類型:
①電阻電橋
是將變壓器的一次和二次繞組連線構成電橋的2個橋臂,與變比電橋中的2組電阻一起形成電橋電路,在變壓器一次側施加測試電壓U1,通過對調節電阻值的調整使電橋達到平衡狀態,利用電壓比等於電阻比的特點,通過對電阻比的測量得到變壓器的變比值。此類電橋對於電橋各個鏇鈕的要求比較高,各鏇鈕的接觸電阻應儘量一致,並在各種工作條件下,接觸電阻值能夠穩定不變,以確保測量結果的準確性。
② 感應式電橋
是將變壓器的一次和二次繞組與變比電橋中的標準電壓互感器的2個繞組連線構成電橋的4個橋臂,通過對標準電壓互感器電壓比的調節,使電橋達到平衡,此時標準電壓互感器的電壓比即為變壓器的電壓比。由於此類電橋檢測的是電壓信號而不是電阻值,故對接觸電阻的要求較電阻電橋的低,其測量誤差主要與電橋內標準電壓互感器的準確度有關。
以常用的QJ35型變比電橋為例,在使用前應根據變壓器繞組的極性或接線組別正確連線電橋與被試變壓器,並正確選擇放置短接開關和極性開關的位置。測試前將試品的額定K值根據銘牌數值計算出來並取4位有效值,然後按計算出來的結果設定電橋上的K值。插上電源,注意核對相線與中性線的正確性。試驗通電前可先將靈敏度鏇至最大,調節零位使微安表指向零位。試驗通電後的調節過程中必須注意微安表指針不超過滿刻度。調整誤差盤,當微安指零時誤差盤上的指示即為變比誤差。試驗中進行三相變換時,應先降低並切斷試驗電壓,切不能帶電進行接線變更。測試完畢,應將電橋的所有開關放在“關”或“零位” 。
合理選擇意義
變壓器變比
變壓器變壓器是電力網和電力用戶重要的電源設備,它的安全和經濟運行直接關係到整個電網管理部門和各大用戶企業的經濟效益,對於電力網的一級負荷鐵路企業也是如此。
電流互感器電氣化鐵路是電網的超大用電戶。以西安鐵路局管內為例,日列車對數在一百三十對以上、最大牽引定數為4000噸的繁忙幹線隴海複線,供電區間為30千米的牽引變電所,日用電量都在20萬千瓦時以上;日列車對數在一百對左右、最大牽引定數在3500噸左右的單線,供電區間在40千米左右的牽引變電所,日用電量也在10萬千瓦時左右。電氣化鐵路是各種變壓器的使用大戶,各類等級的變壓器種類數量眾多。西安鐵路局管內電氣化鐵路牽引變電所計有五十多個,每個變電所除至少有兩台牽引變壓器外,還有兩台自用變、動力變等,還包括大量的供鐵路信號、照明及其它低壓用電的10千伏等級及以下的變壓器。合理選擇變壓器的變比,有利於變壓器的合理利用和經濟運行,達到節約成本投資的目的 。
電壓、電流互感器變比
電流互感器是一次系統與二次系統的聯絡設備,其作用是:
(l)將一次迴路的大電流變為二次迴路標準的小電流,向測量儀表,繼電器等二次設備的電流繞組供電。
(2)使二次設備與高壓部分隔離,從而可保證設備和人身的安全。
電壓互感器作為電力系統中的一個非常關鍵的設備,它的電氣試驗也就顯得異常的重要。無論是按照老標準的要求,還是按我國現行的電力規程的要求,電流互感器安裝前或者更換繞組後的變比檢查都是一個非常重要的試驗項目 。
在輸電線路的綜合運行中,由於線路兩端距離的限制,在實驗綜合管理中,就會形成光纖保護在長距離以及超高壓輸電線路中的套用型,具有一定的局限性,因此,在長遠的發展中,要形成在輸電線路中TA、TV變比的選擇性原則,形成施工工藝的整體完善與技術提升的綜合運用 。
在繼電保護的過程中,對於整個輸電線路的自動化裝置在電力系統的作用發揮,主要是形成電力系統的正常運行,其中,在審定的電力系統的原則與系統接線的自動裝置設計中,通過與相關規定的技術規定,形成對繼電保護中輸電線路 TA、TV、變比的選擇。在電網繼電保護的可靠性與速動性的要求中,實現在裝置的選型、配置、實驗等方面的綜合措施,更好的實現電網運行的安全性能 。
變比選擇原則
輸電線路上TA的配置原則
輸電線路在TA的型號的選擇中,針對電感互感器的型號選擇,主要是依據相應的環境條件,以及產品的整體情況等,在具體計算中,一次電壓可以採用Ug=Un的表達計算方式,其中,Ug主要是指電流互感器安裝處的一次迴路工作電壓,Un主要是指電流互感器的額定電壓。
在一次電壓的計算公式Ug=Un運行中,可以全面的計算出整個一次電壓。此外,在一次迴路電流的計算中,可以通過I1n≥Igmax的計算公式,其中,Igmax主要就是一次迴路的最大電流;I1n主要是指一次額定電流。可以計算出一次迴路電流的相關數據。同時,在等級的準確計算中,主要是對於保護裝置的選用,是集中體現為0.5級,在適當提高儀表的過程中,實現對整個技術的全面控制。在二次負荷的計算公式中,採用是S2≤Sn的計算公式,其中,S2就是二次負荷,Sn就是額定負荷。這樣,在計算中,可以通過對輸電線路的綜合管理,形成CT的選擇,並通過最大極限來實現對電流的選擇 。
輸電線路上TA的配置原則
單相接地在TV的計算變比過程中,在型號的選擇中,主要是電壓互感器型號選擇上突出使用條件的運用,在全面檢查一次迴路單相接地的過程中,採用的主要是三相電壓互感器的運行,可以實現在電壓互感器精確等級下的工作,並接入一定的測量儀表,在繼電器與自動裝置中形成對二次負荷的計算,也就是S2≤Sn的計算運用。同時,在TV變比的型號選擇中,由於線路電壓為220kV,因此,在型號的選擇上使用的是YDR—220型號,這種型號的運用,突出實現在電壓互感器、單相以及電容式的選擇中,形成多方面的技術控制。同時,可以採用多角度的配置方式,實現對TV變比的綜合計算,在輸電線路與繼電保護的綜合功能中,結合電力系統規程,更好的對整個管理與技術提供相應的服務 。
變壓器變比配置原則
圖1傳統的變壓器變比的選擇要考慮到諸多因素。首先要考慮到電網的運行要求、電力系統的協定及規定,既要保持電力系統運行的穩定性,又要保證系統運行損耗較小;其次要考慮到電力用戶的具體需求和要求,根據實際情況和運行制式確定所需求的電壓;最後論證所要求的變壓器的變比。隨著新材料、新技術的不斷開發和利用,電力絕緣水平的不斷提高,傳統的選擇方法不但經受著新的考驗,而且也在不斷被改變和加入新的因素。
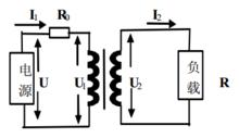
本著降低電能損耗、節約電力能源的目的,從負荷側需求著想,將新的變壓器變比的計算和選擇方法提供如下,供同行和專家參考。一般的供電系統結構如右圖1。
無論哪一級用戶,都需要一個從輸出端到輸入端、到變壓器、再到變壓器低壓側、再輸出輸送到負荷的一個路徑(電路)。
圖2電源到變壓器再到負荷的電路圖如圖2所示:設電源側輸出電壓為U,輸電線電阻為R0(若用戶接在地方變電所輸出變壓器的輸出側,也可認為輸出電壓為u0,也可設電源的電動勢為ε,內阻為r)變壓器的原邊匝數為n1,次邊匝數為n2,接在變壓器次邊上的負載電阻為R。在相同容量電源前提下,用戶需要電源輸出最大的功率。由上圖可知,即要求負載上消耗的功率最大 。

