裝配結構的合理設計簡介
為了保證機器或部件的裝配質量,零件結構除了考慮功能設計要求外,還必須考慮裝配工藝要求。
1.裝配結構的工藝性
(1)孔和軸接觸面的合理結構當孔和軸裝配在一起,軸肩與孔的端面接觸時,為了保證軸肩與孔端面的良好接觸,在孔的接觸端面應設計並加工出適當的倒角,或在軸肩根部設計並加工出槽,如果軸肩根部存在圓角,就不能保證軸肩與孔的端面緊密接觸。
(2)階梯平面配合的合理結構 當兩階梯平面配合接觸時,在同一方向只能有一對接觸面,以保證兩零件的配合定位的準確性。
(3)圓柱面配合的合理結構 當同軸迴轉結構組成的圓柱孔與同軸迴轉結構組成的軸配合時,在同一方向不應超過一對接觸面,以保證兩零件配合定位的準確性。
(4)圓錐面配合的合理結構 當圓錐孔和圓錐配合時,以錐面確定軸向和徑向定位,軸肩和孔的端面處不允許接觸(軸向定位),以確保圓錐面定位的準確性。
2.便於裝配和拆卸的結構
1)為了保證零件加工和裝拆方便,通常將定位的圓柱銷孔或圓錐銷孔在可能的條件下儘量設計加工為通孔。
2)在孔和軸上安裝滾動軸承時,孔台肩尺寸需根據軸承外圈的內徑尺寸進行設計,軸肩尺寸需根據軸承內圈的外徑尺寸進行設計,以保證軸承拆卸方便,(下圖所示)。
滾動軸承裝配結構設計1、3正確;2、4錯誤常見的裝配結構
在機器(或部件)的設計和繪圖過程中,不僅要考慮使部件的結構能充分地滿足機器(或部件)在運轉和功能方面的要求,還要考慮裝配結構的合理性,從而使零件裝配成機器(或部件)後能達到性能要求,而且使零件的加工、裝拆方便。不合理的裝配結構,不僅會給生產帶來困難,甚至可能使整個部件報廢。當然確定合理的裝配結構要有必要的機械知識,也要有一定的實踐經驗,要做深入細緻的構型分析比較,在實踐中不斷提高。這裡僅就常見裝配結構的問題進行討論,以便讀者作零、部件構型設計和畫裝配圖時參考。
1.接觸面與配合面
(1)兩零件的接觸面,在同一方向上只能有一組接觸面。如下圖所示,若a>a,就可避免在同一方向同時有兩組接觸面。
同一方向上只能有一組接觸面
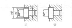
配合面(2)對於軸頸和孔的配合,若ΦA已是配合表面,ΦB和ΦC間就不應再形成配合關係,即必須使ΦB>ΦC(下圖所示)。
(3)對於錐面配合,要使L<L,即錐體頂部與錐孔底部間須留有間隙,否則不能保證錐面配合。
(4)為了保證接觸良好,接觸面需經機械加工,因此,合理地減少加工面積,不但可以降低加工費用,而且可以改善接觸質量。如下圖所示,為了保證連線件(螺栓、螺母、墊圈)與被連線件間的良好接觸,在被連線件上加工出沉孔、凸台等結構。沉孔的尺寸可根據連線件的尺寸從機械設計手冊中查取。
沉孔和凸台的接觸面為了減少軸承底座與下軸襯的接觸面,使接觸面間接觸良好,在軸承底座及下軸襯的接觸面上開出一環形槽。軸承座底部的凹槽是為了改善軸承座與基座間接觸面的接觸情況。
(5)當軸和孔配合,且軸肩與孔的端面相互接觸時,應將孔的接觸端面製成倒角或在軸肩的根部切槽(退刀槽),以保證兩零件接觸良好(如下圖)。
接觸面轉角處的結構及畫法裝配結構的合理性
裝配結構的合理性與裝配工藝結構緊密相關。為了滿足機器或部件的性能要求,製造時順利裝配,維修時容易拆裝,在設計繪畫裝配圖時,應考慮裝配結構的合理性。
1.兩零件接觸的合理結構
兩零件在同一方向上只能有一對接觸面,這樣既能保證接觸良好,又能降低加工要求,如下圖(a)、(b)所示。不同方向接觸面的交界處,不能做成尖角或相同的圓角,否則接觸不良。
兩零件接觸的合理結構2.沉孔與凸台
在螺紋連線中,為保證連線件和被連線件的良好接觸,被連線件上應加工沉孔或做成凸台。
3.軸孔配合結構
如下圖所示,為保證ΦA已經形成的配合,ΦB與ΦC就不能形成配合,即,ΦB應小於ΦC;如下圖所示,圓錐面接觸應有足夠的長度,同時不能再與其他端面接觸,以保證配合的可靠性。
軸孔和圓錐面配合結構