簡介
行燈變壓器是一種降壓變壓器。由於工廠里的“行車”都是金屬構架,工人在行車上工作時,若使用高電壓照明燈,漏電易造成人員傷亡,所以行車上使用36V及以下安全電壓來作為照明用電。 “行燈變壓器”就是將220V或380V交流電通過變壓器轉換成36V及以下安全電壓來進行局部照明的變壓器。
目前“行燈變壓器”有單相和三相的,一般轉換成12V、24V、36V等,主要用於低電壓供電的場合,例如MR16燈杯,LED日光燈等,進行局部照明。
行燈變壓器接地方法
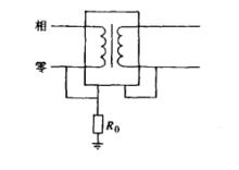
當電源變壓器為專用變壓器時,行燈變壓器的外殼應採用保護接零(當專用變壓器採用保護接零時),如下圖a、b兩種接法,其二次側可以接地或不接地。
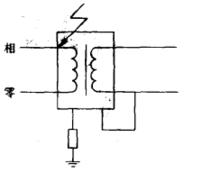
接地方法如果二次側與行燈變壓器的外殼連線,如下圖所示。則雙繞組的行燈變壓器將變成繞組相通的自耦變壓器,這是不允許的。因為一次側零線對地電位升高時,二次側零線對地也會出現危險電壓。
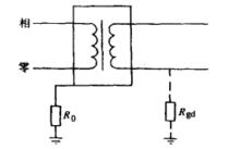
外殼連線當電源變壓器為公用變壓器時(公用變壓器一般都採用保護接地),行燈變壓器的外殼應採用保護接地,如下圖所示,其二次側也可以接地(但必須與行燈變壓器外殼的保護接地分開兩個接地體)或不接地。
保護接地如果二次側與外殼同用一個接地體,如下圖所示,一旦發生相線碰殼,則接地體上有電流通過,接地線和二次側對地的電位將升高,因而影響 行燈的安全。
錯誤接法照明行燈變壓器
JMB(DJMB)系列照明行燈變壓器適用於交流頻率在50~60Hz的電子工業或工礦企業安全照明及指示燈的電源中。
一、二次繞組分開繞制,當一次側只有一個繞組時,它擔負變壓器的全部額定容量,二次如兼有控制、照明及指示燈繞組時,則按各繞組容量分配分別繞制,對單繞組有中間抽頭的變壓器,其各中間抽頭容量皆小於變壓器的額定容量,只有最高電壓輸出端可擔負額定容量,如下圖所示,其允許工作條件如下:
照明行燈變壓器(1)海拔。安裝地點的海拔不超過2000m。
(2)溫度。環境空氣溫度不超過40℃。
(3)濕度。空氣相對濕度,最濕月的月平均最大相對濕度為90%。
(4)無劇烈振動和衝擊振動的地方。
(5)在無爆炸性危險的介質中,且介質中無足以腐蝕金屬和破壞絕緣的氣體及導電塵埃的地方。
(6)不受雨雪侵襲的場所。

