簡介
行星齒輪是指轉動軸線不固定,且安裝在一個可以轉動的支架(藍色)上(圖中黑色部分是殼體,黃色表示軸承)。行星齒輪(綠色)除了能像定軸齒輪那樣圍繞著自己的轉動軸(B-B)轉動之外,它們的轉動軸還隨著藍色的支架(稱為行星架)繞其它齒輪的軸線(A-A)轉動。繞自己軸線的轉動稱為“自轉”,繞其它齒輪軸線的轉動稱為"公轉",就象太陽系中的行星那樣,因此得名。
行星齒輪機構按行星架上安裝的行星齒輪的組數不同,分為單行星排和雙行星排。
圖1.定軸齒輪行星齒輪傳動與普通齒輪傳動相比,具有許多獨特優點。最顯著的特點是在傳遞動力時可以進行功率分流,並且輸入軸和輸出軸處在同一水平線上。所以行星齒輪傳動現已被廣泛套用於各種機械傳動系統中的減速器、增速器和變速裝置。尤其是因其具有“高載荷、大傳動比”的特點而在飛行器和車輛(特別是重型車輛)中得到大量套用。 行星齒輪在發動機的扭矩傳遞上也發揮了很大的作用。由於發動機的轉速扭矩等特性與路面行駛需求大相逕庭,要把發動機的功率適當地分配到驅動輪,可以利用行星齒輪的上述特性來進行轉換。汽車中的自動變速器,也是利用行星齒輪的這些特性,通過離合器和制動器改變各個構件的相對運動關係而獲得不同的傳動比。
但是由於行星齒輪的結構和工作狀態複雜,其振動和噪聲問題也比較突出 ,極易發生輪齒疲勞點蝕、齒根裂紋乃至輪齒或軸斷裂等失效現象,從而影響到設備的運行精度、傳遞效率和使用壽命。
圖2.雙排行星齒輪結構組成
簡單(單排)的行星齒輪機構是變速機構的基礎,通常自動變速器的變速機構都由兩排或三排以上行星齒輪機構組成。簡單行星齒輪機構包括一個太陽輪、若干個行星齒輪和一個齒輪圈,其中行星齒輪由行星架的固定軸支承,允許行星輪在支承軸上轉動。行星齒輪和相鄰的太陽輪、齒圈總是處於常嚙合狀態,通常都採用斜齒輪以提高工作的平穩性。
簡單的行星齒輪機構中,位於行星齒輪機構中心的是太陽輪,太陽輪和行星輪常嚙合,兩個外齒輪嚙合旋轉方向相反。正如太陽位於太陽系的中心一樣,太陽輪也因其位置而得名。行星輪除了可以繞行星架支承軸旋轉外,在有些工況下,還會在行星架的帶動下,圍繞太陽輪的中心軸線旋轉,這就像地球的自轉和繞著太陽的公轉一樣,當出現這種情況時,就稱為行星齒輪機構作用的傳動方式。在整個行星齒輪機構中,如行星輪的自轉存在,而行星架則固定不動,這種方式類似平行軸式的傳動稱為定軸傳動。齒圈是內齒輪,它和行星輪常嚙合,是內齒和外齒輪嚙合,兩者間旋轉方向相同。行星齒輪的個數取決於變速器的設計負荷,通常有三個或四個,個數愈多承擔負荷愈大。
簡單的行星齒輪機構通常稱為三構件機構,三個構件分別指太陽輪、行星架和齒圈。這三構件如果要確定相互間的運動關係,一般情況下首先需要固定其中的一個構件,然後確定誰是主動件,並確定主動件的轉速和旋轉方向,結果被動件的轉速、旋轉方向就確定了。
圖3.行星齒輪構造示意圖工作原理及特徵
傳動組合
在包含行星齒輪的齒輪系統中,傳動原理與定州齒輪不同。由於存在行星架,因此可以有三條轉動軸允許動力輸入/輸出,還可以用離合器或制動器之類的手段,在需要的時候限制其中一條軸的轉動,只剩下兩條軸進行傳動。因此,互相嚙合的齒輪之間的關係可以有多種組合:
(1)動力從太陽輪輸入,從外齒圈輸出,行星架通過機構鎖死;
(2)動力從太陽輪輸入,從行星架輸出,外齒圈鎖死;
圖4.行星齒輪傳動(3)動力從行星架輸入,從太陽輪輸出,外齒圈鎖死;
(4)動力從行星架輸入,從外齒圈輸出,太陽輪鎖死;
(5)動力從外齒圈輸入,從行星架輸出,太陽輪鎖死;
(6)動力從外齒圈輸入,從太陽輪輸出,行星架鎖死;
(7)兩股動力分別從太陽輪和外齒圈輸入,合成後從行星架輸出;
(8)兩股動力分別從行星架和太陽輪輸入,合成後從外齒圈輸出;
(9)兩股動力分別從行星架和外齒圈輸入,合成後從太陽輪輸出;
(10)動力從太陽輪輸入,分兩路從外齒圈和行星架輸出;
(11)動力從行星架輸入,分兩路從太陽輪和外齒圈輸出;
(12)動力外齒圈輸入,分兩路從太陽輪和行星架輸出。
運動特徵
按以上的組合方式,可以把簡單行星齒輪機構的運動特徵歸納成下列幾點:
(1)當行星架為主動件時,從動件超速運轉。
(2)當行星架為從動件時,行星架必然較主動件轉速下降。
(3)當行星架為固定時,主動件和從動件按相反方向旋轉。
(4)太陽輪為主動件時,從動件轉速必然下降。
(5)若行星架作為被動件,則它的旋轉方向和主動件同向。
(6)若行星架作為主動件,則被動件的旋轉方向和它同向。
(7)在簡單行星齒輪機構中,太陽輪齒數最少,行星架的當量齒數最多.而齒圈齒數則介於中間。(註:行星架的當量齒數=太陽輪齒數十齒圈齒數。)
(8)若行星齒輪機構中的任意兩個元件同速同方向旋轉,則第三元件的轉速和方向必然與前兩者相同,即機構鎖止,成為直接檔。(這是一個十分重要的特徵。)
(9)僅有一個主動件並且兩個其它部件沒被固定時,此時處於空擋。
特點類型
行星齒輪在結構方面存在以下特點:
(1)太陽輪、行星架和齒圈都是同心的,即圍繞公共軸線旋轉。這能夠取消諸如手動變速器所使用的中間軸和中間齒輪;
(2)所有齒輪始終相互嚙合,換擋時無需滑移齒輪,因此摩擦磨損小,壽命較長;
(3)結構簡單、緊湊,其載荷被分配到數量眾多的齒上,強度大;
(4)可獲得多個傳動比。
套用
行星齒輪系在各種機械中得到了廣泛的套用,主要有以下幾個方面:
圖5.大傳動比行星輪系(1)實現大傳動比的減速傳動
右圖所示的行星齒輪系中,若各輪的齒數分別為 z1=100, z2=101, z2’=100, z3=99,則輸入構件 H對輸出構件1的傳動比 =100。可見,根據需要行星齒輪系可獲得很大的傳動比。
(2)實現結構緊湊的大功率傳動
行星齒輪系可以採用幾個均勻分布的行星輪同時傳遞運動和動力。這些行星輪因公轉而產生的離心慣性力和齒廓間反作用力的徑向分力可互相平衡,故主軸受力小,傳遞功率大。另外由於它採用內嚙合齒輪,充分利用了傳動的空間,且輸入輸出軸在一條直線上,所以整個輪系的空間尺寸要比相同條件下的普通定軸齒輪系小得多。這種輪系特別適合于飛行器。
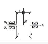
圖6.加法機構(3)實現運動的合成
運動的合成是將兩個輸入運動合為一個輸出運動。差動輪系的自由度等於2,當給定任意兩個構件的確定運動後,另一構件的運動才能確定。利用差動輪系的這一特點可以實現運動的合成。
最簡單的運動合成輪系如右圖所示,行星架 H的轉速是輪1與輪3轉速的合成。因此這種輪系可用作加法機構。當行星架 H、太陽輪1或3為原動件時,該輪系又可用作減速機構。
差動輪系可進行運動合成的這種特性被廣泛套用於工具機、計算機構及補償調整裝置中。
圖7.汽車後橋差速器(4)實現運動的分解
差動輪系還可以將一個原動構件的轉動分解為另外兩個從動基本構件的不同轉動。左圖所示為汽車後橋差速器簡圖,圖中構件5、4組成定軸輪系,輪4固連著行星架 H, H上裝有行星輪2和2’。齒輪1、2、2’、3及行星架H組成一差動輪系,它可將發動機傳給齒輪5的運動分解為太陽輪1、3的不同運動。
![行星齒輪[行星齒輪GR010] 行星齒輪[行星齒輪GR010]](/img/4/a68/nBnauM3XwAzN0MzN0UTOwADN0UTMyITNykTO0EDMwAjMwUzL1kzLwEzLt92YucmbvRWdo5Cd0FmL0E2LvoDc0RHa.jpg)
