定義
交流等效電路,這一等效電路只畫出原電路中與交流信號相關的電路,省去了直流電路,這在分析交流電路時要用到。畫交流等效電路時,要將原電路中的耦合電容看成通路,將線圈看成開路。直流等效電路,這一等效電路只畫出原電路中與直流相關的電路,省去了交流電路,這在分析直流電路時才用到。畫直流等效電路時,要將原電路中的電容看成開路,而將線圈看成通路。元器件等效電路也是一種等效電路圖。
畫法
基本規則
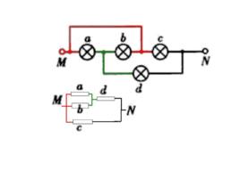
先根據實物圖中元件的直接位置畫出等效電路圖,然後再根據這個電路圖畫出另一個更規範的電路圖。如果還看不出來,就再畫,最後就會規範出一個標準的電路圖。對於不規範的電路圖,可利用“移點”或“移線”的方法變為規範的電路圖。L3左端接a點的導線移至接c點,而右端接b點的導線移至接d點,這三盞為是並聯的。註:移點或移線時,只能沿著導線移動,不能“越位”移動(即不能跨越電路元件移動)。電路中,如果電容器兩端的電壓不變,則視為開路。元件的等效處理,理想電壓表--開路、理想電流表--短路;電流流向分析法:從電源一極出法,依次畫出電流的分合情況。 注意:有分的情況,要畫完一路再開始第二路,不要遺漏。一般先畫幹路,再畫支路。等勢點分析法:先分析電路中各點電勢的高低關係,再依各點電勢高低關係依次排列,等電勢的點畫在一起,再將各元件依次接入相應各點,就能看出電路結構了。弄清結構後,再分析各電錶測量的是什麼元件的電流或電壓。節點電壓法。
一般步驟
認真審題,在草稿紙上畫出原圖,並把開關的狀態、滑動變阻器的滑片所處的位置依題意畫下;根據電流路徑的優先走法,把沒有電流經過的元件用橡皮擦擦掉,同時,將斷開的開關及與其串聯的元件擦掉,閉合的開關用導線代替;正確分析電路的連線方式,明確電流表測哪部分電路的電流,電壓表測誰的電壓,再將電路圖整理,即畫出了等效電路圖;把已知條件儘可能標註在等效電路圖上;找出所求的物理量與哪個等效圖對應,然後根據串、並聯電路的特點,特別注意電源電壓不變,定值電阻的阻值不變,正確運用電學公式來分析解答。畫等效電路圖的口訣:包圍等勢點;等勢點排隊;跨接用電器;表、源後接入。將電流表看做導線,將電壓表看做開路。只用導線連線的地方,電壓是相同的,依次將不同電壓的位置排隊,再將用電器根據跨接在相應等勢點之間,最後,接上電流表、電壓表。
簡化電路
首先要簡化電路,先去表,電壓表直接從電路中去掉,電流表一般情況下用一根導線代替(為了判定電流表所測電流時不能直接用導線來代替):其次要確認等電勢點,在電路中,無論導線有多長,只要其間沒有用電器(電錶),都可以看成是同一個點,把幾個電勢相同的等勢點拉到一起,合為一點,還有一種情況,幾個點沒有重合,但電位/一樣高0,也可合為一點:再次,先分析電路中各點電勢的高低關係(或假定電流方向),再根據各點電勢高低關係依次排列,等電勢的點畫在一起,再將各元件依次接人相應各點間,就能看出電路結構了:最後根據節點把電錶安放在合適的位置。
套用
基爾霍夫定律( Kirchhoff laws) 是電路中電壓和電流所遵循的基本規律,是分析和計算較為複雜電路的基礎,基爾霍夫第一定律又稱為節點電流定律。 其核心內容是:所有進入某節點的電流的總和等於所有離開這節點的電流的總和。 基爾霍夫第二定律又稱為迴路電壓定律。 其核心內容是:沿著閉合迴路所有元件兩端的電勢差( 電壓)的代數和等於零。“移除”法是電路簡化中的第一步,先“移表”。 電壓表的理想內阻無窮大,通過它的電流為零,可將該“支路”從電路中移除。 電流表理想內阻為零,一般情況下電流表用一根導線代替。在不規範的電路圖中,在忽略的導線電阻的前提下,可利用“移點”或“移線”的方法變為規範的電路圖。“移點”是指節點位置可以移動: 任意調整節點的位置。 “移線”是指導線的長度和位置可以變化移點或移線時,只能沿著導線移動,不能“越位”移動( 即不能跨越電路元件移動) 電流流向法是根據電流的流動路線來確定電路中元件的連線情況。 我們可以從電源的正極( 或負極) 出發,沿電流的流向,分析電流通過的路徑,依次畫出電流的分合情況。 只有一條路徑通過所有的用電器,則這個電路是串聯的: 若電流在某處分流,又在另一處匯合,則分支處到匯合處之間的電路是並聯的。

