定義
穩壓
利用電路的調整作用使輸出電壓穩定的過程稱為穩壓。
穩壓電路穩壓電路
在輸入電壓、負載、環境溫度、電路參數等發生變化時仍能保持輸出電壓恆定的電路。這種電路能提供穩定的直流電源,廣為各種電子設備所採用。
基本結構
調整元件、基準電壓電路、取樣電路、比較放大電路
穩壓電源分類
穩壓電路穩壓電源的分類方法繁多,按輸出電源的類型分有直流穩壓電源和交流穩壓電源;按穩壓電路
與負載的連線方式分有串聯穩壓電源和並聯穩壓電源;按調整管的工作狀態分有線性穩壓電源和開關穩壓電源;按電路類型分有簡單穩壓電源和反饋型穩壓電源,等等。如此繁多的分類方式往往讓初學者摸不著頭腦,不知道從哪裡入手。其實應該說這些看似繁多的分類方法之間有著一定的層次關係,只要理清了這個層次自然可以分清楚電源的種類了。
線性穩壓電源
簡單穩壓電路
圖2為簡單穩壓電路,由限流電阻Rs和穩壓二極體Dz組成。輸出端電壓
U0=Uz=Ui-Rs*i=(1Iz+1I0)*i
穩壓電路當輸入電壓
或輸出電流
在一定範圍內升高或降低時,具有穩壓特性的Dz上的電壓U
z保持不變而使
也隨之穩定,Rs及Dz起調整電路作用。這種穩壓電路的工作範圍受穩壓管最大功耗的限制,
不能超過一定數值。其關鍵是:在
、
及
均為給定的條件下,Rs值的選取應保證在輸入脈動電壓為最大值
時,穩定電流Iz和穩壓管允許的功耗不超過規定的最大值;在輸入脈動電壓為最小值時,又能保證
不低於最小的穩定電流。
穩壓電路穩壓電源的穩壓性能可用輸出電阻R0和穩壓係數S來表征。輸出電阻R0是輸出電壓變化值
與輸出電流變化值
比值的負數,即
。穩壓係數S為輸出電壓的相對變化量
與輸入電壓相對變化量
的比值,即
。R0和S越小,穩壓器性能越好。對於簡單的穩壓電路,R0≈Rz(Rz為穩壓二極體動態內阻)
穩壓電路。過穩壓後輸出的紋波因數r0比輸入紋波因數ri要小,其比值r0/ri也等於S。簡單穩壓電路的S值一般在0.01左右。性能較差,但線路簡單,多用於對穩壓要求不高的場合。
穩壓二極體(又叫齊納二極體),此二極體是一種直到臨界反向擊穿電壓前都具有很高電阻的半導體器件。
並聯電晶體穩壓電路
穩壓電路圖3為並聯電晶體穩壓電路。負載電阻
與調整管T相併聯。當輸入電壓
升
高時,通過穩壓管注入調整管基極的電流Ib增大,Ic和ur1≈IcR1也隨之增加,輸出電壓
仍然穩定不變。
這種穩壓電路由於用作調整管的電晶體 T兼有放大作用,穩壓性能有所提高,線路也不複雜,但性能仍不理想,實際上套用較少。
電晶體(transistor)是一種固體半導體器件,可以用於檢波、整流、放大、開關、穩壓、信號調製和許多其它功能。電晶體作為一種可變開關,基於輸入的電壓,控制流出的電流,因此電晶體可做為電流的開關,和一般機械開關(如Relay、switch)不同處在於電晶體是利用電訊號來控制,而且開關速度可以非常之快,在實驗室中的切換速度可達100GHz以上。
串聯電晶體穩壓電路
穩壓電路圖4為串聯電晶體穩壓電路。調整管T1與負載
相串聯,Uz為放大器T2發射極
的參考電平。輸出電壓
被R1、R2分壓取樣後與uz進行比較。當輸出電壓
因某種原因升高時,T2的基極電壓ube2也升高,/c1和/c2隨之增加。調整管T1的基極電位ub1下降,使
趨於穩定。
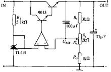
穩壓電路採用高增益的集成運算放大器代替圖4中的放大器T2,可以構成運算放大器穩壓電路(圖5)。運算放大器的同相端接入一參考電平Uz,由輸出電壓分壓取樣電路的輸出與uz進行比較後的誤差信號經運算放大器輸出一放大的誤差信號,然後利用調整管T使輸出電壓
保持穩定。這種穩壓電
路也能輸出較大的電流,而且輸出電阻低,穩壓性能好;電路也易於製作。圖5電路經適當改變後可接入反饋電阻Rf以改變輸出電壓
,據此可構成手動控制或程式控制的電壓可變的穩壓電源。
開關穩壓電路(非線性穩壓電源)
穩壓電路開關型穩壓電路具有體積小、效率高的特點。線性電源的效率為30%~55
%;而開關穩壓器可達60%~85%,而且可以省去工頻變壓器和巨大的散熱器,體積和重量都大為減小。這種電路已在各種電子設備中獲得廣泛的套用。
常用的實現開關控制的方法;有自激式開關穩壓器、脈寬調製式開關穩壓器和直流變換式開關穩壓器等。
穩壓電路圖 6是採用直流變換器的開關穩壓電路的框圖。對工頻電壓直接整流-濾波後獲得的直流電壓,由開關管變為高頻電壓。後者經高頻換流變壓器變為一定的電壓,再經高頻整流-濾波以後給出所需的輸出電壓u0;開關管的工作受脈衝調製器和驅動放大器的控制。當輸出電壓u0發生變化時,來自輸出端的取樣信號經比較電路產生誤差信號,然後通過脈衝調製器來控制開關管的開關工作比,從而使直流變換器的輸出保持穩定。開關管是在飽和區斷續工作的,所以功耗較線性電源的調整管為小,因而效率較高。
大功率電力穩壓器是有補償變壓器,調壓器,控制電路,檢測電路和操作電路組成.

