介質與磁頭
磁表面存儲器是目前使用最廣泛的外存儲器。所謂磁表面存儲,是用某些磁性材料薄薄地塗在金屬鋁或塑膠表面作載磁體來存儲信息。根據記錄載體的外形,磁表面存儲器有磁鼓、磁帶、磁碟、磁卡等。而在計算機系統中廣泛使用的是磁碟和磁帶;特別是磁碟,幾乎是稍具規模系統的基本配置。
1. 基體與磁層
在磁表面存儲器中,記錄信息的介質是一層很薄的磁層,它需要依附於具有一定機械強度的基體之上。根據不同磁表面存儲器的需要,基體分為軟質基體與硬質基體兩大類,它們所要求的磁層材料與製造工藝也相應不同。
(1)軟質基體與磁層
磁帶的運行方式要求採用軟質基體,如聚酯薄膜帶。軟碟的碟片在工作時與磁頭接觸,為了減少磁頭磨損,也要求用軟質基體,如聚酯薄片。
將具有距磁特性的氧化鐵微粒,滲入少量鈷,用樹脂粘合劑混合後,塗敷在基本
磁頭原理圖體之上加工形成約1微米厚的均勻磁層。這就是記錄信息用介質,屬於顆粒型材料。
(2)硬質基體與磁層
硬碟的運行方式對基體與磁層要求更高,一般採用鋁合金硬質碟片作為基體。為了進一步提高片光潔度與硬度,一些新型硬碟採用工程塑膠、陶瓷、玻璃作為基體。
硬碟一般採用電鍍工藝在碟片上形成一個很薄的磁層,所用材料為具有矩磁特性的鐵鎳鈷合金。電鍍形成的磁層屬於連續型非顆粒型材料,又稱薄膜介質,其均勻性與性能大為提高。磁層厚度大約只有0.1-0.2微米
,上面再鍍一層保護膜,增加抗磨性和抗腐蝕性。 在更新的硬碟中,採用濺射工藝形成薄膜磁層,即用粒子撞擊陰極,使陰極處的磁性材料原子澱積為磁性薄膜。其性能優於鍍膜。
為了增加讀出信號的幅度,希望選用材料的剩磁感應強度 比較大。但 過大,磁化狀態翻轉時間增加,因而影響記錄密度。為了提高激勵密度,要求磁層儘量薄。以減少磁化所需時間;磁層薄又使磁通變化量 減少,將影響讀出信號幅度。這就要求改進讀出放大的電子技術,以降低對磁層製造工藝的要求,或在相同工藝水平條件下,提高密度與可靠性。
此外,要求磁層內部無缺陷,表面組織緻密、光滑、平整,磁層厚薄均勻,無污染,對環境溫度不敏感,性能穩定。
讀/寫磁頭
磁頭是實現讀/寫的關鍵元件。寫入時,將脈衝代碼以磁化電流形式加入磁頭線圈,使記錄介質產生相應的磁化狀態,即電磁轉換。讀出時,磁層中的磁化翻轉使磁頭的讀出線圈產生感應信號,即磁電轉換。
圖3-1 磁頭原理圖
圖3-1是磁頭的原理性示意圖。磁頭由高導磁材料構成,上面繞有線圈,有一個線圈兼做寫入磁化與讀出,或分設讀磁頭與寫磁頭。磁頭面向記錄介質的部分開有間隙,稱作磁頭間隙,簡稱頭隙。如果沒有這個間隙,磁化電流產生的磁通將只在閉合磁路中流過,對記錄介質沒有作用。開了間隙後,大部分磁通將流經頭隙所對應的記錄介質局部區域,使該作用區留下某種磁化狀態。讀出時,記錄信息的介質經過磁頭,由於對著磁頭的區域中存在磁化狀態翻轉,若由正向飽和變為負向飽和,或由負向飽和變為正向飽和,使磁頭的磁路中發生磁通變化 。讀出線圈產生感應電勢,即讀出信號。因此頭曦部分的形狀與尺寸至關重要,又稱工作間隙。磁頭的磁路其餘部分既可做成環狀,也可做成馬蹄形,影響不大。
在磁碟或磁帶進行讀/寫時,記錄介質運動而磁頭不動,磁頭在記錄介質上的磁化區形成磁軌。磁化後,磁軌中心部分達到磁飽和,而磁軌兩側的邊緣部分磁化不足。在寫入後,常將兩側進行清洗,稱為夾縫清除。
從磁頭的任務來看,在磁碟中,每個記錄面有一個磁頭,兼做讀磁頭與寫磁頭,又稱複合磁頭。在磁帶機中,經常一次並行地讀/寫幾個磁軌。每個磁軌中有一對磁頭:一個讀磁頭和一個寫磁頭,可以實現寫後讀出檢查。將幾個磁軌的讀磁頭與寫磁頭裝配為一體,道間加禁止,稱為組合頭快。
從製造工藝方面來看,分為早期的傳統工藝磁頭與近期的薄膜磁頭。
在早期的製造工藝中,或是用高導磁率鐵淦氧材料熱壓成形,或用高導磁率鐵鎳合金(坡莫合金)疊片組裝成形。通常是先製成幾部分其中一段繞有線圈,然後將他們粘接起來。用於軟碟的磁頭,將上述鐵芯封裝在特種塑膠外殼裡,外殼做成球面形或平面扣子形,便於安裝和定位,並使磁頭與盤面接觸良好,工作時磨損小。用於硬碟的磁頭,將鐵芯封裝在一個陶瓷塊內,該陶瓷塊稱為浮動塊,工作時可由氣墊使其浮空於盤面上;後來又將鐵芯和浮動塊改為用同樣的材料製成。
近期的硬碟採用薄膜磁頭,用類似於半導體工藝的澱積和成形技術,在基板上形成坡莫合金的鐵芯,和具有一定匝數的線圈,如平面螺旋式導體線圈。由於製造成型過程中使用掩模光刻技術,精度很高,可以獲得比較理想的極尖形狀和工作間隙;然後在基板上燒固一層氧化鋁和碳化鈦,再切割加工成浮動塊。相比之下,薄膜磁頭在各方面的性能均優於傳統工藝磁頭。
讀寫原理
寫入
(位單元的形成)
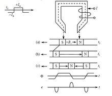
讀/寫過程示意圖在t→t1 時線圈中流過正向電流 ,則磁頭下方將出現一個與此對應的磁化區。磁通進入磁層的一側為S極,離開磁層的一側為N極。如果磁化電流足夠大,S極與N極之間被磁化到正向磁飽和,以後將留下剩磁 ,用箭頭 表示。由於磁層是拒磁材料,剩磁 的大小與飽和磁感應強度 相差無幾。
從t=t1 (電流方向變化前),由於記錄磁層向左運動,而磁化電流維持 不變,相應地出現(b)所示磁化狀態。即S極左移一段距離 ,而N極仍位於磁頭作用區右側不變。
當t→t2 時,磁化電流改變方向, ,相應地磁層中的磁化狀態也出現翻轉,如(c)所示。移離磁頭作用區的S極以及一段 區,維持原來磁化狀態不變(剩磁)。而磁頭作用區下出現新的磁化區,左側為N極,右側為S極,N-S之間是負向磁飽和區 ,用箭頭 表示。
圖3-2 讀/寫過程示意圖
於是,在記錄磁層中留下一個對應於 的位單元,它的起始處與結束處兩側各有一個磁化狀態的轉變區。根據轉變區的存在及其性質(位置、方向、頻率等),體現所存儲的信息。
讀出
讀出時,磁頭線圈不加磁化電流,作為讀出線圈使用。當已經磁化的記錄磁層位於磁頭下方時,由於鐵芯部分的磁阻遠小於頭隙磁阻,則記錄磁層與磁頭鐵芯形成一個閉合磁路。大部分磁通將流經鐵芯再回到磁層。如果記錄磁層在磁頭下方運動,則各位單元將依次經過磁頭下方。每當轉變區經過磁頭下方時,鐵芯中的磁通方向也將隨之改變,於是在讀出線圈產生相應的感應電勢。
感應電勢e即讀出信號,它的方向取決於記錄磁層轉變區方向(由 變為 ,或者由 變為 ),其幅值大小則與 值有關(最大變化量 )。
如果記錄磁層中沒有轉變區,維持一種剩磁狀態( 或 ),則磁層經過磁頭下方時,鐵芯中磁通沒有變化,也就沒有讀出信號。
根據上述讀/寫原理,歸納磁表面存儲器具有如下特點:
①記錄信息可以長期保存,屬於非易失性存儲器(原則上允許記錄介質脫機保存,但要注意防止外界強磁場破壞其剩磁狀態);
②非破壞性讀出,讀出不影響所存信息;
③記錄介質可以重複使用;
④由於是連續記錄,所以存取方式基本上是順序存取方式,不能如RAM那樣隨機訪問;
⑤由於是連續記錄,需要比較複雜的定址定位系統;
⑥由於在相對運動中進行讀寫,可靠性低於半導體存儲器,需要比較複雜的校驗技術。

