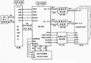
工作原理
模型IDE控制器
串口ATA又可以分為以下幾種:
ATA-1
原始的硬碟控制器,與IDE是同一個概念。
ATA-2
通常看作快速ATA(FASTATA)或增強的IDE(EIDE)。EIDE最先由WesternDigital推出,實用新的BIOS,容許管理504MB容量的硬碟。Quantum和Seagate同時推出FastATA,能夠更快的傳輸數據,支持大於504MB的容量,可以聯接4個設備,包括CD-ROM和磁帶機等。
ATA-3ATA-3緊跟著ATA-2推出,但是性能沒有多少改善,通常ATA-3等同於EIDE或FastATA。
ATA-4
ATA-4又稱作UltraATA或UltraDMA,包含ATAPI4規定。ATAPI是"ATAttachmentwithPacketInterface"的簡稱,允許CD-ROM和磁帶機與ATA硬碟共享ATA匯流排,ATA-4是今天電腦使用最多的控制器。
硬碟控制器ATA-5是正在開發中的規定,能夠支持超過66MB速度的傳輸,同時通過改善內部算法提高了可靠性。要求使用新的UDMA80電纜,新的主機板將支持ATA-5。
Apple-ATA
許多Macintosh電腦包括G3和G4也執行IDE,EIDE或UDMA規定,可以使用任何標準的PC硬碟,不過要另外做格式化。
數據吞吐量
因為多種ATA規格的推出,引伸出吞吐量的有關規格:
ATA/66
最大數據吞吐量為每秒66MB。
ATA/100類似ATA/66,但是最大數據吞吐量為每秒100MB,主機板和硬碟必須同時支持ATA/100,有一些第三方生產的PCI卡可以幫助電腦運行ATA/100驅動。
SCSI控制器
SCSI控制器在系統中使用SCSI需要兩方面的設備:SCSI控制器,通常表現為一塊PCI卡,和SCSI設備如硬碟,CD-ROM等,它們需要用SCSI電纜聯接。最終的選擇取決於你的預算和工作性質,如果希望你的DAW有最多的音軌,應當使用15,000RPM(每分鐘轉數)的SCSI160硬碟。
SCSI的有關規定
SCSI-1
SCSI1是1986年的原始規定,第一個SCSI標準。最多允許聯接7件設備,最大傳輸速度每秒5MB,在當時具有劃時代的意義。
SCSI-2
SCSI2又稱為FastSCSI(快速SCSI),在SCSI1的基礎上做了諸多改善,但是直到1994年之前沒有普遍套用。SCSI-2精簡了一些莫名其妙的選項,增加了可靠性,把傳輸速度提高到每秒10MB。
FastWideSCSIFastWideSCSI是SCSI2的一種類型,匯流排寬度增加一倍,成為16bit匯流排,傳輸速度提高到每秒20MB,一個控制器可以聯接14件設備。
UltraSCSIUltraSCSI也是SCSI2的一種類型,使用原始的8-bit匯流排,但是最高傳輸速度為每秒20MB,單個控制器可以連線的設備仍是7件。
UltraWideSCSIUltraWideSCSI有稱作WideUltraSCSI,如同FastWideSCSI一樣使用16bit匯流排,最高傳輸速度為每秒40MB,一個控制器可以聯接14件設備。
WideUltra2SCSIWideUltra2SCSI
WideUltra2SCSI在一段時間內是最快的SCSI,使用16bit匯流排,最高傳輸速度為每秒80MB,內部時鐘速度加倍,一個控制器可以聯接7件設備。
Ultra3SCSIUltra3SCSI又稱為SCSI160,是極快的SCSI標準。使用32bitPCI槽的控制器最高傳輸速度為每秒80MB,使用64bitPCI槽的控制器最高傳輸速度為每秒160MB,一個控制器可以聯接14件設備。
SCSI3已經慢慢的降低了價格,它將是24bit/96KHz錄音硬碟的最佳選擇。
Ultra320SCSI
Ultra320SCSI是新的SCSI標準,剛剛開始套用。UltraSCSI320使用32bitPCI槽允許最高傳輸速度為每秒160MB,使用64bitPCI槽的控制器最高傳輸速度為每秒320MB。SCSI320使用16bit匯流排,兼容SCSI160。
SAS技術
嵌入式SATA硬碟控制器SAS的特點:
1、更好的性能:
點到點的技術減少了地址衝突以及菊花鏈連結的減速;
為每個設備提供了專用的信號通路來保證最大的頻寬;
全雙工方式下的數據操作保證最有效的數據吞吐量;
2、簡便的線纜連結:
更細的電纜搭配更小的連線器;
3、更好的擴展性:
可以同時連結更多的磁碟設備。
由於串列SCSI(SAS)是點到點的結構,因此除了提高性能之外,每個設備連線到指定的數據通路上提高了頻寬。SAS的電纜結構節省了空間,從而提高了使用SAS硬碟伺服器的散熱、通風能力。一般情況下,較大的並行電纜會帶來電子干擾,SAS的電纜結構可以解決這個問題。此外SAS結構有非常好的擴展能力,最多可以連線16384個磁碟設備。
串列SCSI(SAS)硬碟使用與S-ATA相同的接口,但是使用較多的信號,因此SAS硬碟不能與S-ATA硬碟控制器連結。SAS是通用接口,支持SAS和S-ATA,SAS控制器可以支持SAS和SATA磁碟。S-ATA使用SAS控制器的信號子集,因此SAS控制器支持S-ATA硬碟。
轉接口每個SAS電纜有4根電纜,2根輸入2根輸出。SAS可以同時進行數據的讀寫,全雙工的數據操作提高數據的吞吐效率。
作為一種新的存儲接口技術,SAS不僅在功能上可與FibreChannel媲美,還具有兼容SATA的能力,因而被業界公認為取代並行SCSI的不二之選。SAS的優勢主要體現在:靈活性,可以兼容SATA,為用戶節省投資;擴展性,一個SAS域最多可以直連16384個設備;性能卓越,點對點的架構使性能隨連線埠數量增加而提高;更合理的電纜設計,在高密度環境中提供更有效的散熱。衡量一種技術的優劣通常有4個基本指標,即性能、可靠性、可擴展性和成本。回顧串列磁碟技術的發展歷史,從光纖通道,到SATA,再到SAS,幾種技術各有所長。光纖通道最早出現的串列化存儲技術,可以滿足高性能、高可靠和高擴展性的存儲需要,但是價格居高不下;SATA硬碟成本倒是降下來了,但主要是用於近線存儲和非關鍵性套用,畢竟在性能等方面差強人意;SAS應該算是個全才,可以支持SAS和SATA磁碟,很方便地滿足不同性價比的存儲需求,是具有高性能、高可靠和高擴展性的解決方案。
常見錯誤
並口1.錯誤提示:HDDcontrollerfailure
錯誤解釋:硬碟驅動器控制失敗。
錯誤原因:這是啟動機器時,由POST程式(BIOS中的自動檢測程式)向驅動器發出尋道命令後,驅動器在規定時間內沒有完成操作而產生的逾時錯誤。出現這種錯誤,有可能是你的硬碟已經損壞了。
2.錯誤提示:HDCcontrollerfail
錯誤解釋:硬碟控制器控制失敗。
錯誤原因:這類故障是硬體故障,POST程式向控制器發出復位命令後,在規定的時間內沒有得到控制器的中斷回響,可能是控制器損壞或電纜沒接好,另外,控制器控制失敗與硬碟參數設定是否正確也有關。
IDE錯誤解釋:沒有固化BASIC系統,系統停機。
這種錯誤在486及以前的機器上常常出現,是相當古老的機器才會出現的提示。系統啟動時主引導程式的作用,就是在分區表的四個表項中找出硬碟的一個激活分區(可以啟動的分區)。硬碟中沒有一個是激活分區,系統就不知從何處引導作業系統,只能執行一個中斷,調用早期電腦固化在BIOS中BASIC程式,如果沒有固化BASIC,就會出現這個錯誤,引起當機。所以最簡單的修複方法,就是用FDISK在硬碟上設定一個活動分區。現在的電腦不再固化BASIC程式,也就不會再出現這個錯誤。

