補償控制
基於不變性原理組成的自動控制稱為補償控制,它實現了系統對全部干擾或部分干擾的補償。 按其結構的不同, 補償控制系統一般有前饋控制系統和大遲延過程系統兩種。補償控制系統廣泛套用於工業生產過程、醫學、心理學、軍事、電機、計算機等領域。
前饋控制是以不變性原理為理論基礎的一種控制方法, 屬開環控制系統。 常用的前饋控制系統有單純前饋控制系統、前饋 -反饋控制系統和前饋 -串級控制系統等三種結構形式。大遲延系統的解決方法很多, 最簡單的是利用常規控制器。主要採用常規 PID 的變形方案,如微分先行控制方案和中間微分控制方案等。
相位控制
在供電電壓全周或半周內,使電流開始流通的瞬時起變化的過程。在此過程中電流通過零值左右就停止。
通過控制觸發脈衝的相位來控制直流輸出電壓大小,簡稱相控方式。
例如:可控整流電路中,調節觸發信號觸發角a,可控制輸出電壓Ud的大小。對應的還有斬波控制、SPWM控制。
相位補償控制簡介
作用
1. 改變反饋網路相移,補償運放相位滯後
2. 補償運放輸入端電容的影響(其實最終還是補償相位……)
因為我們所用的運放都不是理想的。
一般實際使用的運算放大器對一定頻率的信號都有相應的相移作用,這樣的信號反饋到輸入端將使放大電路工作不穩定甚至發生振盪,為此必須加相應的電容予以一定的相位補償。在運放內部一般內置有補償電容,當然如果需要的話也可在電路中外加,至於其值取決於信號頻率和電路特性 。
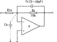
相位補償控制運動補償電容
一般線性工作的放大器(即引入負反饋的放大電路)的輸入寄生電容Cs會影響電路的穩定性,其補償措施見圖。放大器的輸入端一般存在約幾皮法的寄生電容Cs,這個電容包括運放的輸入電容和布線分布電容,它與反饋電阻Rf組成一個滯後網路,引起輸出電壓相位滯後,當輸入信號的頻率很高時,Cs的旁路作用使放大器的高頻回響變差,其頻帶的上限頻率約為:
ωh=1/(2πRfCs)
若Rf的阻值較大,放大器的上限頻率就將嚴重下降,同時Cs、Rf引入的附加滯後相位可能引起寄生振盪,因而會引起嚴重的穩定性問題。對此,一個簡單的解決方法是減小Rf的阻值,使ωh高出實際套用的頻率範圍,但這種方法將使運算放大器的電壓放大倍數下降(因Av=-Rf/Rin)。為了保持放大電路的電壓放大倍數較高,更通用的方法是在Rf上並接一個補償電容Cf,使RinCf網路與RfCs網路構成相位補償。RinCf將引起輸出電壓相位超前,由於不能準確知道Cs的值,所以相位超前量與滯後量不可能得到完全補償,一般是採用可變電容Cf,用實驗和調整Cf的方法使附加相移最小。若Rf=10kΩ,Cf的典型值絲邊3~10pF。對於電壓跟隨器而言,其Cf值可以稍大一些。
相位補償控制對於許多集成運算放大電路,若輸出負載電容CL的值比100pF大很多,由於輸出電容(包括寄生電容)與輸出電阻將造成附加相移,這個附加相移的累加就可能產生寄生振盪,使放大器工作嚴重不穩定。解決這一問題的方法是在運放的輸出端串聯一個電阻Ro,使負載電容C與放大電路相隔離,如圖所示,在Ro的後面接反饋電阻Rf,這樣可以補償直流衰減,加反饋電容C會降低高頻閉環電壓放大倍數,C的選取方法是:使放大電路在單位增益頻率f時的容抗Xcf≤Rf/10,又X=l/(2πTC),一般情況下,Ro=50~200Ω,C約為3~10pF。
除了上述不穩定因素之外,還存在其他一些不穩定因素,有些是來自集成晶片自身。有些是源於系統電路(例如電源的內阻抗的耦合問題)。有時使用很多方法都難以解決不穩定問題,但採用適當的補償方法後可使問題迎刃而解。例如。當放大器不需要太寬的頻帶和最佳轉換速率時,對集成運放採用過補償的方法會取得很好的效果,如將補償電容增加9倍或為實現穩定性所需要的倍數,對μA301型運放而言,其效果一般都較好。
原理
設被控對象受到干擾 Di(t) 的作用時,被控變數 y(t)的不變性可表示為:當 Di(t)≠0 時,則 y(t)=0 (i=l,2,…,n) ,即被控變數 y(t)與干擾 Di(t) 獨立無關。基於不變性原理組成的自動控制稱為補償控制, 它實現了系統對全部干擾或部分干擾的不變性,實質上是一種按照擾動進行補償的開環系統。
補償控制首先求出滿足性能指標的控制規律,然後在系統中增加補償控制器,來改變控制器的回響,從而使整個系統獲得期望的性能指標。
分類
前饋補償
(1)按控制量補償:將控制輸入量R(S)經過處理(Gc(S))後,直接向前傳遞,並與主控制器的輸出進行疊加。控制信號直接作用到被控對象,構成開環控制的補償。
相位補償控制(2)按擾動量補償:將系統的擾動輸入量D(S)經過處理(Gc(S))後向前傳遞,與主控制器的輸出進行疊加。增加擾動信號的前向通道,利用雙通道原理來補償干擾。
相位補償控制反饋補償
即反饋校正,在主控制器反饋迴路中增加一個控制器。
相位補償控制串聯補償
即串聯校正,將補償器與主控器串聯起來。
相位補償控制前饋控制
前饋控制是按擾動量的變化進行控制的,是一種擾動補償或按擾動控制,是一種開環控制,如圖1。
圖1根據不變性原理(即擾動補償原理),要實現擾動補償,就必須使用補償裝置,使擾動點與被控量之間具有兩個通道,並且使與動態特性的大小相等,符號相反,才能實現完全補償。如果兩個通道僅放大係數相等,則僅能實現靜態補償。通常,前饋控制不單獨使用,而是與反饋控制同時使用,即組成複合控制系統,同時按偏差與按擾動調節。
前饋控制的控制原理及缺點
系統出現擾動時,立即將其測量出來,通過前饋控制器,根據擾動t的大小來改變控制量,抵消或減小擾動對被控量的影晌。被控量的偏差並不反饋到控制器,而是將系統的擾動信號前饋到控制器,故稱前饋控制。
前饋控制是開環控制,在控制過程中不測取被控參量信息,只對指定的擾動量進行補償;對指定的擾動量,由於數學模型的簡化、工況的變化及對象特性的漂移,很難實現完全補償;系統的干擾因素較多,若對所有的擾動進行測量井採用前饋控制,增加系統的複雜程度,而有些擾動量無法測量,不可能實現前饋控制。
引入前饋控制的原則
在系統中引入前饋控制應遵循的原則:
(1)系統中的擾動量是可測不可控的。若干擾不可測,前饋控制無法實現。若干擾可控,可設定獨立的控制系統予以克服。
(2)系統中的擾動量的變化幅值大、頻率高。高頻干擾對被控對象的影響很大,易導致持續振盪 。採用前饋控制,可以對干擾進行同步補償控制,獲得較好的控制品質。
(3)控制通道的滯後較大或干擾通道時間常數較小。
動態前饋控制
當被控對象的控制通道和干擾通道的傳遞 函式不同時,或對動態誤差控制精度要求很高的場合,必須考慮採用動態前饋控制方式。
動態前鑲控制的原理是:通過選擇適當的前饋控制器,使干擾信號經前饋控制器至被控量通道的動態特性完全複製對象干擾通道的動態特性,但符號相反,以實現對干擾信號的完全補償。動態前饋控制可使系統靜態偏差等於或接近於零,又可使系統的動態偏差等於或接近於零。
前饋-反饋控制
前饋控制器用來消除主要擾動量的影響;反饋控制器則用來消除前饋控制器不精確和其它不可測干擾所產生的影響。
相位補償控制前饋一串級控制
如果被控對象的主要干擾頻繁而又劇烈,而生產過程對被控參量的精度要求有很高,可以考慮採用前饋一串級控制方案。
相位補償控制大遲延過程系統
大延遲過程是指廣義對象的時滯與時間常數之比大於0.5 。工業生產中典型的大延遲過程有傳送物料能量、測量成分量、皮帶運輸、帶鋼連札機、以及多容量、多種設備串聯等過程,都存在較大的時滯時間。延遲對系統品質具有較大影響,如使閉環特徵方程中含有純延遲因子、減低系統的穩定性等。
大遲延控制過程是較難控制的,為了改善大遲延系統的控制品質,
圖21957 年史密斯提出了一種以模型為基礎的預估器補償控制方法,即Smith 預估器。它的特點是預先估計出過程在基本擾動下的動態特性, 然後由預估器進行補償,以減小超調量和加速調節過程。Smith預估器的原理圖如圖2所示。
Smith預估器是一種以模型為基礎的預佑器補償控制方法。其設計思想是預估出過程對擾動的動態回響,並將預估結果作為反饋提早供給控制器動作,以提前對擾動進行補償。採用Smith預估補償控制方法可以消除純滯後環節對控制系統品質的影響。
