特點
直流母線系統用電效率最高.
電機反饋能量可以被利用.
瞬間停電不會跳脫停機.
功率因子較高,可達95%以上.
電網諧波較低.
可以急降速.
允許頻繁起動操作.
不須相同的電機功率.
最適合比例連動多台控制.
可以驅動三相永磁同步電機.
在比例連動或有能量反饋的負載(例如:油田瞌頭機,脫水機,拉絲機,起重機,比例連動控制系統等負載)一般使用變頻器驅動都需增加反饋電網的裝置或制動電阻,否則無法順利使用. 採用反饋電網的方式,其投入成本高。採用制動電阻因為反饋能量大,消耗功率很大,是較不經濟的方法。因此,如何把負載慣量產生的電能再生利用,此為關鍵技術重點之一。
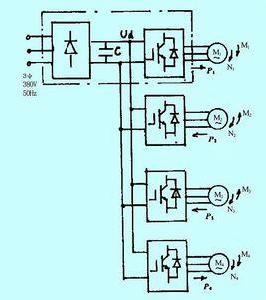
共用直流母線的原理就是將變頻器分解為兩個部件,即:整流器部分與逆變器分開。如此:一台較大整流裝置可以供應多台逆變裝置,每一台逆變器的直流母線均並聯在一起.因此,逆變器反饋的能量可以彼此互相利用。所有逆變器能量不足的部分再由整流橋補充,由電網供電;因此這種套用方式節電率最高。(共用直流母線技術如下圖所示)
技術要求
共用直流母線技術的基本要求:
逆變器需共享整流裝置,此整流裝置為共用直流母線專用裝置。
逆變器儘量安裝在一起,避免遠距離配線,最好在同一個電氣房。
逆變器每一台都必須另外作隔離保護裝置。
不能使用一般變頻器作共用直流母線使用,否則會有炸機的危險。
電機M1~M4的容量功率可以不必相同,但必須考慮停機時能量反饋能否被用掉。
一般運轉台數在4~12台(電機功率可以不相同)一組共用直流母線為佳。
普傳PI-3000G逆變器可以驅動永磁同步電機,解決起動的衝擊問題.
與其它國產品牌產品比較的優點列舉:
普傳PI-3000G採用無速度感測器矢量控制技術,技術先進;
起動轉矩及低速轉矩超過一般VF及空間電壓矢量控制(參考PI-3000G);
運轉效率高於一般VF及空間電壓矢量控制約3~6%;
轉速精度高於國產品牌傳統控制技術;
動態性能較佳,高出一個數量級以上。
選型建議
普傳變頻調速器PI-3000G系列通用型產品各種容量或電壓等級均可作為共用直流母線,客戶設計選型時只要參考通用型規範書內容,同時註明整套系統需求的規格數量即可,整流裝置將依據所有容量的總和來單獨設計.由於共用直流母線屬於專用機型,請相本公司業務部門洽詢選購.

