生產歷程
瑞士P220式手槍 SIG-SAUERP220手槍是在1970年代應瑞士軍方的要求而研製的,不過計畫在1960年代未開始。瑞士軍隊裝備的SIGP210手槍既貴且產量又低,軍方需要一種比較便宜的代替產品,但必須是性能優秀的手槍。由於SIG公司的輕武器分部SIGArms規模較小,為了能在手槍的設計和生產上有更大的發展空間,SIG公司便與德國的J.P.SAUER&Sohn公司合作研製這種新手槍,因為增加了這個德國的生產車間,以後SIG公司便有能力完成任何北約國家的大宗手槍訂單。由於是兩家公司合作設計和生產的,因此這種手槍全稱為SIG-SAUERP220。9×19mm口徑的P220在1975年正式裝備瑞士軍隊,軍方編號為M75,隨後日本、丹麥和法國也有採用。
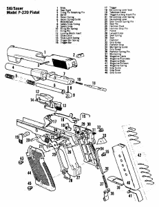
P220的底把為鋁合金件,表面作啞黑色陽極化拋光處理,可減輕手槍的重量。套筒是由一塊2mm厚的鋼板衝壓成一個上蓋的形狀,再通過電焊把整個槍口部接上,經回火後鑽孔,再用機器做深加工。擊錘、板機和彈匣扣均為鑄件,而分解旋柄、待擊解脫柄和空倉掛機柄均為衝壓鋼件,槍管是用優質鋼材冷鍛生產。握把側片是塑膠,復進簧則是纏繞鋼絲製成。槍機體用一根鋼銷固定在套筒尾部。
所有的鋼零件表面均作啞黑色氧化或磷酸鹽處理,由於防鏽處理較簡單,因此平時要勤快維護槍枝以免生鏽,這實際上幾乎成了SIG-SAUER系列手槍的普遍缺點。
結構特點
瑞士P220式手槍 P220簡化了約翰·白朗寧發明的延遲後坐閉鎖方式,只用套筒P220手槍的拋殼口直接與彈膛的外部的閉鎖塊配合來進行閉鎖,而不需要專門在槍管上增加閉鎖凸耳,在套筒內銑出閉鎖溝槽來配合。當擊發後,套筒和槍管一起后座,彈膛下方的凸耳沿著底把上的開/閉鎖凸筍頂面後移,經過約3mm的自由行程後,凸耳內的開鎖斜面與開/閉鎖凸筍的斜面相互作用,迫使槍管尾部下降離開套筒而開鎖。當槍管尾端被底把上的凸起所阻而停止后座時,套筒繼續后座,完成抽殼、拋殼、壓倒擊錘等動作。然後套筒在復進簧的作用下再次復進,推彈入膛,進而帶動槍管向前。在槍管凸耳內的閉鎖斜面和底把中的開/閉鎖凸筍共同作用下,槍管尾部上抬卡入套筒內壁的閉鎖槽中,實現閉鎖。閉鎖後,套筒和槍管再向前走完3mm自由行程便復進到位。在P220後,這種簡單的手槍閉鎖方式就變得非常流行,例如後來的Glock系列就採用了這種閉鎖方式。
P220採用單/雙動擊發機構。當擊錘在前方位置時,可使用雙動擊發,扳機拉力為4.5kg,扳機行程為13mm;當擊錘在待發位置時,為單動擊發,扳機拉力為1.7kg,扳機行程4mm。
雙動擊發時,扣壓扳機後,扳機連桿向前運動,擊錘則向後迴轉至待發位置。扳機連桿運動到快要使阻鐵上抬脫離擊錘待發缺口的瞬間,又帶動彈簧保險桿向上旋轉至擊針的下方,推出擊針保險卡鎖。於是,當擊錘打擊擊針時,擊針便能自由向前。單動擊發時,扳機連桿在使阻鐵上抬解脫擊錘之前,也要帶動保險桿旋轉,使擊針保險卡鎖解脫擊針。由此可以看出,除非扳機連桿運動到足以使擊針保險卡鎖解脫的程度,否則擊針就始終被保險卡鎖鎖住。因此,不管擊錘處於前方或後方,都可以安全攜帶,不會出現因擊針慣性作用而“走火”的問題。
由於P220的保險機構非常可靠,故乾脆取消手動保險裝置,只使用一個待擊解脫柄,這種設計雖然不是SIG-SAUER的首創,但在P220之前極少有。當射手將實彈匣插入握把,拉套筒到後方並放回,推彈入膛。如不立即射擊,應壓下套筒左側、扳機上方偏後的擊錘解脫桿,使阻鐵上抬脫離擊錘,擊錘在簧力作用下向前迴轉,其保險卡槽隨之又被阻鐵所卡入。此時,擊錘位於前方,但與擊針還相隔一段距離,可安全攜帶。該槍的擊針在通常情況下是被鎖住的,即便手槍不慎落地,也不會“走火”。而當射手遇到突發情況時,隨時可以撥出手槍以雙動方式發射首發彈,而不會因為需要先保險而延誤戰機。
P220手槍該槍有空倉掛機柄,當彈匣內的槍彈打完之後,托彈板就頂起底把左側的空倉掛機卡筍,使之卡入套筒的缺口,將套筒阻於後方位置。插入實彈匣後,用手壓下空倉掛機,或將套筒稍向後拉並放回,都能使套筒復進成待髮狀態。P220有專門的分解旋柄,取下彈匣,檢查膛內及進彈口是否確實無彈。向後拉套筒,直到其上的缺口對正底把上的分解旋柄,轉動旋柄,自底把前方取下套筒組件,從套筒組件中分解出槍管和復進簧。
P220在更換套筒和槍管後,可以發射不同口徑的槍彈,包括.45ACP手槍彈,.32ACP(7.62×22mm)以及.38Super(柯爾特高級自動手槍彈)等。後來SIG-SAUER以P220手槍為基礎開發出P225、P226、P229等等一系列不同類型的手槍,憑著其射擊性能優良、操作安全可靠的優點,使整個SIG-SAUERP220系列在軍用、警用和民間市場都很受歡迎。
技術參數

瑞士P220式手槍結構圖
供彈方式:9發
口徑:9毫米(mm)
全槍質量:.75千克(kg)*含彈匣
全長:198毫米(mm)
槍管長:112毫米(mm)
膛線:6條,右旋,纏距250mm4條,右旋
彈頭初速:345米/秒
瞄準基線:長160毫米(mm)
其它參數:全槍寬35.5mm,全槍高142mm
扳機力單動4.5磅
世界著名的手槍
| 手槍是能單手握持發射的小型槍械。多用於近戰和自衛,一般有效殺傷距離約50米。 手槍是一種單手握持瞄準射擊或本能射擊的短槍管武器,通常為指揮員和特種兵隨身攜帶,用在50米近程內自衛和突然襲擊敵人。現代手槍的基本特點是:變換保險、槍彈上膛、更換彈匣方便,結構緊湊,自動方式簡單。現代軍用手槍主要有自衛手槍和衝鋒手槍。 |

