基本簡介
CVT即無級變速傳動,其英文全稱Continuously VariableTransmission,簡稱CVT。發明這種變速傳動機構的是荷蘭人,有其裝置的變速器也稱為無段變速箱或者無級變速器。這種變速器和普通自動變速器的最大區別是它省去了複雜而又笨重的齒輪組合變速傳動,而只用了兩組帶輪進行變速傳動。通過改變驅動輪與從動輪傳動帶的接觸半徑進行變速,其設計構思十分巧妙。由於傳統CVT可以實現傳動比的連續改變,從而得到傳動系與發動機工況的最佳匹配,提高整車的燃油經濟性和動力性,改善駕駛員的操縱方便性和乘員的乘坐舒適性,所以它是理想的汽車傳動裝置。無段變速箱轎車一樣有自己的檔位,停車檔P、倒車檔R、空檔N、前進檔D等,只是汽車前進自動換檔時十分平穩,沒有突跳的感覺。
分類
為實現無級變速,按傳動方式可採用液體傳動、電力傳動和機械傳動三種方式。
液體傳動
液體傳動分為兩類:一類是液壓式,主要是由泵和馬達組成或者由閥和泵組成的變速傳動裝置,適用於中小功率傳動。另一類為液力式,採用液力耦合器或液力矩進行變速傳動,適用於大功率(幾百至幾千千瓦)。 液體傳動的主要特點是:調速範圍大,可吸收衝擊和防止過載,傳動效率較高,壽命長,易於實現自動化:製造精度要求高,價格較貴,輸出特性為恆轉矩,滑動率較大,運轉時容易發生漏油。
電力傳動
無級變速 電力傳動基本上分為三類:一類是電磁滑動式,它是在異步電動機中安裝一電磁滑差離合器,通過改變其勵磁電流來調速,這屬於一種較為落後的調速方式。其特點結構簡單,成本低,操作維護方便:滑動最大,效率低,發熱嚴重,不適合長期負載運轉,故一般只用於小功率傳動。 二類是直流電動機式,通過改變磁通或改變電樞電壓實現調速。其特點是調速範圍大,精度也較高,但設備複雜,成本高,維護困難,一般用於中等功率範圍(幾十至幾百千瓦),現已逐步被交流電動機式替代。 三類是交流電動機式,通過變極、調壓和變頻進行調速。實際套用最多者為變頻調速,即採用一變幅器獲得變幅電源,然後驅動電動機變速。其特點是調速性能好、範圍大、效率較高,可自動控制,體積小,適用功率範圍寬:機械特性在降速段位恆轉矩,低速時效率低且運轉不夠平穩,價格較高,維修需專業人員。近年來,變頻器作為一種先進、優良的變速裝置迅速發展,對機械無級變速器產生了一定的衝擊。
機械傳動
傳統的機械傳動的特點主要是:轉速穩定,滑動率小,工作可靠,具有恆功率機械特性擊性較差,故一般適合於中、小功率動。傳動效率較高,而且結構簡單,維修方便,價格相對便宜;但零部件加工及潤滑要求較高,承載能力較低,抗過載及耐衝擊性較差,故一般適合於中、小功率傳動。
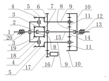
新型無級變速器的結構簡圖 新型CVT機構在可調節的齒輪輪轂上且位於同步齒輪的外圍圓周上通過連線軸安裝有扇形齒輪,扇形齒輪上的齒輪與同步齒輪外圓上的齒輪相嚙合,扇形齒輪的外側與齒桿的一端相固定,這樣就組成了可調節的齒輪,當可調齒輪繞齒桿彎曲方向轉動來驅動內齒圈時,通過伺服機構調節齒輪轉軸與內齒圈轉軸之間的距離,從而改變兩個相鄰齒桿之間所作用內齒圈的齒數,改變傳動比,進而可以實現無級變速。
新型CVT結構緊湊,占用空間小,成本低廉,傳動效率高,可以實現高負載下的有效傳動,使用很方便,便於大規模推廣使用。
可變斜面式無級變速器性能更加優越,多項技術指標超出人們對無級變速器的要求。
車型種類
常見的無級變速器有液力機械式無級變速器和金屬帶式無級變速器(VDT-CVT),目前國內市場上能見到的、採用了這種技術的有雷克薩斯CT200h、奧迪A6部分車型、比亞迪(G3)、日產(陽光、天籟、軒逸、逍客、騏達)、派力奧(西耶那、周末風)、本田思域和、飛度(新款才有)、MG 3SW、旗雲、長城(騰翼系列轎車)、帝豪(EC7、EC7-RV)等車型,目前偏向於大型的有沃爾沃產的巴士。
歷史淵源
無級變速器和自動變速器的淵源
自動變速器是為了簡便操作、降低駕駛疲勞而生的,按齒輪變速系統的控制方式,它可以分為液控液壓自動變速器和電控液壓自動變速器;按傳動比的變化方式又可分為有級式自動變速器和無級式自動變速器。因此,無級變速器實際上是自動變速器的一種,但它比常見的自動變速器要複雜得多,技術上也更為先進。
傳統無級變速器與常見的液壓自動變速器最大的不同是在結構上,後者是由液壓控制的齒輪變速系統構成,還是有擋位的,它所能實現的是在兩擋之間的無級變速,而傳統無級變速器則是兩組變速輪盤和一條傳動帶組成的,比傳統自動變速器結構簡單,體積更小。另外,它可以自由改變傳動比,從而實現全程無級變速,使車速變化更為平穩,沒有傳統變速器換擋時那種“頓”的感覺。
新型無級變速器由可調節的齒輪和內齒圈組成,通過調節齒輪轉軸與內齒圈轉軸的距離,改變齒輪相鄰兩齒桿之間所包含內齒圈的齒數,來改變傳動比,承載能力高,傳動效率高,未來必將影響汽車的發展歷史,這種新型機構由中國人發明的。
無級變速器
奧迪Multitronic無級/手動一體變速器
奧迪的Multitronic變速器是在原有無級變速器的基礎上安裝了一種稱為多片式鏈帶的傳動組件,這種組件大大拓展了無級變速器的使用範圍,能夠傳遞和控制峰值高達280 N·m的動力輸出,其傳動比超過了以前各種自動變速器的極限值。該變速器的明顯優勢是耗能少,反應更快,從車輛的整體性能來看,裝有Multitronic變速器的奧迪A6 2.8轎車的0~100 km/h加速時間比同級普通自動變速器車型快了1.3 s,百公里油耗降低了0.9 L。
Multitronic 還採用了全新的電子控制系統,以克服原有無級變速器的不足。比如在上下坡時,系統能自動探測坡度,並通過調整速比增加動力輸出或加大發動機的制動扭矩來協助車輛行駛。
相對於傳統的自動變速器,Multitronic有更高的靈活性,在增加或刪除變速模式的時候,只需要更改電腦程式即可改變齒輪的比數和半徑,因此可以和多台不同類型、不同輸出特性的發動機配合使用。
旗雲CVT
旗雲CVT採用了德國ZF公司生產的VT1F無級變速器,和它出色的發動機一起,這一整套動力和傳動系統都來自於寶馬MINICOOPER。該無級變速器有無級變速、自動巡航、運動模式和6擋手動4種駕駛模式,與電子油門配合以後更接近智慧型化控制,採用了CVT變速器的旗雲百公里油耗僅比原來增加了0.3 L(廠家數字)。
派力奧Speedgear
派力奧(西耶那、周末風)Speedgear是一種手/自一體式電控無級變速器(ECVT),南京菲亞特率先把它套用在小型車上。它提供兩種換擋模式:電控無級自動變速模式和6擋順序手動變速模式,駕駛者可以根據喜好選擇不同的換擋方法。Speedgear由液力扭矩轉換器、兩個可變直徑鋼帶輪和一根傳動金屬帶(一定數量的鋼片和兩根9層鋼帶)組成,具有更寬的傳動比,同時具有無級變速器結構簡單、體積緊湊的特點。
飛度CVT
飛度的CVT無級變速器是專門為小型車設計的,屬於新一代鋼帶無級自動變速器,可允許兩個帶輪之間進行高扭矩傳遞,運轉平穩、傳動效率高,是小型車裡較好的。飛度的CVT變速器還帶有S擋(運動模式),既追求流暢感、低油耗,又不乏駕駛樂趣。
CVT技術真正套用在汽車上不過十幾年的時間,但它比傳統的手動和自動變速器的優勢卻是顯而易見的:
1. 結構簡單,體積小,零件少,大批量生產後的成本肯定要低於當前普通自動變速器的成本;
2. 它的工作速比範圍寬,容易與發動機形成理想的匹配,從而改善燃燒過程,進而降低油耗和排放;
3. 具有較高的傳送效率,功率損失少,經濟性高。
當然,CVT技術也有它的弱點,比如傳動帶容易損壞,無法承受較大的載荷等等,這些技術上的難關使得它一直以來多套用在小排量、低功率的汽車上。
目前CVT技術發展得相當迅速,各大汽車廠家都在加強這一領域的研發。尤其是在混合動力汽車具有廣泛前景的將來,CVT的地位和作用更是無可替代,它將會是未來變速器發展的大趨勢。
其它車型:大眾途觀等合資車。
平衡式行星齒輪無極(級)變速器
技術簡介:此技術利用兩套齒輪組形成一個受控的平衡端從而實現變速。平衡端就像一架平衡狀態下的天平一樣,只需很小的力就能打破平衡使平衡端轉動,通過改變這個力的大小就能控制平衡端的轉速從而實現變速。
原
工作原理:假設錐形齒圈5固定不轉,當輸入軸1帶動錐形齒輪2正方向轉動時,通過錐形齒輪3和4使得錐形太陽齒輪7與太陽齒輪14反轉,此時錐形齒輪4給了錐形齒圈5一個正方向的力。太陽齒輪14反轉促使行星齒輪架9(平衡端支架9)產生一個反轉的力,此時這個反轉的力與錐形齒圈5上正轉的力大小相等、方向相反互相作用形成平衡端,所以錐形齒輪5和平衡支架9不轉。這時候只要錐形齒圈5和平衡支架9在外力作用下轉動並改變轉速,輸出端就變速了。形象點說平衡端就像一架平衡狀態下的天平,只要給很小的外力就能打破平衡。再通過控制這個很小的力就能控制平衡端的轉速從而實現變速。如果用電機控制平衡端反轉還能實現離合器的功能。
套用一組數據說明:差速器齒輪組錐形齒輪5為50齒,其他錐形齒輪為10齒。行星減速齒輪組太陽齒輪14為10齒,內齒太陽輪10為30齒。這時平衡端形成。假設平衡端不動,單位時間內輸入軸1正轉6圈,錐形太陽齒7與太陽齒14反轉4圈,輸出軸正轉1.33圈。輸入輸出比為4.5比1,起到減速器的作用。此時若平衡端反轉輸出端會變慢,當平衡端反轉速度與輸入端速度到達一定比例時輸出端不轉,這樣就實現了離合器的功能。此時若平衡端正轉並加速則輸出端加速,直到輸入端、平衡端與輸出端速度相同達到一比一的速比。
控制說明:本設計首選阻尼器控制,因為阻尼器控制速度越高其損耗越小。設計時讓錐形齒輪5正方向轉動的力大於行星齒輪架9反方向的力一點促使平衡端正轉。這樣只用阻尼器就能控制平衡端實現變速。多餘的力也不會浪費,它會轉而通過錐形齒輪7最後作用於輸出端。電機控制由於需要額外的功率所以會降低效率,但它可以用於離合器的控制。
效率分析:此技術最關鍵的是平衡端的穩定性和齒輪的效率。穩定性越好控制其力量越小效率越高。穩定性方面系統必須採用斜齒的方式。還有一些其他方式也能提高穩定性。齒輪傳動中假設每經過一級齒輪消耗百分之一的力,那么此結構變速器經過五級齒輪傳動在車輛起步時效率接近94%。當車輛速度達到四十公里每小時效率接近97%。當到達八十公里每小時以上的速度時效率接近100%。此時輸入端與輸出端速度相同,變速器就好似一根傳動軸只有軸承略有阻力消耗。
技術優勢:該技術同時擁有CVT無級變速和齒輪變速的共同優點。所以此技術在提速、大扭矩與高速時更能顯示其優越性。此技術還能同時實現離合器的功能。
成本優勢:此技術主要部件就是齒輪,控制部件是阻尼器和電機。零部件較少。
市場優勢:此技術不僅能套用在各種車輛上,還能在其他各種需要不同變速比的機械上使用。如果輸入端與輸出端反用還能成為無級增速器用於大型風力發電機組,使其變速更簡單。套用範圍甚廣。
技術現狀:此技術現處於理論階段,樣品設計和軟體模擬正在進行中。

