簡介
山西潞安環保能源開發股份有限公司成立於2001年7月19日,系經山西省人民政府以晉政函〔2001〕202號檔案批准,以山西潞安礦業(集團)有限責任公司作為主發起人,聯合鄭州鐵路局、日照港(集團)有限公司、上海寶鋼國際經濟貿易有限公司、天脊煤化工集團有限公司和山西潞安工程有限公司五家單位共同發起設立的股份有限公司。公司註冊地址為山西省長治市高新技術產業開發區城北街2號,註冊資本為45,919萬元人民幣,法人代表為任潤厚先生。
公司位於山西省東南部上黨盆地北緣,所轄煤田屬沁水煤田東部邊緣中段,總面積約為1334平方公里,地質總儲量98.15億噸,可采儲量56.65億噸。礦區地理位置優越,交通便利。
公司主營業務包括原煤開採、煤炭洗選、煤焦冶煉;潔淨煤技術的開發與利用;煤層氣開發;煤炭的綜合利用等。現有五陽煤礦、漳村煤礦、王莊煤礦、常村煤礦四對生產礦井、五座洗煤廠和兩個控股子公司,資產總額51億元。
公司所屬各礦均為行業特級高產高效礦井,綜合機械化程度達到100%,原煤核定生產能力為1860萬噸。煤炭產品屬特低硫、低磷、低灰、高發熱量的優質動力煤和煉焦配煤,主要有混煤、洗精煤、噴吹煤、洗混塊等4大類煤炭產品以及焦炭產品,主要套用於發電、動力、煉焦、鋼鐵行業。2005年生產煤炭1871萬噸,主營業務收入57億元,利潤總額9.3億元。
公司發展戰略為:立足煤、延伸煤、超越煤,走煤炭深度加工、就地轉化增值、“吃乾榨淨”、發展循環經濟、綠色經濟的道路,拉長加粗煤—電—化、煤—焦—化兩條主產業鏈。
公司首次發行A股已於2004年12月26日順利通過中國證監會發審會,即將發行並上市交易。
潞安環能山西潞安環保能源開發股份有限公司是由山西潞安礦業(集團)有限責任公司作為主發起人,將其所
屬王莊煤礦、漳村煤礦、常村煤礦、五陽煤礦、石圪節礦洗煤廠以及與之相關的經營性資產經北京中企華資產評估有限公司出具評報字第014號評估報告,並經山西省財政廳晉財企106號檔案確認的經營性淨資產646,458,900.00元作為出資,根據山西省財政廳晉財企108號文“關於山西潞安環保能源開發股份有限公司國有股權管理有關問題的批覆”投入的淨資產折為國有法人股420,190,000股,占本公司股本總額的91.51%;鄭州鐵路局、上海寶鋼國際經濟貿易有限公司、日照港(集團)有限公司、天脊煤化工集團有限公司和山西潞安工程有限公司五家發起人以現金方式投入,共同發起設立的股份有限公司。以上發起人出資業經山西天元會計師事務所(2001)天元股驗字第003號驗資確認。本公司於二零零一年七月十九日經山西省政府晉政函202號文批准在山西省工商行政管理局登記註冊,並領取了註冊號的企業法人營業執照,註冊資本為45,919萬元。2006年9月本公司根據2005年度股東大會決議、修改後的章程的規定及中國證券監督管理委員會證監發行字66號文《關於核准山西潞安環保能源開發股份有限公司首次公開發行股票的通知》的批覆,以每股人民幣11.00元的價格向境內投資者發行了面值為人民幣1.00元的A股股票18,000萬股,並於2006年9月22日掛牌上市。
下屬產業
公司現有五陽煤礦、漳村煤礦、王莊煤礦、常村煤礦四對生產礦井、五座洗煤廠和余吾煤業有限責任公司、潞寧煤業有限責任公司、五陽弘峰有限責任公司、潞安天脊化工有限公司、潞安鴻州物資貿易開發有限公司、潞安溫莊煤業有限責任公司、元豐礦產有限公司、潞安潞欣投資諮詢有限公司、襄五煤炭經銷有限公司九個控股子公司,參股潞安環能煤焦化工有限責任公司、山西潞安集團財務有限公司、山西天脊潞安化工有限公司.
經營範圍
原煤開採(只限分支機構)。煤炭洗選;煤焦冶煉;潔淨煤技術的開發與利用;煤層氣開發;煤矸石磚的製造;煤炭的綜合利用;勘查工程施工(鑽探);固體礦產勘查;水文地質、工程地質、環境地質調查。
主要項目
公司所屬各礦均為行業特級高產高效礦井,綜合機械化程度達到100%,原煤核定生產能力為1860萬噸。煤炭產品屬特低硫、低磷、低灰、高發熱量的優質動力煤和煉焦配煤,主要有混煤、洗精煤、噴吹煤、洗混塊等4大類煤炭產品以及焦炭產品,主要套用於發電、動力、煉焦、鋼鐵行業。
十大股東
潞安環能1 山西潞安礦業(集團)有限責任公司
2 鄭州鐵路局
3 中國工商銀行-易方達價值成長混合型證券投資基金
4 中國農業銀行-交銀施洛德精選股票證券投資基金
5 山西潞安工程有限公司
6 日照港(集團)有限公司
7 天脊煤化工集團股份有限公司
8 中國建設銀行-交銀施洛德藍籌股票證券投資基金
9 中國工商銀行-廣發穩健增長證券投資基金
10 中國工商銀行-匯添富均衡增長股票型證券投資基金
經營情況
報告期內公司經營情況
報告期內,實現營業總收入8,648,267,310.86 元,比上年增加910,956,374.4 元;增長11.77% ;實現利潤1,656,960,522.20 元,比上年1,396,471,575.54 元,增加260,488,946.66,增長18.65% ;淨利潤1,228,926,621.57 元,比上年1,049,536,869.24 元增加179,389,752.33 元,增加17.09% 。每股收益達到1.02 元。
證券資料
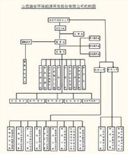
潞安環能公司組織結構
證券簡稱 潞安環能
證券類型 A股
上市狀態 已經上市
上市國家/地區 中國大陸
上市交易所 上海
上市日期 2006-09-22
發行價(元) 11
上市首日收盤價(元) 14.22
上市首日漲跌幅(%) 29.27
上市首日換手率(%) 63.25
摘牌日期 沒有摘牌
主承銷商: 廣發證券股份有限公司
上市推薦人: 廣發證券股份有限公司
審計機構: 立信會計師事務所有限公司
經辦會計師: 劉旻 尹巍
法律顧問: 山西德為律師事務所
資產評估機構: 北京中企華資產評估有限責任公司 中興財會計師事務所有限責任公司
經辦評估人員: 黎東標 許秀玲 李建綱劉強
行業評級
最近3個月有73機構對潞安環能所屬煤與供消費用燃料行業發出研報,其中給予行業領先大市評級的有11家
行業市場相對力道 ★★★
行業成長性 ★★★
行業集中度 ★★★
機構推薦度 ★★★★
行業綜合星級 ★★★★
潞安環能歷史的市盈率在4倍到75倍之間,當前市盈率為15,目前價值有所低估
2008年公司PE處於所有上市公司PE從低到高排序前5.3%,處於低的位置,2009年一致預期PE在所有有盈利預測的上市公司的PE從低到高排序前11.3%,處於偏低的位置。
財務分析
規模增長指標
潞安環能過去三年平均銷售增長率為44.02%,在所有上市公司排名(255/1710),在其所在的煤與供消費用燃料行業排名為10/29,外延式增長合理
EPS成長性
潞安環能過去EPS增長率為21.48%,在所有上市公司排名(649/1710),在其所在的煤與供消費用燃料行業排名為19/29,公司成長性合理
盈利能力指標
潞安環能過去三年平均盈利能力增長率為75.73%,在所有上市公司排名(352/1710),在所在的煤與供消費用燃料行業排名為 (10/29)。盈利能力合理
EPS穩定性
潞安環能過去EPS穩定性在所有上市公司排名(524/1710),在其所在的煤與供消費用燃料行業排名為9/29 。公司經營穩定合理
持倉結構
潞安環能在過去的一年中,股東戶數呈增加趨勢,機構持倉比例減少。最新季度情況表明,該股人均持股減少。最新機構持倉為37.49%,部分機構對該股看法有所下調,倉位下調-3.78%。
主力持倉
基金持倉63家 占流通股16.08% 。截至2008-12-31 ,共63家基金持有潞安環能,持倉量總計1.85億股,占流通A股16.08%。
財務數據
收入趨勢
(最新發布於2009-06-30)潞安環能2009年第二季度實現主營收入86.48億元,比上年同期增長18.58%。
盈利趨勢
(最新發布於2009-06-30)潞安環能2009年上半年實現淨利潤12.29億元(基本每股收益1.0200元),比上年同期增長39.53%。
投資亮點
1. 公司產能內生性增長包括在建的屯留煤礦逐步達產、整合的地方煤礦產能逐步增加。目前的改造和在建煤礦完成後產能將達到410萬噸,隨著潞寧煤業整合小礦的逐步增加,產能將進一步提升至1610萬噸。外延擴張則依賴於母公司的資產注入承諾。建礦五十周年的潞礦提出了打造億噸級煤炭基地的構想,為上市公司未來的成長提供了較大空間。
2. 公司2009年前三季度主要財務指標:每股收益1.5300(元),每股淨資產7.8200(元),淨資產收益率19.5100%,營業收入同比增減2.7313%;歸屬上市公司股東的淨利潤同比增減-0.9692%。
3. 公司擬出資逾5億重組山西蒲縣黑龍強肥煤有限公司、山西蒲縣伊田肥煤業有限公司。
4. 公司2008年度利潤分配方案為:每10股派10元(含稅)。股權登記日:2009年6月10日;除息日:2009年6月11日;現金紅利發放日:2009年6月17日。
5. 公司大股東山西潞安礦業(集團)有限責任公司於2009年11月30日至12月23日之間通過上海證券交易所競價交易系統減持公司股票10041111股(占公司總股本的0.87%)。
投資建議
綜合投資建議:潞安環能的綜合評分表明該股投資價值較佳(★★★★),運用綜合估值該股的估值區間在67.11-73.82元之間,股價目前處於低估區,可以放心持有。
12步價值評估投資建議:綜合12個步驟對該股的評估,該股投資價值較佳(★★★★),建議你對該股採取參與的態度。
行業評級投資建議:潞安環能屬於煤炭行業,該行業目前投資價值較好(★★★★),該行業的總排名為第6名。
成長質量評級投資建議:潞安環能成長能力一般(★★★),未來三年發展潛力很小(★),該股成長能力總排名第589名,所屬行業成長能力排名第12名。
評級及盈利預測:潞安環能預測2009年的每股收益為2.07元,2010年的每股收益為2.48元,2011年的每股收益為2.79元,當前的目標股價為67.11元,投資評級為強力買入。
風險評價
基本面風險: 該股目前處於價值投資區域,可以適當關注。
技術面風險: 大盤短線處於中風險區,該股短線處於高風險區,目前已經不適合操作該股,請注意風險。
趨勢動向評價:下跌趨勢,看空
機構動態評價:機構持倉比重為22% , 屬於中度控盤
風險評估
VAR風險價值 15.1%
每月波動 0.6%
均方差 4.1%
最大獲利(元) 7.89
最大虧損(元) 7.89元
綜合估值狀況 低估區

