名稱
派生式CAPP系統
簡介
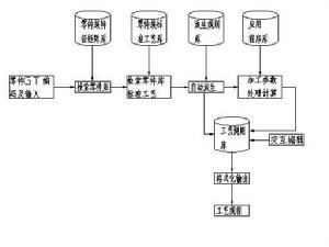
派生式CAPP的基本原理:派生式CAPP是利用零件的相似性來檢索現有的工藝規程的一種軟體系統,該系統是建立在成組技術的基礎之上,按照零件幾何形狀或工藝的相似性歸類成族,建立該零件族零件的典型工藝規程,即該零件族中零件加工所需要的加工方法,加工設備,工具,夾具,量具及其加工順序等,其具體內容可根據系統的開發程度而定。派生式CAPP系統的特點:以成組技術為理論基礎,理論上比較成熟;套用範圍比較廣泛,有較好的適用性;在迴轉類零件中套用普遍;繼承和套用了企業較成熟的傳統工藝,但柔性較差;對於複雜零件和相似性較差的零件難以形成零件族。
