概述
常規裝置的不足
在空氣中含粉塵濃度高工況環境下,一般空氣壓縮機使用的除塵過濾裝置多為絲網式二次除塵,或紙質及纖維材料過濾。採用絲網式二次除塵,收塵面積小,只能過濾較大的灰塵,造成細灰塵通過吸氣管道進入空氣壓縮機內,一部分灰塵滯留在機體內加劇了缸體的磨損,使吸排氣閥片、閥座、彈簧等零部件經常進行解體清洗、更換。造成材料、配件費用高,故障多,設備使用效率低,而採用紙質及纖維材料過濾,塵粒堆積易堵塞,同樣需要頻繁停機更換過濾材料等現象。增加工人的勞動強度。
產品特點及
我們針對往常用的絲網式,拉西格環式,紙質及纖維過濾器使用對比;而設計製作了 ZKSG型油浴式空氣消聲過濾器,他是集旋風、油浴、油膜及濾網等多種除塵方式為一體的, 兼有消聲裝置的一種新型高效低噪聲空氣消聲過濾器。濾塵效率>98%,過濾精度<8µ.,阻力<50毫米水柱. 降低吸氣口噪聲35分貝(A)。明顯地降低環境噪聲,延長空氣壓縮機壽命,減少維修工作量,減少工人勞動強度,節約能耗等。
原理
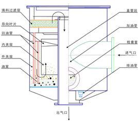
結構圖及注意事項過濾器為圓筒形,筒體分隔成三部分:即外筒,內筒,出氣管。內部上部為旋流板(或稱導流葉片)和過濾網,下部與外筒相通,筒底盛以壓縮機油(廢油)。空氣從切線方向吸入外筒,高速旋轉,氣流中的塵粒受離心力作用被分離出來。接著氣流掠過油麵,油麵產生波動,部分油霧被氣流夾帶旋轉,黏附在內筒筒壁上形成油膜,氣流中的塵粒,為油膜所捕捉。油膜沿著壁面回流,成為下垂油幕。空氣穿過時受到油浴,部分塵粒被捕捉.而氣流在內筒內旋轉上升,穿過旋流板後加劇旋轉,將氣流中夾帶的油滴一部分甩入回油槽中由回油管流入筒底,一部分沿內筒壁回流,將筒壁上油膜所捕集到的粉塵洗落到筒底,產生新油膜。則氣流再次通過濾網,濾去較小塵粒和油滴,達到濾清空氣的目的.吸氣口噪聲主要是空氣壓縮機運轉時產生的機械噪聲通過管道與氣體傳至吸氣口的噪聲和氣流 噪聲,影響周圍環境. ZKSG型組合式空氣消聲過濾器由於採用切向進氣,氣流受到油膜,油浴及濾網的阻尼與分格,又經過多次膨脹,並且在頂部還有消聲帽這些均起到極好的消聲作用,從而大大降低吸氣口噪聲。

