簡介
在p- v圖中,臨界溫度T以下任取一等溫(T)線,表明在此溫度下加壓時,可使氣體達到飽和汽B狀態之後將它液化,在飽和蒸氣壓P下,汽液共存,B→C是一段水平線反過來C→B便是液體在此溫度與壓強下的汽化過程,如在下圖中把(a)p-v圖轉換為(b)p-T圖。
汽化曲線圖等溫曲線ABCD中,C→B過程,在p-T圖中對應點1。同理,在p-v圖中另一條T-dT等溫壓縮曲線的水平液汽共存段,在p-T圖中對應是2點。構想溫度連續變化,把p- v圖中汽液二相共存的狀態,對應在p-T圖中可描繪出一條連續的曲線,這曲線的終點是K點,對應P-V圖中的臨界點,這條曲線上每一點對應液汽共存狀態,就叫汽化曲線。
汽化曲線把p-T面域分劃分為兩側,過曲線上任一點畫一條豎線,壓強大於飽和氣壓,物質是處於液相,在汽化曲線以下,壓強小於飽和氣壓,物質是處於氣相。故汽化曲線的p-T圖又可叫氣液二相圖。
由於氣液兩相共存的壓強就是該溫度下的飽和蒸氣壓,故汽化曲線就是飽和蒸氣壓隨溫度變化的曲線。當飽和蒸氣壓等於外壓強時,液體可沸騰,故汽化曲線又可表示沸點與外壓強關係的圖線,從p-T圖中汽化曲線可見:飽和蒸氣壓隨溫度的升高而增大,也表示沸點隨外壓強的增大而升高。
汽化曲線繪製
1、常壓閃蒸
實驗時,在一定試驗壓力下升溫,達到試驗需要溫度(t)後,控制加熱溫度在t℃ ±1℃,然後將樣品稱重,以一定速度進料。待樣品全部進入,氣相餾出管及液相餾出管不再有油滴餾出時,停止加熱。分別稱取餾出油的質量,計算,占原油的質量百分率。繼續變換不同的溫度作試驗,一般作5次以上。試驗完畢,以汽化溫度為縱坐標,以氣相餾出油的收率(汽化率)為橫坐標作圖,可繪出平衡汽化曲線。對重油則測定減壓下的平衡汽化曲線。
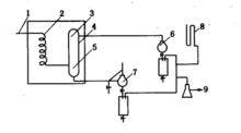
儀器結構示意圖如下。
汽化流程圖按此圖連線好儀器後,蛇形管和閃蒸罐升溫至所需溫度(t),控制在t℃±1℃,然後用泵(柱塞泵)把一定量(G)原油(或餾分油)打入蛇形管加熱,進入閃蒸罐(4),氣液分離,接收氣液相餾出物,稱重並計算百分收率:
汽化曲線氣相收率:
汽化曲線液相收率:
式中:w—氣相收率,%;
w—液相收率,%;
A—氣相餾出質量,g;
B—液相餾出質量,g;
G—油樣質量,g。
這樣便完成一個溫度點的測定。然後另選一溫度重複操作,做5個點以上,可得一系列餾出溫度()平衡汽化溫度)-氣相收率數據,作平衡汽化溫度-氣相收率圖即為常壓閃蒸曲線(汽化曲線)。
2、減壓閃蒸
在殘壓0.267~1.33kPa下,選擇不同汽化溫度,做重油(渣油)閃蒸試驗,作溫度和汽相收率曲線,可得重油減壓閃蒸曲線。但要注意,須將減壓溫度算為常壓溫度作閃蒸曲線,但要注意,須將減壓溫度換算為常壓溫度作閃蒸曲線,否則出現間斷。
原油和重油的平衡汽化數據是煉油工藝設計計算的重要原始數據常用來計算加熱爐管和輸油管線中的汽化率,分餾塔進料段溫度和分餾塔的塔頂、塔底及側線溫度等。煉油廠就是根據一次汽化數據及曲線,並參照其性質確定原油加熱溫度,然後進常壓塔蒸鎦,再進減壓塔蒸餾。
油品的平衡汽化曲線
平衡汽化麴錢又稱一次汽化曲線,指在某一壓力下,;石油餾分在一系列不同溫度下進行平衡蒸發所得的汽化率和溫度的關係曲線。汽化率以餾出%(體積)表示,不同壓力可得到不同的平衡汽化曲線,平衡蒸發的初餾點即0%餾出溫度,為該餾分的泡點;終餾點即100%餾出溫度,為該餾分的露點。平衡蒸發曲線是煉油工藝的基本數據之一。

