概述
基本分類氬弧焊機按照電極的不同分為熔化極氬弧焊機和非熔化極氬弧焊機兩種。
非熔化極氬弧焊
非熔化極氬弧焊是電弧在非熔化極(通常是鎢極)和工件之間燃燒,在焊接電弧周圍流過一種不和金屬起化學反應的惰性氣體(常用氬氣),形成一個保護氣罩,使鎢極端頭,電弧和熔池及已處於高溫的金屬不與空氣接觸,能防止氧化和吸收有害氣體。從而形成緻密的焊接接頭,其力學性能非常好。
熔化極氬弧焊
焊絲通過絲輪送進,導電嘴導電,在母材與焊絲之間產生電弧,使焊絲和母材熔化,並用惰性氣體氬氣保護電弧和熔融金屬來進行焊接的。它和鎢極氬弧焊的區別:一個是焊絲作電極,並被不斷熔化填入熔池,冷凝後形成焊縫;另一個是採用保護氣體,隨著熔化極氬弧焊的技術套用,保護氣體已由單一的氬氣發展出多種混合氣體的廣泛套用,如Ar 80%+CO220%的富氬保護氣。通常前者稱為MIG,後者稱為MAG。從其操作方式看,目前套用最廣的是半自動熔化極氬弧焊和富氬混合氣保護焊,其次是自動熔化極氬弧焊。
同類差別
氬焊機與手弧焊機在主迴路、輔助電源、驅動電路、保護電路等方面都是相似的。但它在後者的基礎上增加了幾項控制:1、手開關控制;2、高頻高壓控制;3、增壓起弧控制。另外在輸出迴路上,氬弧焊機採用負極輸出方式,輸出負極接電極針,而正極接工件。
主流型號
WSE5系列交直流方波氬弧焊機WSE5系列交直流方波氬弧焊機
WSE系列交直流多用氬弧焊機(動鐵芯矽整流組件)
WS系列IGBT逆變式直流氬弧焊機
WS-250IGBT逆變式直流氬弧焊機
WS-315IGBT逆變式直流氬弧焊機
WS-400IGBT逆變式直流氬弧焊機
WS-500IGBT逆變式直流氬弧焊機
WSM-160逆變式脈衝直流鎢極氬弧焊機
WSM-200逆變式脈衝直流鎢極氬弧焊機
WSM-250逆變式脈衝直流鎢極氬弧焊機
WSM-315逆變式脈衝直流鎢極氬弧焊機
WSM-400逆變式脈衝直流鎢極氬弧焊機
WSM-500逆變式脈衝直流鎢極氬弧焊機專機類
工作原理
氬弧焊的起弧採用高壓擊穿的起弧方式,先在電極針(鎢針)與工件間加以高頻高壓,擊穿氬氣,使之導電,然後供給持續的電流,保證電弧穩定。
氬弧焊機在主迴路、輔助電源、驅動電路、保護電路等方面的工作原理是與手弧焊機是相同的。在此不再多敘述,而著重介紹氬弧焊機所特有的控制功能及起弧電路功能。
手開關控制
氬弧焊機要求氬氣先來後走,而電流則後來先走(相對氣而言),這此都是通過手開關控制實現的。
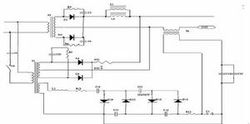
圖1由圖1知:當焊機主開關合上後,輔助電源工作,給控制電路提供了24V的直流電。手開關未合上時,24V直流電通過電阻R5使Q2導通,CW3525晶片的8腳經過T形濾波器(L5、C5組成,抗干擾用)對地短路,此時,CW3525處於封波狀態,電路無輸出;手開關合上時,24V直流電通過電阻R4、R8使Q1導通,Q2基極被拉低而關斷,24V直流電通過電阻R6、R7使Q3導通繼電器J3A吸合,使控制氣體供給的電磁閥工作,給焊接供氣。而8腳電位由於緩起動電阻,電容的作用緩慢增長,經過一定時間,CW3525開始工作,電路開始輸出功率。這樣,電流就較氣延時供給延時時間由緩起動動阻、容值決定)。
電磁閥為氣體供給控制器件,當繼電器J3A合上,電磁閥中的電感線圈獲得電流,產生磁能,把鐵塊吸離氣管管口,氣體通過電磁閥供給焊接。
手開關控制電路中,電感線圈L1~L4及C1、C2起到防止干擾而使手開關誤導通的作用。
1、 手開關合上時,由於Q3導通繼電器J3A吸合,電磁閥打開供氣。輔助電源向電容C17充電。而由於熱敏電阻RT4、RT5的限流,使得手開關不到於因電流過大而損壞;
2、焊接結束,手開關斷開後,Q2導通,CW3525的8腳電位被拉低,電路停止輸出,而C17上仍充有電能,它通過R6、R7放電供給Q3導通,保持電磁閥導通延時供氣。實現了焊接對電流、氣體的控制要求。
高頻、高壓電流的產生與控制
(1) 產生:氬弧焊機的起弧需要高壓,為了能在手弧焊機的基礎上產生高壓並送到輸出迴路,採用了如圖2的電路。
(2) 工作原理:
圖21) 升壓變壓器;圖中變壓器為24:70,將307電壓升高約3倍。
2) 採用4倍壓整流電路;如圖(C11~C14、D11~D14)來產生高壓:①當升壓變壓器(T1)初級流過一正脈衝電流時(電壓值為U),N2產生一上正下負(正向)的感應電動勢,並給電容C14充電,使電容C14的端電壓也為U,(方向如圖);且由於線圈續流和D14的作用,在主變中無電流流過時,C14也不能放電;②升壓變壓器流過一等值的負脈衝電流時,在N2上產生一上負下正的感應電動勢(值為U),給C11充電,使得C11上的壓降VC11=VC14+U感應=2V,方向如圖;③升壓變壓器T1再流過一正脈衝電流時,N2上又產生上正下負的感應電動勢,這時,電容C13充電,端電壓VC13=VC11+U感應-VC14=2V,方向如圖;④升壓變壓器的電流方向再次改變,使得N2上的感應電動勢方向為上負下正,這時,電容C12得到電能,且VC12=VC13+VC14-VC11=2V,方向如圖,這樣,在A、B間便形成了4U的壓降。
(3) 高頻振盪發生器:(由L3(N3)、C5、放電嘴組成)
①A、B兩點的壓降達到4V(V為逆變器輸出電壓,約1KV),給電容C15充電;
②放電嘴因高壓擊穿放電,此時,相當於短路L3、C15;
③L3、C15產生高頻振盪,f=L/2π√LC
④由於輸出能量的不斷補充,使得每隔一定時間,L3、C15便產生高頻振盪電流,並通過T4次級輸出到輸出。由於T4上要通過高頻高壓的電流,其技術參數要求嚴格,它的質量是起弧難易,焊接效果的決定性因素。
圖3控制輸出迴路中有高頻高壓電流後,保證了起弧,可如果防護不當,高頻高壓電流便會反向擊穿二次整流中的整流管,甚至損壞主變T1初級線圈所聯接的電路,而且,高頻高壓只是在起弧時使用,起弧後,便不再需要,所以,需適時斷開高頻高壓發生器,其控制電路如圖3所示。
①防干擾控制:在輸出端的正負極間接有壓敏電阻與電容,其對於高頻高壓電流來說明相當於短路同時,正負端都接有抗高頻的電感線圈,這樣,就控制了高頻高壓電流反竄到二次整流的電路中,只在輸出端形成迴路。同時,接在正極與機殼間的電阻(壓敏)和電容也能有效地防止高頻電流及其它干擾。
②高頻高壓電流的產生與關斷控制:高頻高壓電流的產生與關斷都由繼電器J控制,手開關全上時,把S2合上,這時,電路工作,輸出約56伏的直流電壓,它使繼電器動作,吸合JA,使高頻高壓電路工作,產生高頻高壓電流輸出,引起電弧,電弧一引起,輸出迴路便出現大電流,流經電抗器(電感線圈);由於電感的續流作用,能使電抗器正端(圖中A點)電壓降到很低的電位(甚至為負值),這時,繼電器被可靠地斷開,高頻高壓發生器停止工作,完成了對高頻高壓電流的控制。
增壓起弧控制
為了保護輕易起弧,提供焊接質量,氬弧焊機還在輸出端增設了一個增壓起弧的裝置,其利用高頻高壓發生器的變壓器的另一組次邊作為增壓變壓器,使得高頻高壓發生器工作時,也同時抬高了輸出端的電壓,保證起弧,起弧後,增壓裝置也隨著高頻高壓電流發生器一起被斷開。其原理圖如圖2
操作規程
1、氬弧焊必須由專人操作開關。
2、工作前檢查設備,工具是否良好。
3、檢查焊接電源,控制系統是否有接地線,傳動部分加潤滑油。轉動要正常,氬氣、水源必須暢通。如有漏水現象,應立即通知修理。
4、檢查焊槍是否正常,地線是否可靠。
5、檢查高頻引弧系統、焊接系統是否正常,導線、電纜接頭是否可靠,對於自動絲極氬弧焊,還要檢查調整機構、送絲機構是否完好。
6、根據工件的材質選擇極性,接好焊接迴路,一般材質用直流正接,對鋁及鋁合金用反接法或交流電源。
7、檢查焊接坡口是否合格,坡口表面不得有油污、鐵鏽等,在焊縫兩側200mm內要除油除銹。
8、對於用胎具的要檢查其可靠性,對焊件需預熱的還要檢查預熱設備、測溫儀器。
9、氬弧焊操縱按鈕不得遠離電弧,以便在發生故障時可以隨時關閉。
10、採用高頻引弧必須經常檢查有否漏電。
11、設備發生故障應停電檢修,操作工人不得自行修理。
12、在電弧附近不準赤身和裸暴其它部位,不準在電弧附近吸菸、進食,以免臭氧、煙塵吸入體內。
13、磨釷鎢極時必須戴口罩、手套,並遵守砂輪機操作規程。最好選用鈰鎢極(放射量小些)。砂輪機必須裝抽風裝置。
14、操作工應隨時佩戴靜電防塵口罩。操作時儘量減少高頻電作用時間。連續工作不得超過6小時。
15、氬弧焊工作場地必須空氣流通。工作中應開動通風排毒設備。通風裝置失效時,應停止工作。
16、氬氣瓶不許撞砸,立放必須有支架,並遠離明火3米以上。
17、在容器內部進行氬弧焊時,應戴專用面罩,以減少吸入有害煙氣。容器外應設人監護和配合。
18、釷鎢棒應存放於鉛盒內,避免由於大量釷鎢棒集中在一起時,其放射性劑量超出安全規定而致傷人。

