工作原理
機用虎鉗 特點
設計結構簡練緊湊,夾緊力度強,易於操作使用。內螺母一般採用較強的金屬材料,使夾持力保持更大,一般都會帶有底盤,底盤帶有180°刻度線可以360°平面鏇轉。使用方法步驟
讀裝配的圖要求
1、了解裝配體的功用、性能和工作原理。
2、弄清各零件間的裝配關係和裝拆次序。
3、看懂各零件的主要結構形狀和作用等。
4、了解技術要求中的各項內容。
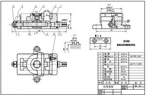
機用虎鉗一、概括了解裝配圖的內容
①從標題欄中可以了解裝配體的名稱、大致用途及圖的比例等。
②從零件編號及明細欄中,可以了解零件的名稱、數量及在裝配體中的位置。
③分析視圖,了解各視圖、剖視、斷面等相互間的投影關係及表達意圖。
該裝配圖大致結構為長方塊,規格0~70;讀標題欄和明細欄了解部件名稱為“機用虎鉗”,共有零件11個,其中標準件2個,自製零件九個;各零件的名稱、材料和數量;按圖上的編號了解各零件的大體裝配情況。
二、分析表達方案,細讀各視圖
表達方案:這一組視圖由五個視圖組成,主、俯、左三個基本視圖關係清晰,主視圖為全剖視圖,並帶有局部剖、假想畫法;俯視圖為局部剖;左視圖為半剖視圖;另外有局部放大圖、端面圖、單獨零件圖。

