簡介
指由鋼板組合而成的梁型結構構件。基本截面形狀為工字形,上下橫板叫翼板,中間立板叫腹板。有的板梁中間焊有若干加強筋。根據組合方式可以分為焊接板梁、高強螺栓板梁和異種鋼板梁等。
由於空心板梁預製工藝簡單、安裝方便、造價較低以及建築高度較小等諸多優點,因此空心板梁橋在各類公路工程中廣為套用。
梁橋的結構受力主要由承重結構(主梁)及傳力結構(橫樑、橋面板)兩大部分承擔。多片主梁依靠橫樑和橋面板聯成空間整體結構,由於結構的空間整體性,當橋上作用荷載時,各片主梁將共同參與工作,形成各片主梁之間的內力分布。空心板梁橋的傳力結構主要依靠空心板之間的鉸縫和橋面板。空心板梁在進行內力計算時,需要將橋面承受的車輛荷載通過橫向分布係數分配至各片主樑上,具體系數的數值和梁板間連線形式及其效果有關,其力學理念就是將整幅梁板看作一個共同受力的整體,通過其相互間變形協調的程度來決定分配比例,而鉸縫就承擔著梁板間傳遞內力並約束位移的關鍵作用。
空心板梁的設計荷載由恆載和活載組成,空心板梁組成的橋面系在荷載作用下每片板梁分擔的荷載一般採取:橋面恆載包括人行道、欄桿、橋面鋪裝等近似按每片梁均攤計算。活載按“公路橋樑荷載橫向分布計算”方法計算,即跨中和四分點的橫向分配係數按鉸接板法計算,支點按槓桿法計算橫向分布係數,支點至四分點間按直線內插法求得。
受力的原因分析
橋樑單片梁受力是指橋樑各梁板之間失去橫向聯繫,來自車輛的作用不能全橋分布,而直接作用在橋的某一片樑上。單片梁經常承受作用力,尤其直接承受超負荷作用力,造成梁體混凝土及鋼筋提前進入疲勞期,先是在橋樑下部兩側出現裂縫,進而裂縫發展為橫向、上下貫穿,由一條發展為多條,橋樑出現向下撓曲,樑上部混凝土破碎,梁板失去承載功能,出現折斷,車輛不能通過。通過對浙江省公路空心板梁橋上部結構使用情況的調查研究,發現形成單片梁受力的主要原因有以下幾個方面。
鉸縫結構
小鉸縫示意圖(單位:除鋼筋為mm外,其餘均為cm)梁板之間的鉸縫是直接關係到橋面系的整體受力性能和鋪裝層使用質量的重要結合部,也是單片梁板確保其承受的荷載符合按彈性分配計算結果的必要前提。在整個空心板橋樑中,鉸縫並不起眼,卻扮演了重要的角色。空心板梁在進行內力計算時,需要將橋面承受的車輛荷載通過橫向分布係數分配至各塊梁板上,具體系數的數值與梁板間連線形式及其效果有關,其力學理念就是將整幅的梁板看作一個共同受力的整體,通過其相互間變形協調的程度來決定分配比例,而鉸縫就承擔著梁板間傳遞內力並約束位移的關鍵作用。也就是說,一旦鉸縫的聯繫作用被削弱,將使實際受力情況脫離原來假設的梁板整體受力體系,使梁板間受力分配更不均勻,反過來進一步加大了鉸縫的內力,加速了鉸縫的進一步破壞。當鉸縫完全失效時,梁板相互之間將不再有任何協同受力關係。因此,鉸縫失效將導致單片梁受力,梁板所承受的荷載超過原設計預想值,梁板因承受不了多增加的部分而產生裂縫。
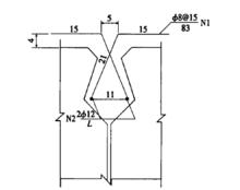
後張法預應力混凝土空心板斷面圖(單位:cm)由於“鉸”的結構理念允許圍繞該點進行輕微轉動,只傳遞剪力。鉸縫結構本身經歷了一個總結完善的過程。在早期梁板通用圖中,鉸縫的結構尺寸較小。小鉸縫的整體剛度與空心板相差甚遠,無法承受長期反覆變形所需的受力和變形,鉸縫破壞非常普遍。且鉸縫施工空間過小也增加了施工難度,往往保證不了鉸縫混凝土的密實度。加上有的梁板預製後其側面與鉸縫混凝土交接面未進行鑿毛處理,影響了新老混凝土間的結合性,使得在實際破壞時,往往是鉸縫混凝土與梁板的結合面先破壞,而不是鉸縫混凝土被剪壞。另外,施工對鉸縫的作用及重要性認識不足,也導致鉸縫出現病害,在調研中甚至發現未進行鉸縫施工工序,竟在鉸縫中填塞海綿並在表面進行修飾性抹砂漿的極端案例,使得橋樑梁板之間無法橫向協同受力,導致梁板單片梁受力,梁板底面出現裂縫。空心板梁的鉸縫形式有小鉸縫和大鉸縫兩種。浙江省各地採用的鉸縫形式早期均為小鉸縫;後張法預應力混凝土空心板的小鉸縫的深度為22cm,最寬處為15cm,中間設螺旋鋼筋,而普通鋼筋混凝土空心板的小鉸縫則更小,深度一般為14cm,最寬處為11cm。該類鉸縫的傳力性能由於抗剪截面甚小,在車輪荷載作用下,接縫處混凝土的抗剪能力達不到要求。
橋面鋪裝
橋面鋪裝也稱行車道鋪裝,它是橋樑上車輛直接作用的部分,橋面鋪裝的主要作用是防止車輛輪胎或履帶直接磨耗主梁或與主梁連成整體的行車道板;防止主梁遭受雨水的侵蝕;並對集中的車輛輪重荷載起一定的分布作用。因此,橋面鋪裝要求具有一定的強度和耐磨性,並要防止開裂。空心板梁的橋面鋪裝一般採取兩層結構,即下層為10cm厚混凝土調平層,上層為瀝青混凝土(厚度5~10cm),也有單層混凝土鋪裝層。橋面鋪裝的整體質量對梁板的橫向整體性至關重要。鋪裝層與梁板的聯結方式對鋪裝層內力影響很大。固結聯結使鋪裝層與梁板、鉸縫一起構成整體的上部結構,整體受力,鋪裝層處於軸向受壓;非固結聯結使鋪裝層與梁板、鉸縫一起構成整體受力效果不佳,鋪裝層處於類似彈性支承上的薄板彎曲受力狀態,容易造成鋪裝層病變。因此,橋面鋪裝的病害成因可以歸納為兩大類:外力荷載作用或滲水而導致鋪裝層材料強度和粘結性不足而產生病害(如推移、擁包或鬆散等),以及自身原因引起的病害。橋面鋪裝的病害情況主要有以下幾個方面。
(1)梁板頂面施工未達到規範要求
梁板頂面標高控制未達到規範要求,導致鋪裝層厚度不均勻;鋪裝與橋面板未能很好地形成整體,混凝土鋪裝在綁紮鋼筋前未清除頂面浮漿,瀝青混凝土粘層油未滲入混凝土面層。
(2)橋面鋪裝水泥混凝土不符合要求
橋面鋪裝水泥混凝土標號低或者防水混凝土防滲等級低,車輛碾壓或橋樑振動使橋面鋪裝混凝土鬆散無粘結性,造成橋面鋪裝破壞。
(3)橋面鋪裝鋼筋網設定不合理
鋼筋網間距過大或者直徑太小,造成橋面鋪裝強度不足,鋼筋網的作用降低,不能和水泥混凝土一起承受橋上車輛荷載作用,梁直接受力可能性加大,相鄰梁之間產生較大的剪力,久而久之,就破壞了橋面鋪裝混凝土和梁板間的鉸縫,從而產生了單片梁受力。
(4)鋪裝完成後養護不及時
鋪裝完成後養護不及時,在混凝土未達到設計強度時即開放交通,從而造成了鋪裝的早期破壞。
(5)橋面排水不暢
橋面鋪裝防水一般用防水混凝土或水泥混凝土與瀝青混凝土之間塗防水劑等方法,如果防水混凝土防滲等級低或者防水劑塗得不均勻,在橋面排水不暢的情況下,水容易滲透鋪裝層導致橋面鋪裝破壞。
支座
空心板梁的支座形式均採用板式橡膠支座,即用橡膠或在橡膠內嵌進多層加勁材料(鋼材)製成的平板式支座。
橋樑支座作為橋樑受力體系中的重要一環,承擔著將上部梁板荷載傳遞至下部基礎的關鍵作用。這就要求支座與梁板應緊密接觸,不得脫空,並且需要保持良好的限位或變形性能。雖然在設計中假定並要求施工時梁板底部的支座應處於水平的位置,但實際調查表明,梁板的4個支點受力並不均勻,甚至某點已經失效,變成3點支撐。支座失效後,使局部承壓增加,在反覆荷載作用下,梁板將產生較大位移的振動和扭曲,首先會影響到橋樑的使用性能;其次,梁板的反覆變形將會加速聯繫梁板的鉸縫破壞,使上部梁板之間內力橫向傳遞削弱並加重上部梁板承擔的荷載,從而導致單片梁受力的情況,對梁板造成不利影響。造成支座病害的原因是多方面的,主要有:
(1)橋樑基礎的病害導致的支座病害
橋樑投入運營後,由於橋樑基礎的施工質量或基礎地基處理的問題,往往造成其下部結構發生變形,相應使支座產生不均勻位移。這類情況往往由於其變形幅度較大,後果比較嚴重,有的直接破壞梁板橫向聯繫,使各梁板各自受力,從而引發橋樑的橋面或梁板病害。
(2)上部梁板施工引起的支座病害
由施工原因造成且多在運營前就發生的支座脫空不外乎以下幾種情況:①梁板外形未達到標準要求,尤其是在較大縱坡、橫坡的情況下,對空心板梁底楔塊的尺寸要求較高;②兩側預應力鋼束定位精度不足,張拉後產生較大扭矩,使空心板產生扭曲變形。
(3)支座老化引起的病害
板式橡膠支座的主要構造特點為:採用鋼板作為加勁層,因鋼有阻止橡膠層側向膨脹的作用,從而顯著提高了橡膠層的抗壓強度和支座的抗壓剛度。橡膠材料在老化後將喪失部分彈性和變形協調能力。在運營過程中由於車道劃分,存在車輛有可能對某些梁板單側動載較大的情況,造成支座的壓縮變形不均勻,嚴重的將導致梁板3點支撐。
當前板式橡膠支座存在的主要問題有:①選用的橡膠材料和鋼板規格不規範,不遵守產品標準規定;②構造不合理,橡膠層厚度不均勻,鋼板厚度、層數不規範;③製作工藝不合理,橡膠層與鋼板粘結力不夠;④許多生產廠家,不了解橡膠支座的技術性能,不懂生產工藝,盲目生產。
基礎變形
橋樑作為一個整體結構,其整體功能的體現必須建立在一個穩定的下部基礎上。若下部基礎出了問題,即使上部結構質量再好,安全度再高,也無濟於事。基礎豎向不均勻沉降或水平方向位移,使結構中產生附加應力,超出混凝土結構的抗拉能力,並且導致支座受力不均勻,破壞梁板的橫向聯繫,結果引起橋面繫結構開裂。
在調研中發現,某高速公路某通道橋由於通道積水,引起橋台不均勻沉降,導致橋面板開裂。還有的橋樑下面空間作為倉庫使用,堆物荷載也會引起基礎的不均勻沉降。
交通量過大
交通量過大尤其是重車及超限重車的頻繁通過,也是產生橋樑單片梁受力的一個重要因素。
預防措施
單片梁受力情況較為突出;形成單片梁受力的主要原因有鉸縫、橋面鋪裝、支座、基礎等病變,所以預防空心板梁橋單片梁受力必須從以下方面著手處理。
鉸縫
在分析了鉸縫破壞機理後,認為鉸縫破壞不僅是強度問題,也由於其本身結構尺寸所限而導致剛度太小才是鉸縫無法耐久的根源。由此,在改良了鉸縫尺寸後,推出了大鉸縫形式和現澆濕接縫形式。對於鉸縫連線配筋也各有不同的加強方案
橋面鋪裝
為了增強橋面鋪裝的防裂性,使橋面鋪裝層具有足夠的強度和良好的整體性,設計時必須合理布設橋面鋪裝鋼筋網,對於裝配式空心板梁橋,在梁板的鉸縫處,橋面鋪裝層里也應鋪設鋼筋網,用於加強鉸縫處的強度,避免產生縱向開裂。在施工過程中切實作好橋面鋪裝現澆混凝土與預製梁板混凝土頂面的粘結。必須做好防水層並且使橋面排水通暢。
支座
設計時必須選用合理的支座型號;選購性能優良的支座;施工時儘可能保持4支點同時受力,並受力均勻,以避免在運營前就發生支座脫空的情況。對於現有橋樑出現支座變形、脫空的情況,必須及時更換,以保證其具有正常的承上啟下傳荷功能。
基礎
為儘可能保證基礎不出現不均勻沉降,建議特別在軟土地基範圍做好有效的橋頭軟基處理,在橋下空間處不出現堆載情況,並在旱橋範圍不出現積水現象。
其他
對梁體已經開裂的橋樑,梁板用環氧樹脂砂漿貼上5mm厚A3鋼板進行補強處理,能彌補梁板因承載力不足引起梁板裂縫的發展,使用後效果較為明顯。對因超限重車引起梁體開裂的橋樑,在補強處理完畢後,還必須實施必要的重車限制。

