基本概念
晶粒度
晶粒大小的度量稱為晶粒度。通常用長度、面積、體積或晶粒度級別數等不同方法評定或測定晶粒自大小。使用品粒度級別數表示的晶粒度與測量方法和計量單位無關。
實際晶粒度
實際晶粒度是指鋼在具體熱處理或熱加工條件下所得到的奧氏體晶粒大小。實際晶粒度基本上反映了鋼件實際熱處理時或熱加工條件下所得到的晶粒大小,直接影響鋼冷卻後所獲得的產物的組織和性能平時所說的晶粒度,如不作特別的說明,一般是指實際晶粒度。
本質晶粒度
本質晶粒度是用以表明奧氏體晶粒長大傾向的晶粒度,是一種性能,並非指具體的晶粒。根據奧氏仁晶粒長大傾向的不同,可將鋼分為本質粗品粒鋼和本質細晶粒鋼兩類。
測定本質晶粒度的標準方法為:將鋼加熱到930℃±10℃,保溫3h~8h後測定奧氏體晶粒大小,晶米度在1級~4級者為本質粗晶粒鋼,晶粒度在5級~8級者為本質細晶粒鋼。加熱溫度對奧氏體晶粒大小的影響見下圖。
加工溫度對奧氏體晶粒度的影響一般情況下,本質細晶粒鋼的晶粒長大傾向小,正常熱處理後獲得細小的實際晶粒,淬火溫度範圍較寬,生產上容易掌握,優質碳素鋼和合金鋼都是本質細晶粒鋼。本質粗晶粒鋼的晶粒長大傾向大,在生產中必須嚴格控制加熱溫度。以防過熱晶粒粗化。值得注意的是加熱溫度超過930℃。本質細晶粒鋼也可能得到很粗大的奧氏體晶粒。甚至比同溫度下本質粗晶粒鋼的晶粒還粗。
平均晶粒度和雙重晶粒度
實際情況下,金屬基體內的晶粒不可能完全一樣大小,但其晶粒大小的分布在大多情況下呈近似於單一對數常態分配,常規採用“平均晶粒度”表示。對於某些金屬在一定的熱加工條件下晶粒大小的分布。由於晶粒大小與性能相關,因此正確反映晶粒大小及分布是必需的。
對於晶粒尺寸符合單一對數常態分配的樣品,可用GB/T 6394—2002《金屬平均晶粒度測定方法》(等效用ASTM E112標準)測定其平均晶粒度或用ASTM E930—1999(2007)測定其最大晶粒度。當晶粒大小呈池形態分別時,則用GB/T 24177 2009《重晶粒度表征與測定方法》(等同採用ASTM E1181—2002《表雙重晶粒度的標準測定方法》)來測定雙重晶粒度。
評級
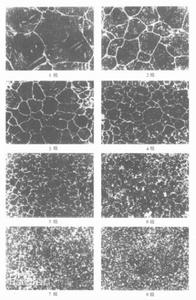
鋼的晶粒度評級圖GB/T 6394—2002規定了鋼的晶粒度測定方法。標準規定了在顯微鏡下測定鋼的奧氏體(本質)晶粒度和實際晶粒度的方法。測定鋼的奧氏體本質晶粒度是將一定尺寸的試樣(一般Φ10~20mm)加熱到930℃±10℃,保溫一定的時間(一般為3h),用不同的方法達到顯示930℃時奧氏體晶界的目的。通常套用的方法有滲碳法,它是利用表面滲碳的方法讓奧氏體晶界上析出碳化物網路,然後根據碳化物網路的大小評定晶粒度大小。對於亞共析鋼可使用網狀鐵素體法,它是根據不同冷卻速度下使鐵素體沿晶界析出呈網狀,利用網狀鐵素體的大小評定奧氏體的晶粒度。對於過共析鋼常使用加熱緩冷法,將鋼樣先加熱到930℃±10℃, 保溫3h後降溫,冷卻至600℃出爐,然後根據碳化物沿奧氏體晶界析出的網路測定鋼的晶粒度。另外,根據不同鋼種的要求,還有氧化法、晶粒邊界腐蝕法、真空法網狀珠光體(屈氏體)法等。
鋼的實際晶粒度是直接在交貨狀態鋼材或零件上切取試樣,不經過熱處理直接測定。當直接觀察難以分辨奧氏體晶粒邊界,無法測定晶粒大小時,根據雙方協定,試樣可經適當熱處理後再進行測定。鋼的晶粒度評級圖見右圖。
在鋼鐵材料中,常見的就這8個級別,其中1~3號被認為是粗晶粒,4~6號為中等晶粒,7~8號為細晶粒。在過熱的情況下可以出現粗於1號的晶粒,它們分別用0號、一1、一2、一3號表示,細於8號的晶粒用9、10、11、12表示。
檢驗
晶粒度檢驗是藉助金相顯微鏡來測定鋼中的實際晶粒度和奧氏體晶粒度。
實際晶粒度是指出廠鋼材上截取試樣所測得的晶粒大小;奧氏體晶粒度是指將鋼加熱到一定溫度並保溫足夠時間,鋼中奧氏體晶粒大小。晶粒度檢驗方法有:
(1)滲碳法。將試樣在930℃±10℃保溫6h,使試樣表面獲得1mm以上的滲碳層。滲碳後將試樣爐冷到下臨界溫度以下,在滲碳層中的過共析區的奧氏體晶界上析出滲碳體網,經磨製和浸蝕後便顯示出奧氏體晶粒邊界。這種方法適於滲碳鋼。
(2)氧化法。將試樣檢驗面拋光,然後將拋光面朝上放入加熱爐中,在860℃±10℃加熱1h,然後淬入水中或鹽水中,經磨製和浸蝕後便顯示出由氧化物沿晶界分布的原奧氏體晶粒形貌。這種方法適用於碳含量為0.35%~0.60%的碳鋼和合金鋼。
(3)網狀鐵素體法。將碳含量不大於0.35%的試樣在900℃±10℃、碳含量大於0.35%的試樣在860℃±10℃加熱30min,然後空冷或水冷,經磨製和浸蝕後沿原奧氏體晶界便顯示出鐵素體網。這種方法適用於碳含量為0.25%~0.60%的碳鋼和碳含量為0.25%~0.50%的合金鋼。
(4)直接淬火法。將碳含量不大於0.35%的試樣在900℃±10℃、碳含量大於0.35%的試樣在860℃±10℃加熱60min,然後淬火,得到馬氏體組織,經磨製和浸蝕後顯示奧氏體晶界。為了清晰顯示晶界,在腐蝕前可在550℃±10℃回火1h。這種方法適用於直接淬火硬化鋼。
(5)網狀滲碳體法。將試樣在820℃±10℃加熱,保溫30min以上,爐冷到下臨界點溫度以下,使奧氏體晶界上析出滲碳體網。經磨製和浸蝕後顯示奧氏體晶粒形貌。這種方法適用於過共析鋼。
(6)網狀珠光體法。採用適當尺寸的棒狀試樣,加熱到規定的淬火溫度,保溫後將試樣的一端在水中淬火,經磨製和浸蝕後可以看到細珠光體網顯示出的奧氏體晶粒形貌。這種方法適用於其他方法不能顯示的過共析鋼。
計算方法
晶粒計數
單位面積中晶粒的數量與晶粒的尺寸有關,晶粒的大小對金屬的拉伸強度、韌性、塑性等機械性質有決定性的影響。因此,晶粒的計數在金相分析中具有相當重要的意義。
所謂填充剔除計數法,就是根據行或列掃描圖像,當第一次碰到一個物體(白色)時,計數器加一,且將該物體填充為別的顏色(黑色),以後再掃描到該物體時,掃描程式不再將其當作物體,即該物體在一次計數後就被剔除,從而保證了該物體被計數一次。
由於細化後的晶界是八連通的網狀線條,因此,套用填充剔除計數法時,必須注意選用四連通的方式填充晶粒。
晶粒度估算
金屬晶粒的尺寸(或晶粒度)對其在室溫及高溫下的機械性質有決定性的影響,晶粒尺寸的細化也被作為鋼的熱處理中最重要的強化途徑之一。因此,在金屬性能分析中,晶粒尺寸的估算顯得十分重要。
晶粒度級別指數
晶粒度是晶粒大小的量度。通常使用長度、面積或體積來表示不同方法的評定或測定晶粒大小。而使用晶粒度級別指數表示晶粒度與測量方法使用單位無關。
晶粒度級別數G (grain-size number)
晶粒度級別數G可以分為兩類:
1、顯微晶粒度級別數G micro-grain size number G
在100倍下645.16平方毫米麵積內包含的晶粒個數N與G有如下關係:
N=2
2、巨觀晶粒度級別數Gm micro-grain size number Gm
在1倍下645.16平方毫米麵積內包含的晶粒個數N與G有如下關係:
N=2

