計算機數據顯示系統全貌及其原理
用一台有著基本結構的計算機就可以構成目前所存在的這種典型的計算機數據顯示系統.在下圖中給出了包括控制器、運算器、存儲器和輸入輸出設備等這四部分構成的基本計算機框圖。
計算機數據顯示系統計算機的控制器既控制在計算機內的數據淡,又控制到顯示系統去的數據流。在計算機內梳動的數據受程式控制,這種程式是存乾存儲器之中的一組預先編好的指令序列。當控制器通知怎樣做時,被存儲的計算機數據就從存儲器中取出,並送到供顯示器傳送數據用的輸入輸出設備中去。
運算器執行計算機所需要的運算。當某種運算操作完成後,其結果就存於存儲器中,然後等待電腦程式所指定的任何其它各種處理。
固定程式指令和動態計算機數據兩者都存放在存儲器中。存儲器中的全部數據都各占有一個唯一的存儲地址,所以對數據的存取操作都能加以控制。當計算機驅動顯示器時,數據在電腦程式的控制下,就能連續地從存儲器中進行存取。
輸入輸出設備控制計算機和顯示器之問雙方的數據交換,從計算機到顯示器的數據傳輸要經過該設備。輸入輸出設備和計算機控制器要把從顯示器來的數據送到存儲器或運算器中去。
通常,電腦程式把要顯示的全部數據都放在計算機存儲器中的指定位置上,這叫做顯示檔案存儲器。顯示器需要數據時,電腦程式就把顯示檔案存儲器中的數據從存儲器中連續地取出,並送到顯示系統中去。
當計算機直接同一般的CRT顯示器一起工作時,顯示檔案存儲器的數據必須是周期地傳送到顯示器中去。這種顯示過程的更新是需要的,因為一般的CRT只能保留數據幾毫秒,為了讓數據看上去是連續的,所阻必須使被顯示的數據以一定的頻率進行重寫。
常用的顯示器件有發光二極體、LED數碼管、LCD液晶顯示器等。
LED數據顯示系統
用LED數碼管組成的儀器數據顯示器具有亮度高,全天候的特點,在儀器設計中套用最廣。驅動方法不同,數據顯示器的接口電路形式也不同,一般可分靜態驅動和動態驅動兩種方式。
動態驅動方式接口
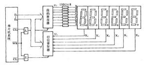
動態驅動實際上是一種動態掃描顯示過程,這種方法的電路硬體數量少,較經濟。它的基本形式如下圖所示。圖中數據顯示器由6隻共陰極LED數碼管組成,X~X與各數碼管的陰極相連,當有X線輸出低電平時,對應位置的數碼管就被選通工作。當X線為高電平時,對應位置的數碼管就因落選而熄滅。因此X信號的輸出電路U稱為顯示位控暫存器。該U實際上是一個電路,它的選通地址仍為CS。各數碼管的字形段極a~h同名段連在一起,並通過一隻限流電阻接到顯示段碼鎖存器U的輸出端,U的選通地址為CS。這樣,如果在U中寫入一個代表某一字元的字形段碼,又在該字元對應顯示位置的X線上輸出一個低電平驅動信號,就可將該字形在指定的數碼管上顯示出來。
動態掃描式LED驅動電路靜態驅動式接口
動態顯示方式所用硬體較少,但顯示內容必須隨時不斷刷新才能維持,要占用CPU大量的操作時間。而且隨著顯示位數的增加,每一位的顯示時間減少,顯示亮度會降低,嚴重時還會發生閃爍而影響閱讀。因此,動態顯示方式只能用於顯示位數較少,主程式執行時間較短的情況。在靜態顯示方式中,計算機將顯示數據直接交給硬體電路,是由硬體電路自已完成數據的暫存和驅動顯示的,因此不存在動態顯示中的閃爍問題。下圖畫出了一位靜態驅動顯示的原理圖。一隻數碼管與一個8位鎖存驅動器連線,計算機將要顯示字元的字形代碼寫入到該鎖存驅動器中,字元立即可以在數碼管上顯示出來。除非再次的寫入新的內容,顯示的字元是可以維持不變的。顯然,這種方法所用硬體電路較多,特別是多位數顯示時開銷較大,因此在靜態顯示方式中常採用多口I/O擴展器件進行接口設計。
8279可程式鍵盤/顯示器件的套用
在較複雜,多功能的智慧型儀器和自動化檢測系統中,不但採用的按鍵較多,而且要顯示的數據位數也多。用軟體掃描鍵盤要占用大量的CPU時間,多位顯示器的接口電路也比較複雜,在這種情況下可以選用專用多口鍵盤/顯示接口器件。常見的晶片有8279和SSK814兩種,前者採用並行方式與計算機接口,工作速度較快;後者採用串列方式與計算機接口,工作速度較慢。
LCD數據顯示系統
液晶顯示器具有低電壓、微功耗、大信息量、長壽命的特點,已廣泛套用於電子表、電視和個人計算機等技術領域。在許多攜帶型儀器儀表和智慧型儀器中也有廣泛的套用前景。
液晶顯示器的基本結構與驅動方法
由下圖所示的基本結構圖可知,將一片具有顯示段電極膜的基板玻璃和另一片具有公共電極膜的基板玻璃對接在一起,四周用熱固化環氧樹脂進行封裝,兩片基板玻璃之間留有約10pm的間隙,在真空條件下注入液晶材料,用樹脂封好後再在前後表面貼上偏振片即製成了一隻液晶顯示器。在使用時常把上基板上的字形段碼電極稱為段極,把下基板電極稱為背極。我們只要在兩極間加入一定的電場,就可按電極形狀顯示出相應的圖像來。上下導電基板電極的形狀不同,所示的圖像也不同。
液晶顯示器結構 (a)液晶器件結構 (b)偏振片結構採用ICM721l液晶顯示驅動器的接口設計
ICM7211是一種4位數字式液晶顯示驅動器件,它有ICM7211IPL、ICM7211AIPL、ICM7211MIPL和ICM7211AMIPL四種型號。這些器件可以用來驅動四位七段數字式液晶顯示器,片內自帶RC振盪器,並可以進行級聯,構成更多位的顯示系統。它採用CMOS工藝,器件功耗極低。IPL型、A1PL型晶片有4位數字輸入端和4位位控輸入端,適於與8255、8031等晶片直接接口。MIPL型、AMIPL型晶片有4位數字輸入、2位地址和2位片選輸入端,適於直接在單片計算機系統中套用。另外,IPL、MIPL兩種晶片可解碼顯示.0~F十六種字元,而AIPL、AMlPL兩種晶片只解碼顯示0~9、一、E、H、L、P等字元,在選用時必須加以注意。下圖是該器件的引腳封裝圖。
ICM7211 封裝引腳圖實際套用
數據顯示系統是許多工廠的基礎部分,在那裡工廠的活動要求進行時實監視。這些系統也將用於環境監測、病員監護和日常生活之中。例如,汽車的油表就是一個最簡單的數據顯示系統。原始的信息即油箱中汽油的液面位置是用稱之為浮子裝置測量的,然後轉換成電量並顯示在儀表上供駕駛員檢查,使他們能決定在什麼時候該往油箱裡加油。換句話說,一個數據顯示系統由兩部分組成,一部分設備用於信號檢測,而另一部分為輸出設備,它重新產生引起人們注意的信息。因此,存在各種各樣的顯示設備。例如,報警鈴是一個二進制的顯示設備,它不是響就是停。另一方面儀表是在比較低的速度和精度條件下顯示值的連續變化範圍。一些現代化設備,則傾向採用高精度的數字顯示。最後,周期函式或隨時間緩變的一些函式可用示波器或其他設備來顯示。
下圖表示數據最示系統的典型配置。應指出通常對測得的輸出——敏感設備的輸出要求進行某些處理,例如,在它們能用於驅動顯示設備之前進行放大。特別是在信號可用數字顯示之前需要對其進行A—D轉換。
數據顯示系統的一般裝置在一般情況下,數據顯示系統用采顯示緩變信號。儀表的指針具有較大的慣性,不能指示快變的電壓。雖然數字顯示能較快地變化,但要靠人的觀察去分辨迅速變化的數字是很困難的。因為周期性信號本身有規律地重複便於觀察,所以除顯示的信息是周期性變化的之外,用示波器觀察快變的蹤跡也同樣是很困難的。在多數場合,速變的信號既可以被記錄下來用於隨後的處理,也可以用與它的變化速度相匹配的機器進行實時處理。
