工作原理
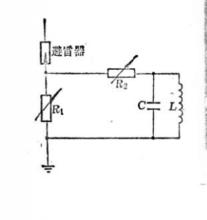
放電計數器的電氣迴路由非線性電阻R、R、電容器C及計數器L組成,即放電計數器串聯在避雷器下部與地之間,如圖1所示。
圖1 放電計數器電器迴路圖放電計數器一般與35kV及以上普通閥型避雷器配合使用,當雷電流經過避雷器進入放電計數器時,電流的一部分經R入地,另一部分經R給電容器C充電,衝擊電流過去後,電容器C對計數器L放電,使計數器動作。放電計數器的元件均固定在密封的鋁盒中,高壓進線端裝有瓷絕緣子,地線接在計數器的安裝螺釘上。
JSY-8型
JSY-8型放電計數器是對過電壓保護器工作狀況進行實時及累計計數的裝置,通過它可以詳細監視及所保護線路的狀況,預知事故前異常情況,達到分析異常動作原因,預防事故發生的作用。
數據採集
JSY-8型過電壓放電記錄儀採用自行設計的高速率數據處理單元,抗干擾能力強,軟體數字濾波調理電路,可以實時準確記錄過電壓保護器三相之間動作次數。附帶快速,分相累計顯示歷史動作次數。
數據顯示
JSY-8型過電壓放電記錄儀採用STN點陣式液晶顯示,清晰明了,外觀美觀。
產品結構
JSY-8型過電壓放電記錄儀為分體結構,數據採集、數據處理及顯示為兩分體,通過RJ45接口用網線相連線,根據現場需要,可以任意拆分,數據處理及顯示單元拆分後在櫃體上安裝簡便,只須三個螺絲。
產品安裝
JSY-8型過電壓放電記錄儀依結構設計,在本體上面安裝極其簡單,不用動任何結構,只須解開四個接線頭。毋庸質疑,可以在任何已經運行的過電壓保護裝置上加裝此型號放電計數器。
產品運行
過電壓動作計數器產品為無源設計,無須外接電源,由於軟體設計採用了實時省電模式,本體附帶高性能電池可以使用三年,電池倉更換電池簡單方便。
技術標準
滿足技術標準:GB6261-85《靜態繼電器及保護裝置的電氣干擾實驗》
1、過電壓動作計數器適用範圍
10KV及以下系統戶內相間距為85及131型 保護器配套用
2、上圖示注方法(見下表)
| 適用系統 | 上圖示注 | 說明 |
| 10KV及以下系統 | JSY- Ⅲ( 3.8 、 7.6 、 12.7 ) 85 | 相間距85mm |
| JSY- Ⅲ( 3.8 、 7.6 、 12.7 ) 131 | 相間距131mm |
3、JSY-III型過電壓放電記錄儀提供兩種安裝方式
(1)本體安裝
記錄儀的顯示部分可掛裝在保護器上,不需要考慮其他問題。
(2)櫃門安裝
放電計數器記錄儀的顯示部分安裝在櫃門上,因此要考慮保護器到記錄儀顯示部分的信號線長度和櫃門的開孔位置和尺寸,如下圖所示。註:虛線框為記錄儀顯示部分的外形尺寸,此圖為櫃門正面圖。
運行與維護
1、放電計數器可用於戶內、戶外,但使用時應考慮下列因素:
(1)應根據配套的閥型避雷器和所保護的電氣設備考慮使用的型號。
(2)按生產廣家允許使用的海拔高度使用。
(3)按生產廠家規定的最低和最高環境溫度使用。
(4)有強烈震動、撞擊、或有嚴重污穢的地區不能使用。
2、放電計數器投入運行的時候,可把計數器上已有的數字作為記錄的基數,在此基數上累計避雷器動作的次數。
3、在檢修拆下計數器時,應先用臨時接地線將避雷器接地端接地,當計數器修好裝上時,再將避雷器臨時接地線拆除。
4、在檢修放電計數器時,要注意非線性電阻受潮及其外殼的密封,以免影響其性能。

