基本簡介
擺式積分陀螺加速度計是利用在自轉軸上有一定擺性的積分陀螺來測量比力的裝置。多用於飛彈制導系統。由積分陀螺、伺服電機和單軸轉台等組成。在陀螺的自轉軸上,有一個偏離輸出軸一定距離的不平衡質量,形成擺。當沿輸入軸有加速度作用時,慣性力矩使擺繞輸出軸轉動,角度感測器即產生一個正比於框架轉角的電壓信號,經放大後送入伺服電機、使裝有陀螺的轉台轉動而在陀螺框架上產生一個陀螺力矩來平衡慣性力矩,使陀螺轉子軸趨向於零位。單位時間內轉台的轉角即加速度的量度 。
擺式積分陀螺加速度計(以下簡稱陀螺加速度計)是慣性制導系統的核心儀表,其精度的高低會直接影響慣性制導系統的控制精度,現有的陀螺加速度計其外環採用傳統的滾珠軸承支撐,因此儀表外環軸存在摩擦力矩。
設計原理
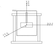
陀螺加速度計結構原理如下圖,陀螺加速度計的殼體坐標係為OXYZ,外環坐標係為 OX1Y1Z1,殼體坐標系與外環坐標系重合,即 OX軸與外環軸 OX1 重合, OY1、 OZ1 與 OX1 垂直取向, 內環坐標係為 OX2Y2Z2,其中 OZ2 為馬達角動量方向,OY2 為陀螺擺的輸出軸。陀螺加速度計輸入軸定義為外環軸 OX1 方向,此軸又是陀螺加速度計的輸出軸。陀螺加速度計輸出的誤差模型為:
擺式積分陀螺加速度計其中,α 為加速度計輸出值;k0為加速度計零位偏值; k1 為加速度計標度因數;
k1δ 為安裝誤差角係數; k2x 、 k2y 為二階非線性係數; ax 、ay 為沿加速度計 OX 軸、OY 軸方向的線加速度;ε 為隨機誤差項 。
陀螺加速度計設計原理圖工作原理
積分陀螺加速度表(PIGA)被廣泛用於火箭和飛彈的射程控制系統,用來測量載體的視加速度,其工作原理是利用擺性m·l在視加速度a的作用卜,構成擺力矩m·l·a作用在儀表內環軸上,由陀螺所敏感,輸出與視加速度成正比的角速度信號。顯然,作為射程控制敏感器件,希望其刻度因數K具有高的穩定性,在各種環境條件下,儀表刻度因數K維持不變。穩定性用刻度因數的相對變化△K/K表示,希望相對誤差小於1X10。刻度因數k與儀表內部結構的許多因素有關,可用公式表示為:
擺式積分陀螺加速度計H = JΩ
式中,m-儀表的偏心質量;
l-偏心質量中心至內環軸的距(擺長);
H-儀表的角動量;
J-儀表飛輪的轉動慣量;
Ω-馬達轉速。
可見。刻度因數是擺長l,馬達轉速Ω和轉動慣量J的函式,其中唯擺長l的變化最為複雜。為目前尚無高精度的測量方法,確定一個復擺的擺長大小,更難控制在各種條件下這個擺長的變化。但是只有掌握擺長變化的規律,儀表的精度才會隨之提高,因而有關擺長的變化規律及其對積分陀螺加速度表影響的研究,受到廣泛的重視。通常所談的儀表精度不穩定,大多數是指擺性的熱效應,即擺長受熱的於擾引起線性膨脹,溫度升高時擺長受熱變長,儀表的刻度因數變大;相反溫度降低時擺長變短,儀表的刻度因數變小。這種熱干擾來自環境溫度的波動,或者來自儀表本身。陀螺儀表是個自熱裝置,陀螺馬達電功熱要連續傳導至儀表的各部份,使零件溫度升高。儀表在無溫控的條件下工作,要在很長時間後,才能使各零組件達到動態熱平衡。此外,不僅僅是溫升所引起的擺長的線膨脹,而且還有溫度場的不均勻,溫度變化引起的變形以及溫度對馬達飛輪轉動慣量的影響等等,都需要有一個逐漸平衡和穩定過程,所以儀表的刻度因數很難維持在一個固定值上。這對儀表精度的評定和使用是很不利的,故國內外專家都很重視這方面的研究,力圖通過各種技術途徑,包括儀表的恆溫控制,構件材料膨脹係數的匹配,零件及結構的等剛度設計、降低馬達功耗等等方法,,以求減小擺性的熱效應誤差 。
研究成果
外環摩擦試驗研究
陸仲達,徐鳳霞 ,曾鳴等在中國慣性技術學報發表《分離擺式積分陀螺加速度計外環摩擦試驗研究》中,為分離擺式積分陀螺加速度計外環摩擦力,提出一種在高精度三軸轉台上測試擺式積分陀螺加速度計的新試驗方法。該試驗採用三軸轉台中環轉動速度隨動擺式積分陀螺加速度計外環進動角速度,從而分離儀表外環軸摩擦力的方案。為研究三軸轉台存在的動不平衡對擺式積分陀螺加速度計測試試驗的影響,建立了三軸轉台的動不平衡模型,分析了三軸轉台的動不平衡對轉台定位精度的影響,並通過提高三軸轉台的頻寬和改變工作點來獲得高的定位精度,消除三軸轉台的動不平衡擾動影響,完成分離擺式積分陀螺加速度計的外環摩擦力的試驗。通過對試驗數據進行分析,得出外環摩擦力的存在影響了擺式積分陀螺加速度計精度,為進一步改進儀表結構以提高儀表的精度提供了試驗研究基礎。
試驗中採用了三軸空氣軸承轉台,並對轉台中存在的動不平衡力矩進行了分析和抑制,消除了試驗測試設備精度對儀表測試結果的影響,通過原理分析及試驗結果可以得出,由於轉台中環框架具有比儀表外環組件大得多的轉動慣量以及被氣浮之後很小的干擾力矩,有利於分離陀螺加速度計的外環摩擦試驗。試驗數據可以看出由於存在儀表外環軸摩擦,會對加速度計的精度產生很大的影響,因此可以採用減小軸承摩擦的方法,選用摩擦力較小的軸承或採用浮外環的方法來提高儀表的精度,為改進加速度計的工藝和補償外環干擾力矩對加速度計誤差模型的影響提供試驗基礎 。
重力效應研究
劉希傑,易維沖在飛彈與航天運載技術《積分陀螺加速度表擺性的重力效應》研究了擺性的另一種效應,即擺長在重力場作用卜的變化。我們注意到了這樣一種現象,當將儀表的外環軸分別垂直安裝和水平方向安裝後,儀表所測得的刻度因數不同,而且水平方向安裝後,儀表的刻度因數離散增加,使儀表的精度卜降。因為其他條件完全相同,僅僅改變了安裝方向,所以首先分析在不同安裝方向下儀表所出現的變化。當儀表外環軸垂良方向安裝時,儀表擺軸與重力場方向相垂直,重力場不改變擺長的大小。而當外環軸水平安裝時(圖2),擺軸可以繞外環軸在垂直面內轉動,停留在任意位置。當擺軸角動量H朝下時,擺軸方向與重力場方向一致,擺長在重力作用下“拉伸變長”;相反,擺軸角動量H朝上時,擺長“壓縮變短”,這種類似乎在重力作用下的“拉伸”和“壓縮”現象,改變了儀表的刻度因數。故而我們這種現象為擺性的重力效應。通過儀表的多次試驗證明了這種現象的客觀存在。下圖表示了測試數據的規律。當一個儀表的擺錘朝上狀態放置一段時間(實驗時通常放置8h以上)。然後進行測量,再將儀表的擺錘朝下狀態放置一段時問,進行測量,所得到的K值與標準K值的差為△K,△K與標準K位的比K/K就是儀表的相對誤差(標準K值是指儀表正常測試時所得到的儀表刻度因數)。下圖中表示5個儀表的測試結果。每個儀表測試3次,其中△K位都超過了規定的卡關值 。
對於一個精密陀螺儀表,馬達裝配質量是至關重要的,馬達裝配質量不僅僅局限於一般的技術指標要求,如工作電流,運轉時間,動不平衡精度等等,雖然這典指標說明了馬達本身的工作質量。對陀螺儀表來說,還應當更加關心馬達質心的穩定性,質心的穩定與否,改接影響陀螺精度,而又難以預測和控制。擺性的重力效應就是質心不穩定的反應。結構和工藝的改進能改善質心穩定性,使儀表精度不斷提高 。

