振動料斗
![]() |
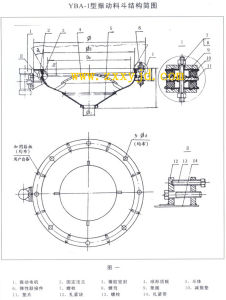
| 振動料斗結構圖 |
簡介
振動料斗是一種新型給料設備、安裝在各種料倉下部,通過振動使物料活化,能夠有效消除物料的起拱、堵塞和粘倉現象,解決料倉排料難的問題。
套用
振動料斗廣泛用於化工、建材、冶金、機械製造、糧食及食品加工、飼料加工、環保、陶瓷等行業。
原理
利用振動的定向機構自動定向送料的料斗。振動料斗常用於工具機上下料裝置,在儀器儀表和電子元件等行業中較多套用。振動料斗工作比較平穩,適用於已經過部分精加工的各類小型工件。振動料斗具有一定的通用性,當用於尺寸,重量相近的不同工件時只需要更換定向機構(見工具機上下料裝置)。
振動料斗由料斗、定向機構、支承彈簧、電磁鐵和底座等組成(圖1)。料斗多數為圓盤式(也有直槽式),圓盤內側有螺鏇上升的斜料槽。定向機構設定在料槽近出口處,工件經過出口時沿斜料槽進行定向運動。支承彈簧通常為3或4根板彈簧,傾斜安裝。電磁鐵作為振動源,接交流電源或通以半波整流的脈動電流。銜鐵裝在料斗底部,氣隙可以調節。通電後,電磁鐵以一定頻率吸放銜鐵,於是帶動料斗在傾斜安裝的支承彈簧支撐下往復扭轉和上下振動。有的振動料斗不用電磁鐵激振,而用凸輪、曲柄連桿機構或偏心塊等機構產生振動作用。
振動料斗振動料鬥技術參數
振動料鬥技術參數
振動料斗

