或門

或門

或門(OR gate),又稱或電路、邏輯和電路。如果幾個條件中,只要有一個條件得到滿足,某事件就會發生,這種關係叫做“或”邏輯關係。具有“或”邏輯關係的電路叫做或門。或門有多個輸入端,一個輸出端,只要輸入中有一個為高電平時(邏輯“1”),輸出就為高電平(邏輯“1”);只有當所有的輸入全為低電平(邏輯“0”)時,輸出才為低電平(邏輯“0”)。

基本信息

基本信息

或門 或門

或門是實現邏輯加的電路,又稱邏輯和電路,簡稱或門。此電路有兩個以上輸入端,一個輸出端。只要有一個或幾個輸入端是 “1”,或門的輸出即為 “1”。而只有所有輸入端為 “0”時,輸出才為 “0” 。或門的數學邏輯表達式為: ,其真值表如下所示。

或門的真值表
輸入A輸入B輸出F
0 0 0
0 1 1
1 0 1
1 1 1

邏輯符號

或門有3種邏輯符號,包括:形狀特徵型符號(ANSI/IEEEStd 91-1984)、IEC矩形國標符號(IEC 60617-12)和DIN符號(DIN 40700),以二輸入或門為例,邏輯符號如圖所示:

或門 或門
或門 或門
或門 或門
ANSI/IEEE Std 91-1984 IEC 60617-12 DIN符號(DIN 40700)

實現

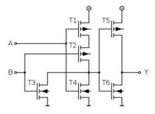
CMOS邏輯 CMOS邏輯
開關實現 開關實現
二極體實現 二極體實現
CMOS邏輯開關實現二極體實現

或門可以通過不同的方法實現,包括二極體實現、開關實現、CMOS邏輯實現等,通過將多個或門級聯也可以實現多輸入的或門。以二極體實現為例,其實現原理如下所示:

或門 或門
如圖,這裡取Vss = 0v,不取-10v 1、當Ua=Ub=0v時,D1,D2都截至,那么y點為0v. 2、當Ua=3v,Ub=0v時,此時D1導通,Uy=3-0.7=2.3v,D2則截至 同理Ua=0v,Ub=3v時,D2導通,D1截至,Uy=2.3v. 3、當Ua=Ub=3v時,此時D1,D2都導通,Uy=3-0.7=2.3v.

相關詞條

相關搜尋

熱門詞條

聯絡我們